

作品包括:
Word版说明书1份,共19页,7500字
工序卡1张
工艺过程卡1张
任务书一份
CAD版本图纸,共6张
Proe三维图一份
仿真动画一份


摘要
首先,对零件进行分析,主要是零件作用的分析和工艺性分析,通过零件分析可以了解零件的基本情况,而工艺分析可以知道零件的加工表面和加工要求。根据零件图提出的加工要求,确定毛坯的制造形式和尺寸。
其次,进行基面的选择,确定加工过程中的粗基准和精基准。根据选好的基准,制订工艺路线,通常制订两种以上的工艺路线,通过工艺方案的比较与分析,再选择可以使零件的几何形状、尺寸精度及位置精度等技术要求得到合理的保证的一种较佳工序路线。
在本次为期两周的法兰盘零件夹具课程设计中我接触并完成了零件工艺性分析,工艺的设计,包括工艺路线的确定和工序尺寸,加工余量的计算,确定总体方案,定位原理分析和计算,夹紧力的计算和夹紧装置的设计。
课程设计中我们针对法兰盘零件制定了两种加工工艺路线,并对其进行了计算得出选择一种最优的方案。对于夹具设计部分我们也制定了两套整体方案及定位方案,通过比较选择最合理的方案,并最终用CAD画出其装配图和夹具零件图。
关键词:机械,法兰盘,加工工艺,夹具设计
目录
摘要I
前言1
第1章法兰盘零件工艺分析2
1.1法兰盘零件的作用与结构2
1.1.1法兰盘零件的作用2
1.1.2法兰盘零件的结构特点2
1.1.3法兰盘零件的结构工艺性3
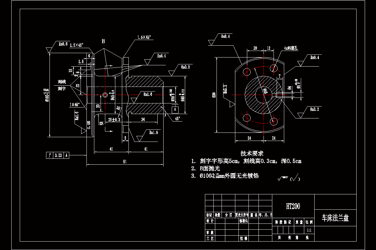
1.2法兰盘零件关键表面技术要求3
1.2.1法兰盘零件B面技术要求3
1.2.2 φ45右端面技术要求3
1.2.3中心轴孔的技术要求3
第2章法兰盘零件工艺设计4
2.1法兰盘零件生产类型的确定4
2.2法兰盘零件毛坯的选择与毛坯图说明4
2.2.1法兰盘支座零件毛坯图4
2.2.2确定毛坯的制造形式5
2.2.3定位基准的选择5
2.3法兰盘工艺路线的确定6
2.3.1工艺方案的拟定6
2.3.2工艺方案的比较与分析8
2.3.3工艺方案的确定9
2.3.4加工设备与工艺装备的选择10
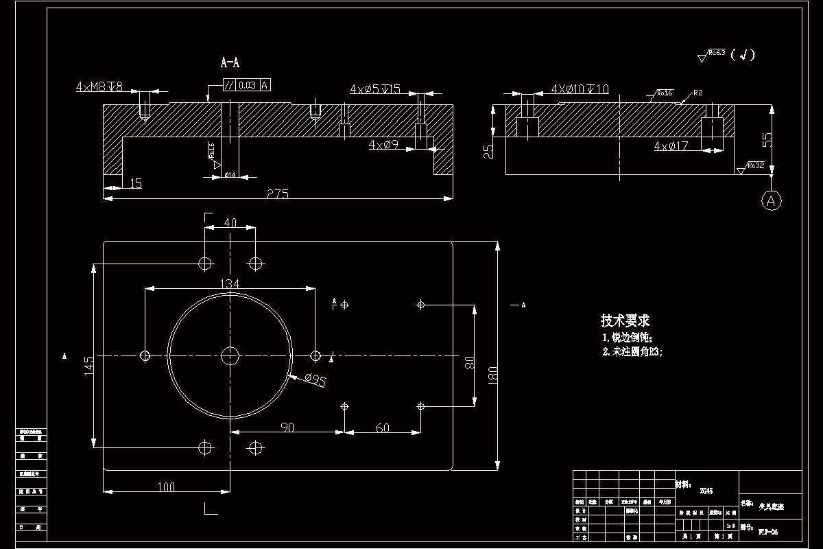
第3章法兰盘夹具设计11
设计心得17
参考文献17
附录Ⅰ钻4xφ4孔夹具三维图17
温馨提示:
1、题目前面的备注【字母数字编号】为本站整理分类的编号,与课题内容无关,请选题时忽视;
2、若题目上备注三维,则表示文件里包含三维源文件,由于三维组成零件数量较多,为保证预览截图的简洁性,本站将三维文件夹进行了打包。三维及CAD预览截图,均为本站电脑打开软件进行截图的,保证能够打开,下载原件超高清,下载后解压即可;
3、本站所有资源如无特殊说明,都需要本地电脑安装Office2007。图纸软件为AutoCAD,PROE,UG,SolidWorks,CATIA等;
4、本站所有图文资料仅供用户学习参考,不作为任何商用或其他用途;
5、本站不保证下载资源的准确性、安全性和完整性, 不包修改,不支持退换,同时也不承担用户因使用这些下载资源对自己和他人造成任何形式的伤害或损失;
6、 下载文件中如有侵权或不适当内容,请与我们联系,我们立即纠正。