欢迎来到龙图网在线图文分享平台-CAD图纸,设计说明书,工业设计3D模型,三维软件下载!   客服QQ:2363701252
热搜:

工艺夹具 模具设计 数控编程 土木工程 3D模型

JJ1996-旋盘件侧抽芯注塑模具设计[含UG三维图] 下载积分:100 资料编号: JJ1996

1.打开支付宝或者微信扫描二维码。
2.填写金额:100 
3.添加备注,填写资料编号:
资料编号: JJ1996
4.支付成功后,请发资料编号到邮箱:jxsj168@qq.com
会有专人在15分钟内把资料发到您邮箱
备注:如果付款忘记填写资料编号,则发邮件时附带您的交易明细截图即可。
请耐心等待,如超过30分钟还没收到,请联系客服QQ:2363701252
点击分享:

作品描述

作品包括:

Word版说明书1份,共30页,约9300字

CAD版本图纸,共4张

UG三维图一份

image.png

摘要

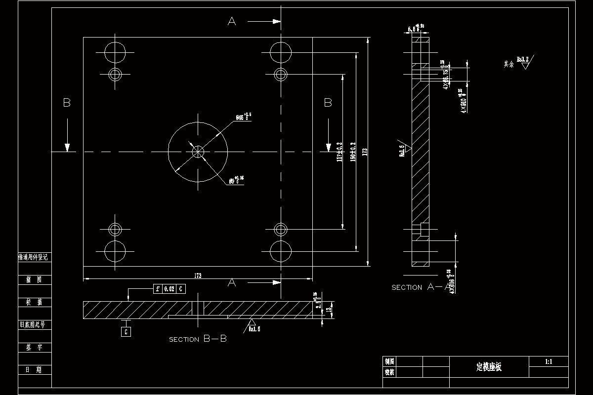
此设计是基于NX的旋盘件侧抽芯模具设计,设计的总体部分可以大致分为分型面的选择、侧向抽芯的设计、模架的选择、浇注系统的设计、冷却系统的设计、脱模系统的设计。本次设计的要点:此设计在注塑成型时,型腔内壁有一个凸台,必须要使用侧抽芯,以便于零件的成型和脱模。型腔的内侧有一个阶梯状的凸起,需要进行镶块设计。因为在实际生产中会对型腔形成冲刷,阶梯状的结构形成的型腔就容易损坏,因此需要设计镶块以便于更换和减少制造成本。此次设计最重要的一点就是更清楚的表达模具的内部结构,因此会附上设计时保存的结构图,局部放大图,还有模具的爆炸图。

关键词:塑件设计;旋盘式零件;侧抽芯设计

目录

第一章绪论5

1.1选题的背景5

1.2国内外模具研究的动态5

1.2.1国内模具研究动态5

1.2.2国外模具研究动态6

第二章盘类零件模具前期设计7

2.1塑件的工艺性分析7

2.1.1塑件的结构分析7

2.1.2塑件材料的选择8

2.2注射成型机的选择及型腔数量的确定9

2.2.1注射成型机的原理9

2.2.2注射成型机的选择9

第三章旋盘件侧抽芯模具设计11

3.1塑件手动分模11

3.2创建侧向抽芯机构12

3.3模具模架的选择15

3.4镶块的设计16

第四章浇注系统的设计17

4.1浇注系统的组成17

4.2主流道和分流道的设计17

4.2.1主流道设计要点: 17

4.2.2分流道设计要点17

4.3定位环和浇口衬套的设计18

第五章冷却系统的设计19

5.1冷却水道直径的设计19

5.2冷却水道的设计要点19

5.3冷却系统设计的具体步骤20

第六章顶出系统的设计21

6.1推出力的计算21

6.2推杆设计的具体步骤21

第七章排气系统的设计22

7.1排气系统的作用22

7.2容易困气的位置22

7.3排气系统设计原则22

7.4注塑模具的排气方式23

第八章模具设计成果图展示及总结24

8.1部分成果图展示24

8.2旋盘式侧抽芯模具设计总结28

致谢29

参考文献30

温馨提示:

1、题目前面的备注【字母数字编号】为本站整理分类的编号,与课题内容无关,请选题时忽视;

2、若题目上备注三维,则表示文件里包含三维源文件,由于三维组成零件数量较多,为保证预览截图的简洁性,本站将三维文件夹进行了打包。三维及CAD预览截图,均为本站电脑打开软件进行截图的,保证能够打开,下载原件超高清,下载后解压即可;

3、本站所有资源如无特殊说明,都需要本地电脑安装Office2007。图纸软件为AutoCAD,PROE,UG,SolidWorks,CATIA等;

4、本站所有图文资料仅供用户学习参考,不作为任何商用或其他用途;
5、本站不保证下载资源的准确性、安全性和完整性, 不包修改,不支持退换,同时也不承担用户因使用这些下载资源对自己和他人造成任何形式的伤害或损失;

6、 下载文件中如有侵权或不适当内容,请与我们联系,我们立即纠正。


线