

作品包括:
Word版说明书1份,共93页,约19000字
外文翻译一份
CAD版本图纸,共5张
PLC程序一份
MCGS组态动画一份

摘要
本设计是丰裕煤矿排水控制系统PLC控制与组态,采用西门子公司的S7-200小型PLC为控制核心,外加组态软件MCGS为上位机,结合各种传感器(例如水位传感器,压力传感器,温度传感器,流量传感器等),通过三台水泵完成排水自动控制。首先分析控制要求,进行了总体设计,然后进行了硬件设计,选择了PLC,设计了主电路和控制电路,分配了PLC的输入和输出,设计了PLC的输入和输出接线图,然后进行了软件设计,编制了控制程序流程图,编写了梯形图和语句表程序,最后使用MCGS进行了组态设计,监控排水系统运行情况,进行报警处理、参数设定、报表处理、实时和历史曲线显示、实时和历史报表查询等,做到有故障及时发现并尽早处理。
关键词:排水;梯形图;组态软件
目录
摘要i
Abstract ii
1绪论1
1.1选题依据及意义1
1.2国内外现状研究1
1.3具体工作要求2
1.3.1软件分析和编写2
1.3.2硬件电路设计2
2可编程序控制器(PLC)的概况3
2.1 PLC的产生和特点及其发展动向3
2.1.1 PLC的产生3
2.1.2 PLC的定义4
2.1.3 PLC的特点4
2.1.4 PLC的发展趋势6
2.2 PLC的系统结构和基本工作原理7
2.2.1 PLC的系统结构7
2.2.2 PLC的基本工作原理9
2.2.3 PLC的主要功能10
2.2.4 PLC的应用设计步骤11
3总体设计12
3.1控制分析12
3.2方案设计12
4硬件设计14
4.1电路设计14
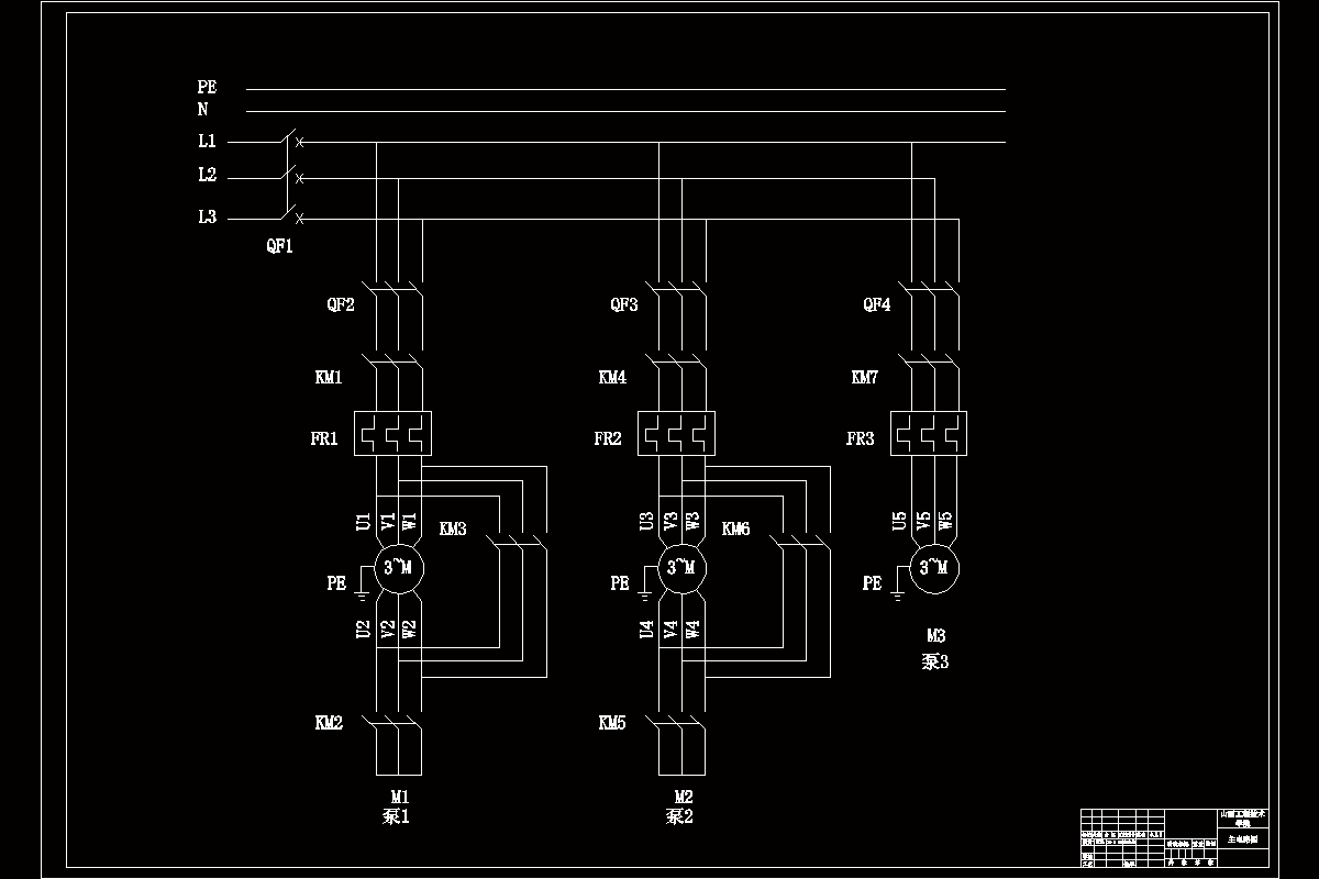
4.1.1主电路设计14
4.1.2控制电路图16
4.2 PLC接线图17
4.3硬件选型19
4.3.1 PLC型号的选择19
4.3.2压力传感器选型19
4.3.3流量传感器21
4.3.4中间继电器选型22
4.3.5水泵23
4.3.6交流接触器选型24
4.3.7热继电器选型25
4.3.8按钮开关选型26
4.3.9电源指示灯选型27
4.4 PLC I/O表28
4.5电器清单29
4.6仪表电源箱30
4.7其他31
4.7.1母线系统31
4.7.2现场I/O箱31
4.7.3端子32
5程序设计33
5.1编程软件STEP7--Micro/WIN概述33
5.1.1 STEP7-Micro/WIN简单介绍33
5.1.2梯形图语言特点34
5.1.3 STEP7-Micro/WIN参数设置(通讯设置) 35
5.2控制流程图37
5.3 PLC梯形图程序39
6组态设计50
6.1通讯定义50
6.2变量连接51
6.3组态画面53
7系统测试和仿真56
结论63
参考文献64
外文文献66
英文原文66
中文译文76
致谢84
温馨提示:
1、题目前面的备注【字母数字编号】为本站整理分类的编号,与课题内容无关,请选题时忽视;
2、若题目上备注三维,则表示文件里包含三维源文件,由于三维组成零件数量较多,为保证预览截图的简洁性,本站将三维文件夹进行了打包。三维及CAD预览截图,均为本站电脑打开软件进行截图的,保证能够打开,下载原件超高清,下载后解压即可;
3、本站所有资源如无特殊说明,都需要本地电脑安装Office2007。图纸软件为AutoCAD,PROE,UG,SolidWorks,CATIA等;
4、本站所有图文资料仅供用户学习参考,不作为任何商用或其他用途;
5、本站不保证下载资源的准确性、安全性和完整性, 不包修改,不支持退换,同时也不承担用户因使用这些下载资源对自己和他人造成任何形式的伤害或损失;
6、 下载文件中如有侵权或不适当内容,请与我们联系,我们立即纠正。