

作品包括:
Word版说明书1份,共44页,约18000字
外文翻译一份
CAD版本图纸,共7张

摘要
组合机床,是由大量的通用部件和少量专用部件组成的工序集中的高效率机床。
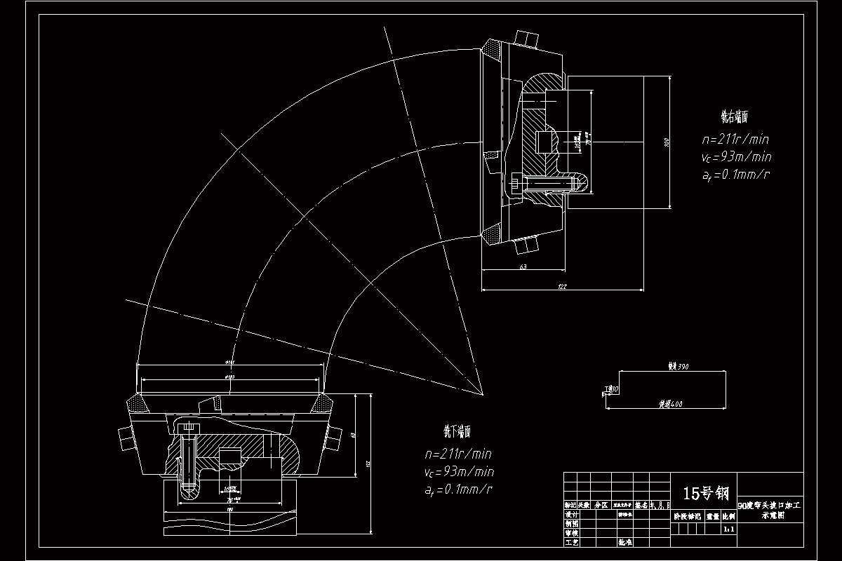
本说明书对加工90度管弯头坡口和端面的组合铣床设计进行了详细的介绍。要求铣床能实现铣削90度管弯头的两个坡口和端面,通过对零件的工艺分析,确定了工件的定位、夹紧方案,完成了组合铣床的总体方案设计。其具体内容是:三图一卡设计,端面铣刀设计,专用夹具设计。
在夹具设计中,由于该工件是异形工件,为使该工件定位、夹紧牢靠,采用了定位块、V型块、辅助定位销定位,夹紧采用浮动块液压传动夹紧,设计中对夹紧系统进行了受力分析,准确计算了加紧力的大小,保证了夹紧的可靠性。与传统的机床相比,本机床具有自动化程度高,生产率高,精度高等优点。
关键词:组合铣床;90度管弯头;三图一卡;端面铣刀;夹具设计
目录
摘要
1绪论1
1.1课题来源与意义1
1.2组合机床的特点1
1.3组合机床的方案选择2
2组合机床方案的确定4
2.1被加工零件的加工精度和加工工序分析4
2.2被加工零件材料特点分析4
2.3零件的定位与夹紧分析4
2.5组合机床的分类和确定基本配置形式7
2.6经济分析7
3确定切削用量及刀具选择9
3.1确定切削用量参数9
3.1.1确定加工余量9
3.1.2确定切削用量9
3.2确定切削力及切削功率11
3.2.1切削力及切削功率参数公式11
3.2.2计算切削力及切削功率12
3.3刀具材料选择12
3.4硬质合金端铣刀的设计13
3.4.1概述13
3.4.2硬质合金端铣刀几何角度的合理选择15
3.4.3不重磨端铣刀刀片的定位与夹紧结构17
3.4.4端铣刀主要结构参数18
3.4.5刀槽尺寸及刀齿几何角度计算19
4组合铣床总体设计23
4.1被加工零件工序图23
4.2加工示意图23
4.2.1加工示意图的作用及内容23
4.2.2刀具的选择24
4.2.3确定主轴类型、尺寸及外伸长度25
4.2.4确定动力部件的工作循环和工作行程25
4.3组合铣床联系尺寸图26
4.3.1机床联系尺寸图的作用和内容26
4.3.2绘制机床尺寸联系总图之前应确定的内容26
4.4生产率计算卡28
5专用夹具设计31
5.1夹具概述31
5.1.1夹具分类31
5.1.2机床夹具的现状31
5.1.3现代机床夹具的发展方向32
5.2夹具设计任务32
5.3拟定夹具结构方案32
5.3.1确定工件定位方案及设计选择定位装置32
5.3.2确定工件夹紧方案及设计选择夹紧装置33
5.3.3夹具体设计34
5.4分析定位误差34
5.5夹紧力的分析计算34
5.6夹具操作说明37
5.7绘制铣床夹具装配图37
结论38
参考文献39
致谢56
温馨提示:
1、题目前面的备注【字母数字编号】为本站整理分类的编号,与课题内容无关,请选题时忽视;
2、若题目上备注三维,则表示文件里包含三维源文件,由于三维组成零件数量较多,为保证预览截图的简洁性,本站将三维文件夹进行了打包。三维及CAD预览截图,均为本站电脑打开软件进行截图的,保证能够打开,下载原件超高清,下载后解压即可;
3、本站所有资源如无特殊说明,都需要本地电脑安装Office2007。图纸软件为AutoCAD,PROE,UG,SolidWorks,CATIA等;
4、本站所有图文资料仅供用户学习参考,不作为任何商用或其他用途;
5、本站不保证下载资源的准确性、安全性和完整性, 不包修改,不支持退换,同时也不承担用户因使用这些下载资源对自己和他人造成任何形式的伤害或损失;
6、 下载文件中如有侵权或不适当内容,请与我们联系,我们立即纠正。