

作品包括:
Word版说明书1份,共29页,约10000字
钣金成形冲压工艺规程一份
CAD版本图纸,共12张

摘要
模具冲压生产是一种先进的机械加工制造方法之一。冲压加工生产出的零件具有质量高,使用性能好的特点。因此在生产中得到了广泛的应用。
焊片是比较常用的额零件,现在已大批量生产。具有制造简单,成本低,耐腐蚀等特点。并且能根据具体情况具体设计形状。方法是分两道工序完成,一个冲孔,一个落料。设计一个安全,高效,高精度,低成本的模具具有很现实的意义。
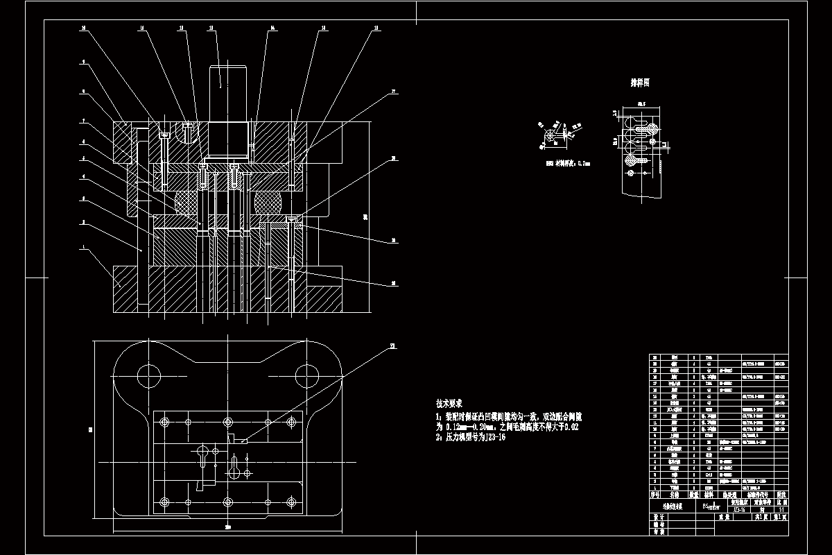
在这次设计中,选用了级进模具,将以往简单分散低效率的冲压转变为一次加工成型的自动生产过程,从而使得劳动生产率大幅度提到。
关键词:冲压;焊片;级进模具;劳动生产率
前言
随着科学技术的发展需要,模具已成为现代化不可缺少的工艺装备,模具设计是机械专业一个最重要的教学环节,是一门实践性很强的学科,是我们对所学知识的综合运用,通过对专业知识的综合运用,使学生对模具从设计到制造的过程有个基本上的了解,为以后的工作及进一步学习深造打下了坚实的基矗
设计的主要目的有两个:一是让学生掌握查阅查资料手册的能力,能够熟练的运用CAXA进行模具设计。二是掌握模具设计方法和步骤,了解模具的加工工艺过程。
本书是落料冲孔复合模设计说明书,结合模具的设计和制作,广泛听取各位人士的意见,经过多次修改和验证编制而成。为了达到设计的规范化,标准化和合理性,本人通过查阅多方面的资料文献,力求内容简单扼要,文字顺通,层次分明,论述充分。其中附有必要的插图和数据说明。
本书在编写过程中得到了老师的精心指导和同学们的大力帮助,在此表示衷心的感谢。由于本人是应届生,理论水平有限,实践经验不足,书中难免有不当和错误的地方,敬请各位老师与广大读者批评指正。
目录
摘要I
前言I
1绪论1
2冲压工艺分析及工艺方案的制定2
2.1工艺分析2
2.2工艺方案的制定2
3排样设计与计算4
3.1排样方法与原则4
3.2确定搭边值4
3.3排样图设计和利用率计算4
4冲裁力计算7
4.1冲压力的计算7
4.2.压力中心的计算9
4.3压力机的选择9
5凸凹模的设计10
5.1尺寸计算原则10
5.2凸、凹模刃口尺寸计算10
5.3凹模设计11
5.3.1凹模外形的确定11
5.1.2凹模刃口结构形式的选择12
5.1.3凹模精度与材料的确定13
5.2凸模的设计13
5.2.1凸模结构的确定13
5.2.2凸模材料的确定13
5.2.3凸模精度的确定13
6冲裁模主要零件的设计与标准的选用14
6.1卸料﹑出件方式的选择14
6.2导料零件14
6.3标准模架16
6.4模柄及固定零件17
6.5模具模架的选择及闭合高度的计算18
7模具的装配、调试和检测20
7.1模具的装配20
7.2冲裁模具的调试20
7.3模具的检测21
8绘制模具总装图及零件图23
8.1装配图绘制23
8.2模具零件图的绘制23
总结24
参考文献24
致谢25
温馨提示:
1、题目前面的备注【字母数字编号】为本站整理分类的编号,与课题内容无关,请选题时忽视;
2、若题目上备注三维,则表示文件里包含三维源文件,由于三维组成零件数量较多,为保证预览截图的简洁性,本站将三维文件夹进行了打包。三维及CAD预览截图,均为本站电脑打开软件进行截图的,保证能够打开,下载原件超高清,下载后解压即可;
3、本站所有资源如无特殊说明,都需要本地电脑安装Office2007。图纸软件为AutoCAD,PROE,UG,SolidWorks,CATIA等;
4、本站所有图文资料仅供用户学习参考,不作为任何商用或其他用途;
5、本站不保证下载资源的准确性、安全性和完整性, 不包修改,不支持退换,同时也不承担用户因使用这些下载资源对自己和他人造成任何形式的伤害或损失;
6、 下载文件中如有侵权或不适当内容,请与我们联系,我们立即纠正。