

作品包括:
Word版说明书1份,共30页,约8300字
任务书一份
开题报告一份
PPT答辩一份
CAD版本图纸,共18张


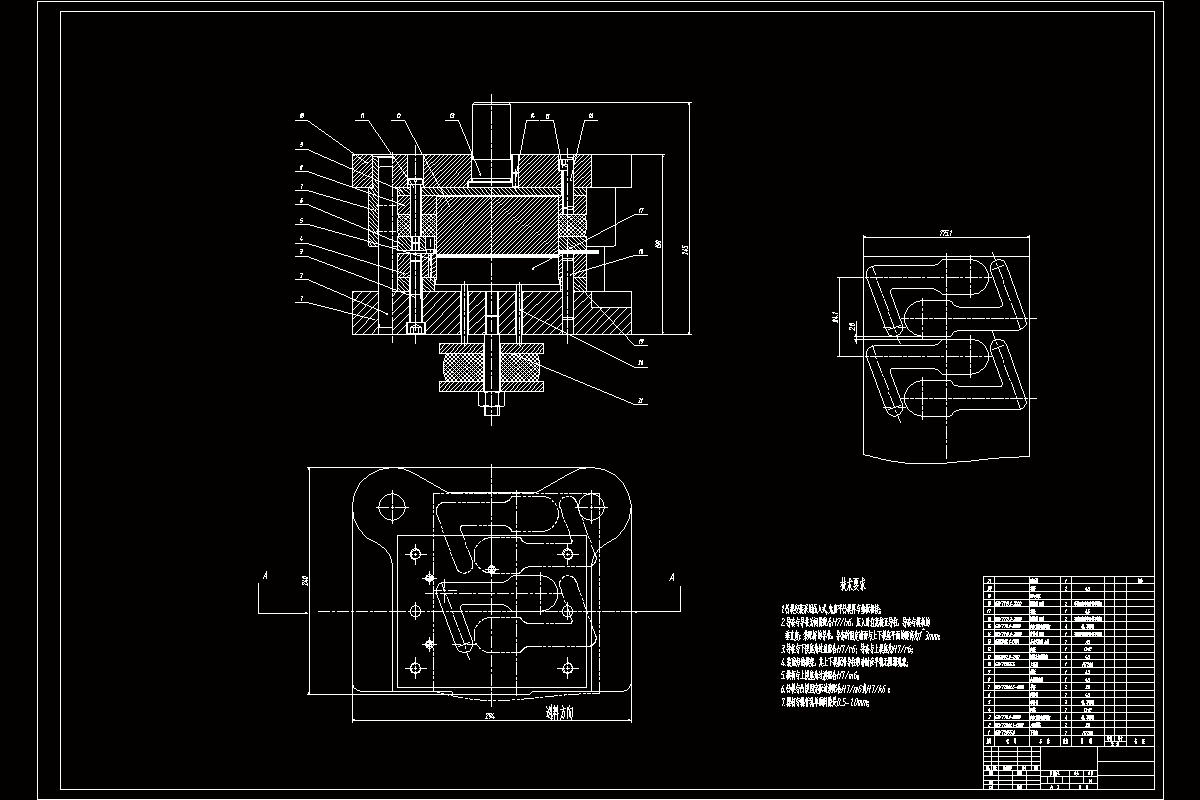
[摘要]本篇课题是对双支架锁片落料模的研究,首先对工件的材料、结构以及精度进行分析。材料方面,工件选用Q235做为生产材料。结构方面工件外形简单易懂,厚度为3mm,精度方面,工件没有特殊要求,采用IT14精度等级,通过对双支架锁片分析,工件只有落料、冲孔的工序。本篇仅对落料工序进行介绍说明,综上所述我们可以使用单工序落料摸来对双支架锁片生产。
首先需要对双支架锁片进行分析,从而得出最适合的设计方案,通过双支架锁片的工件图我们可知其有落料工序。对于工件材料的选择,首先要分析材料的通用性、性价比以及材料的精度能否达到对工件的生产。然后确定合适的模具工艺方案,可以从单工序模、复合模和级进模三种方案来进行对比。确定出哪一种最适合生产,通过对比分析,最终采用落料模来对落料工序完成制作。
[关键词]精度等级;双支架锁片;方案对比
目录
任务书Ⅰ
开题报告Ⅱ
中文摘要Ⅵ
外文摘要Ⅶ
1前言1
1.1设计研究的内容2
1.2课题研究思路2
1.3课题研究应注意的问题2
2分析零件的工艺性3
2.1冲裁件造型3
2.2工艺分析3
2.3冲裁方案的确定4
3冲压工艺参数计算5
3.1排样的设计5
3.2计算材料利用率6
3.3各工位冲裁力的计算6
3.4计算卸料力以及推件力7
3.5冲压力的总和7
4选择压力设备和压力中心的计算8
4.1冲压设备的选择8
4.2压力中心的计算8
5模具总体结构设计10
5.1模具类型的选择10
5.2送料方式10
5.3定位方式选择10
5.4卸料和出件方式11
5.5导向方式的选择11
6凸凹模刃口尺寸计算13
6.1冲裁间隙的选择13
6.2计算凸、凹模刃口尺寸13
7模具零件结构设计15
7.1凹模设计15
7.2凸模的设计17
7.3其他板尺寸的确定18
7.4上、下模座的选用21
7.5模柄的选用22
7.6卸料螺钉的选用22
7.7圆柱销和螺钉的设计22
8校核模具高度和压力机23
8.1冲压设备的校核23
8.2冲压设备的选用23
总结24
参考文献25
致谢26
温馨提示:
1、题目前面的备注【字母数字编号】为本站整理分类的编号,与课题内容无关,请选题时忽视;
2、若题目上备注三维,则表示文件里包含三维源文件,由于三维组成零件数量较多,为保证预览截图的简洁性,本站将三维文件夹进行了打包。三维及CAD预览截图,均为本站电脑打开软件进行截图的,保证能够打开,下载原件超高清,下载后解压即可;
3、本站所有资源如无特殊说明,都需要本地电脑安装Office2007。图纸软件为AutoCAD,PROE,UG,SolidWorks,CATIA等;
4、本站所有图文资料仅供用户学习参考,不作为任何商用或其他用途;
5、本站不保证下载资源的准确性、安全性和完整性, 不包修改,不支持退换,同时也不承担用户因使用这些下载资源对自己和他人造成任何形式的伤害或损失;
6、 下载文件中如有侵权或不适当内容,请与我们联系,我们立即纠正。