

作品包括:
Word版说明书1份,共32页,约13000字
任务书一份
开题报告一份
PPT答辩一份
CAD版本图纸,共21张
UG三维图一套



摘要
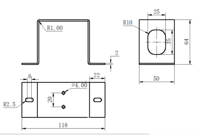
本设计是对给定的助力器后壳产品图进行冲压模具设计。冲压工艺的选择是经查阅相关资料和和对产品形状仔细分析的基础上进行的;冲压模具的选择是在综合考虑了经济性、零件的冲压工艺性以及复杂程度等诸多因素的基础上进行的;产品毛坯展开尺寸的计算是在方便建设又不影响模具成型的前提下简化为所熟悉的模型进行的。文中还对冲压成型零件和其它相关零件的选择原则及选择方法进行了说明,另外还介绍了几种产品形状的毛坯展开尺寸计算的方法和简化模型,以及冲压模具设计所需要使用的几种参考书籍的查阅方法。
关键词:弯曲件;冲压模具;工艺;成型零件;模具设计
目录
摘要II
前言1
第一章零件图及工艺方案的拟订3
1.1.零件图及零件工艺性分析3
1.1.1.零件图3
1.1.2.零件的工艺性分析3
1.2.工艺方案的确定4
第二章工艺设计5
2.1.计算毛坯尺寸5
2.2.确定排样方案7
2.2.1.计算工件实际面积7
2.2.2.分析排样方案7
2.3.计算各工序的压力8
2.4.压力机的选择10
2.5.压力中心和凹模周界的确定10
2.6.凹模周界12
第三章模具类型及结构形式的选择13
第四章模具工作零件刃口尺寸及公差的计算15
第五章模具零件的选用,设计及必要的计算19
5.1.模具零件的选用19
5.2.支撑固定零件21
5.3.卸料零件设计22
5.4.标准零件选择22
5.5.导向装置设计23
第六章压力机的校核24
第七章模具的动作原理及综合分析25
第八章模具的装配26
设计心得27
致谢28
主要参考文献29
温馨提示:
1、题目前面的备注【字母数字编号】为本站整理分类的编号,与课题内容无关,请选题时忽视;
2、若题目上备注三维,则表示文件里包含三维源文件,由于三维组成零件数量较多,为保证预览截图的简洁性,本站将三维文件夹进行了打包。三维及CAD预览截图,均为本站电脑打开软件进行截图的,保证能够打开,下载原件超高清,下载后解压即可;
3、本站所有资源如无特殊说明,都需要本地电脑安装Office2007。图纸软件为AutoCAD,PROE,UG,SolidWorks,CATIA等;
4、本站所有图文资料仅供用户学习参考,不作为任何商用或其他用途;
5、本站不保证下载资源的准确性、安全性和完整性, 不包修改,不支持退换,同时也不承担用户因使用这些下载资源对自己和他人造成任何形式的伤害或损失;
6、 下载文件中如有侵权或不适当内容,请与我们联系,我们立即纠正。