

作品包括:
Word版说明书1份,共48页,约15000字
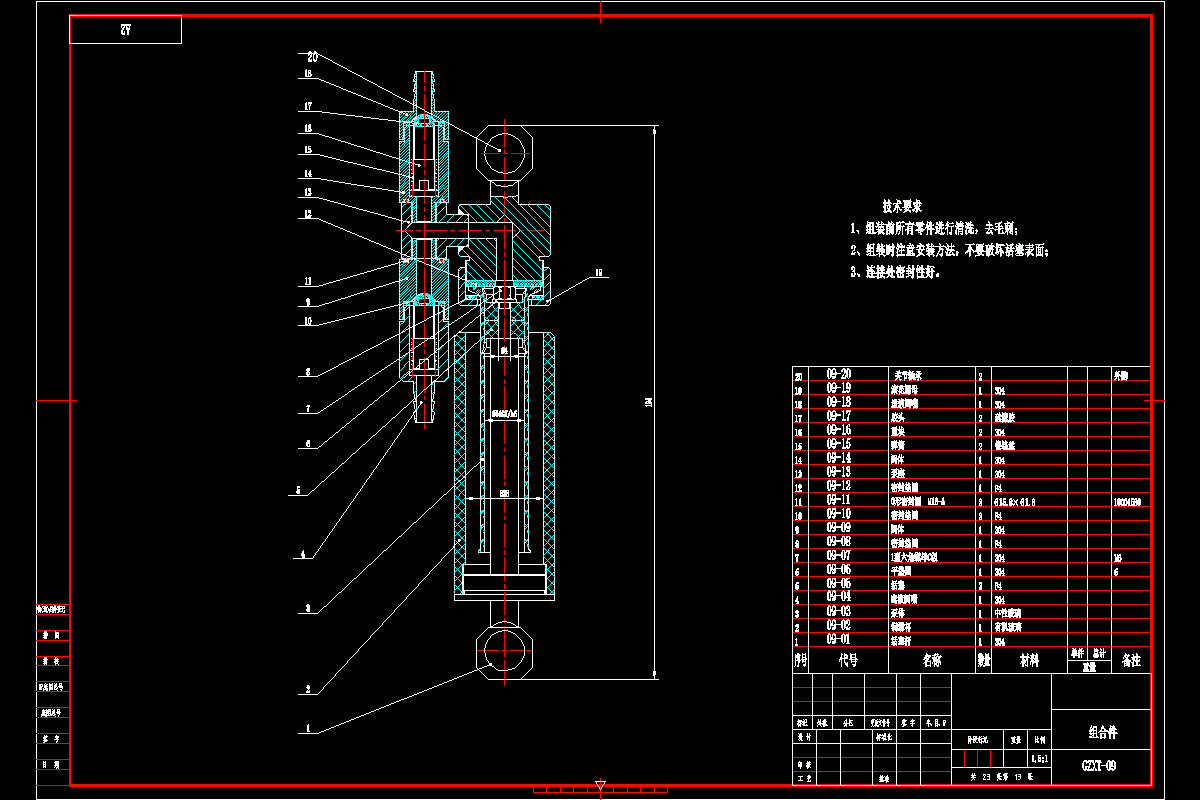
CAD版本图纸,共22张
回转式灌装机总体方案及灌装系统设计含22张CAD图及设计计算。回转式灌装机包括工作台,液箱、送出瓶拨盘、定量装置、灌装阀,进出料输送装置等组成。 本次所设计的回转式灌装机,是进行对药水瓶的灌装。根据任务书的设计要求,对机器的灌装系统进行主要设计。 首先根据任务书的要求和目的,对回转式灌装机进行工艺分析,工艺流程是进瓶—分瓶—工作台升—灌液—工作台降—出瓶,输送装置选用带式输送装置,进出瓶装置选用星形拨瓶轮,灌装方法选用等压灌装方法,升降装置选用气动升降机构。这样总体方案就确定了,重点进入灌装系统的设计,灌装系统中包括灌装阀的设计,计量装置设计
温馨提示:
1、题目前面的备注【字母数字编号】为本站整理分类的编号,与课题内容无关,请选题时忽视;
2、若题目上备注三维,则表示文件里包含三维源文件,由于三维组成零件数量较多,为保证预览截图的简洁性,本站将三维文件夹进行了打包。三维及CAD预览截图,均为本站电脑打开软件进行截图的,保证能够打开,下载原件超高清,下载后解压即可;
3、本站所有资源如无特殊说明,都需要本地电脑安装Office2007。图纸软件为AutoCAD,PROE,UG,SolidWorks,CATIA等;
4、本站所有图文资料仅供用户学习参考,不作为任何商用或其他用途;
5、本站不保证下载资源的准确性、安全性和完整性, 不包修改,不支持退换,同时也不承担用户因使用这些下载资源对自己和他人造成任何形式的伤害或损失;
6、 下载文件中如有侵权或不适当内容,请与我们联系,我们立即纠正。