

作品包括:
Word版说明书1份,共25页,约8200字
任务书一份
开题报告一份
工序卡5张
工艺过程卡1张
CAD版本图纸,共5张


摘要
在生产过程中,夹具在加工的时候是非常关键的。加工这个行业范围是比较广的,生产的零部件不管是构造也好,还是外部形状也好,变化是非常大的,现在基本上都不用通用夹具来进行生产了。这样来看,专用夹具在现代化的生产里面是非常重要的。
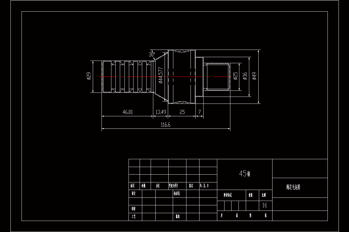
这篇写的题目是阀芯零件及加工工艺与夹具设计,依据任务书需要设计车M24×2外螺纹夹具。
一开始进行设计的时候,我翻阅了很多相关的材料,对于夹具怎么进行定位,怎么进行夹紧等等相关的知识都了解了一下,还有对于夹具现在的状况的有关知识进行了全面的了解。本次设计的主要内容有:对零件结构的分析,确定零件的制造形式,绘制零件图和毛坯图;然后对每一个步进行计算,确定切削用量,编写加工工艺过程卡和加工工序卡;确定加工工序的定位方案和夹紧方案,选择定位元件和夹紧元件等,对其定位误差进行分析;绘制夹具装配图及夹具体;撰写设计说明书,对本次设计进行总结。
设计好了之后,要进行有关的分析,之后将数据都算出来,这样一来整个就都写好了,不仅将我大学几年学习的知识都复习了一次,还为我将来的实践工作做了很好的铺垫。
关键词阀芯,加工工艺,车M24×2外螺纹,夹具设计
目录
摘要I
Abstract II
第一章阀芯的工艺分析- 1-
1.1阀芯的分析- 1-
1.2毛坯的选择- 1-
1.3基准的选择- 1-
第二章工艺规程设计- 3-
2.1加工余量的确定- 3-
2.2制定工艺路线- 3-
2.3工时的计算- 4-
第三章车M24×2螺纹夹具- 17-
3.1问题提出- 17-
3.2定位分析- 17-
3.3切削力和夹紧力的计算- 17-
3.4定位误差分析- 19-
3.5夹具结构设计及简要操作说明- 20-
总结- 21-
参考文献- 22-
温馨提示:
1、题目前面的备注【字母数字编号】为本站整理分类的编号,与课题内容无关,请选题时忽视;
2、若题目上备注三维,则表示文件里包含三维源文件,由于三维组成零件数量较多,为保证预览截图的简洁性,本站将三维文件夹进行了打包。三维及CAD预览截图,均为本站电脑打开软件进行截图的,保证能够打开,下载原件超高清,下载后解压即可;
3、本站所有资源如无特殊说明,都需要本地电脑安装Office2007。图纸软件为AutoCAD,PROE,UG,SolidWorks,CATIA等;
4、本站所有图文资料仅供用户学习参考,不作为任何商用或其他用途;
5、本站不保证下载资源的准确性、安全性和完整性, 不包修改,不支持退换,同时也不承担用户因使用这些下载资源对自己和他人造成任何形式的伤害或损失;
6、 下载文件中如有侵权或不适当内容,请与我们联系,我们立即纠正。