欢迎来到龙图网在线图文分享平台-CAD图纸,设计说明书,工业设计3D模型,三维软件下载!   客服QQ:2363701252
热搜:

工艺夹具 模具设计 数控编程 土木工程 3D模型

JJ2916-加压鞍零件冲压模具设计-4套模具 下载积分:200 资料编号: JJ2916

1.打开支付宝或者微信扫描二维码。
2.填写金额:200 
3.添加备注,填写资料编号:
资料编号: JJ2916
4.支付成功后,请发资料编号到邮箱:jxsj168@qq.com
会有专人在15分钟内把资料发到您邮箱
备注:如果付款忘记填写资料编号,则发邮件时附带您的交易明细截图即可。
请耐心等待,如超过30分钟还没收到,请联系客服QQ:2363701252
点击分享:

作品描述

作品包括:

Word版说明书1份,共42页,约14000字

任务书一份

CAD版本图纸,共28张

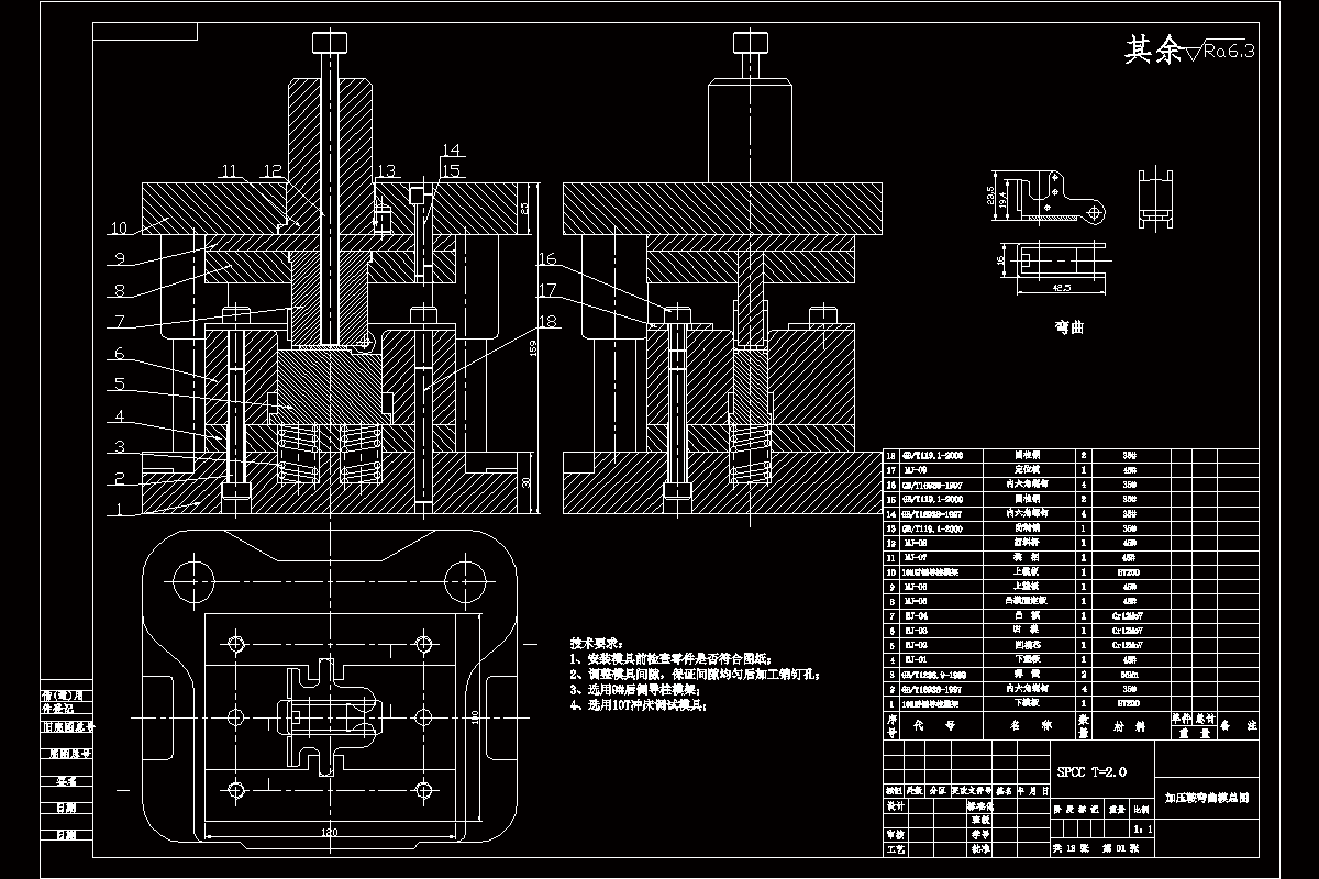
image.png

image.png

image.png

摘要

设计是在模具专业理论教学之后进行的实践性教学环节。是对所学知识的一次总检验,是走向工作岗位前的一次实战演习。其目的是,综合运用所学课程的理论和实践知识,本次课题为加压鞍零件冲压模具设计,设计出完整的模具训练、培养和提高自己的工作能力。巩固和扩充模具专业课程所学内容,掌握模具设计与制造的方法、步骤和相关技术规范。熟练查阅相关技术资料。掌握模具设计与制造的基本技能,如制件工艺性分析、模具工艺方案论证、工艺计算、加工设备选定、制造工艺、收集和查阅设计资料,绘图及编写设计技术文件等。

关键词:加压鞍、冲压模具、工艺、加工设备

目录

摘要1

Abstract 2

绪论5

第1章、工艺方案的确定9

1.1.零件分析9

1.2.工艺方案的确定及模具结构形式的选择9

1.3.工序图尺寸分析10

1.4.排样和材料利用率的计算13

第2章、有关工艺计算15

2.1.毛坯尺寸的计算15

2.2.落料冲孔模的计算15

2.2.1.落料力计算15

2.2.2.冲圆孔φ5力计算15

2.2.3.冲圆孔φ5力计算15

2.2.4.卸料力、推件力及顶件力的计算15

2.3.冲孔力的计算16

2.3.1.冲圆孔6-φ2力计算16

2.3.2.卸料力、推件力及顶件力的计算16

2.4.弯曲力的计算16

2.5.弯曲力的计算17

2.6.压力机选择18

2.7.压力中心的计算19

2.7.1.冲孔模压力中心的计算19

2.7.2.弯曲模压力中心的计算21

2.8.落料、冲孔凸、凹模刃口尺寸21

2.8.1.计算原则21

2.8.2.计算过程23

2.8.3.弯曲凸凹模的间隙25

2.9.凸、凹模宽度尺寸计算25

2.9.1.落料冲孔模凸、凹模外形尺寸计算25

2.9.2.弯曲工序模凸、凹模外形尺寸计算26

2.9.3.凸模圆角半径26

2.9.4.凹模圆角半径27

2.9.5.弯曲凹模外形和尺寸的确定27

2.10.选择上、下模座及模柄27

2.11.垫板、凸模固定板27

2.12.闭合高度27

2.13.导柱、导套28

2.14.螺钉、销钉的选择28

2.15.绘制模具总图及零件图28

2.16.模具零件的结构设计31

2.16.1.落料凹模的设计31

2.16.2.落料凸凹模的设计32

2.16.3.冲孔凸模的设计32

2.16.4.弯曲凸模的设计33

2.14.5.弯曲凹模的设计34

2.16.6.凹模芯的设计35

2.17.模具零件的选用35

2.18.模具制造装配要点37

结束语38

致谢40

参考文献41

温馨提示:

1、题目前面的备注【字母数字编号】为本站整理分类的编号,与课题内容无关,请选题时忽视;

2、若题目上备注三维,则表示文件里包含三维源文件,由于三维组成零件数量较多,为保证预览截图的简洁性,本站将三维文件夹进行了打包。三维及CAD预览截图,均为本站电脑打开软件进行截图的,保证能够打开,下载原件超高清,下载后解压即可;

3、本站所有资源如无特殊说明,都需要本地电脑安装Office2007。图纸软件为AutoCAD,PROE,UG,SolidWorks,CATIA等;

4、本站所有图文资料仅供用户学习参考,不作为任何商用或其他用途;
5、本站不保证下载资源的准确性、安全性和完整性, 不包修改,不支持退换,同时也不承担用户因使用这些下载资源对自己和他人造成任何形式的伤害或损失;

6、 下载文件中如有侵权或不适当内容,请与我们联系,我们立即纠正。


线