

作品包括:
Word版说明书1份,共24页
CAD版本图纸,共12张
Proe三维图一套
一、塑件的成型工艺分析5
1.1塑件的分析5
1.2HIPS的性能分析5
1.3HIPS的注射成型过程及工艺参数6
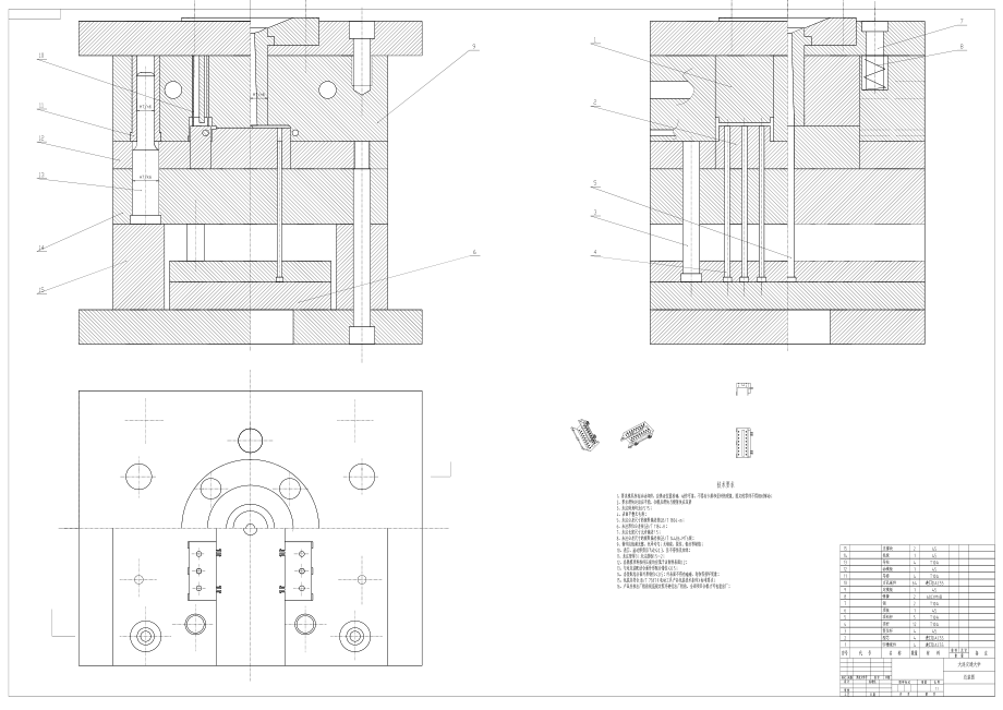
二、拟定模具的结构形式8
2.1分型面位置的确定8
2.2型腔数量和排列方式的确定8
2.3注塑机型号的确定8
三、浇注系统的设计10
3.1主流道的设计10
3.2分流道的设计11
3.3浇口的设计12
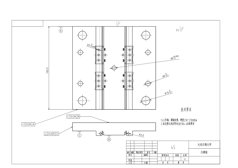
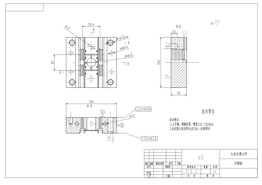
四、成型零件的结构设计及计算14
4.1成型零件的结构设计14
4.2成型零件钢材的选用14
4.3成型零件工作尺寸的计算14
五、模架的确定15
5.1模板尺寸的确定。 15
5.2模架的尺寸的校核15
六、排气槽的设计17
七、脱模机构的设计18
7.1脱模机构的选择18
7.2推杆推出机构设计18
八、模温调节系统的设计19
8.1温度调节对塑件质量的影响19
8.2冷却系统的简单计算19
8.3冷却水道在定模和动模中的位置20
九、导向与定位机构设计21
十、设计心得体会及总结24
谢辞25
参考文献26
温馨提示:
1、题目前面的备注【字母数字编号】为本站整理分类的编号,与课题内容无关,请选题时忽视;
2、若题目上备注三维,则表示文件里包含三维源文件,由于三维组成零件数量较多,为保证预览截图的简洁性,本站将三维文件夹进行了打包。三维及CAD预览截图,均为本站电脑打开软件进行截图的,保证能够打开,下载原件超高清,下载后解压即可;
3、本站所有资源如无特殊说明,都需要本地电脑安装Office2007。图纸软件为AutoCAD,PROE,UG,SolidWorks,CATIA等;
4、本站所有图文资料仅供用户学习参考,不作为任何商用或其他用途;
5、本站不保证下载资源的准确性、安全性和完整性, 不包修改,不支持退换,同时也不承担用户因使用这些下载资源对自己和他人造成任何形式的伤害或损失;
6、 下载文件中如有侵权或不适当内容,请与我们联系,我们立即纠正。