欢迎来到龙图网在线图文分享平台-CAD图纸,设计说明书,工业设计3D模型,三维软件下载!   客服QQ:2363701252
热搜:

工艺夹具 模具设计 数控编程 土木工程 3D模型

H197A-轴承座零件加工工艺规程及钻2-φ6孔夹具设计 下载积分:150 资料编号: H197A

1.打开支付宝或者微信扫描二维码。
2.填写金额:150 
3.添加备注,填写资料编号:
资料编号: H197A
4.支付成功后,请发资料编号到邮箱:jxsj168@qq.com
会有专人在15分钟内把资料发到您邮箱
备注:如果付款忘记填写资料编号,则发邮件时附带您的交易明细截图即可。
请耐心等待,如超过30分钟还没收到,请联系客服QQ:2363701252
点击分享:

作品描述

作品包括:

说明书一份,共18页,约6500字

CAD版本图纸,共4张

摘  要

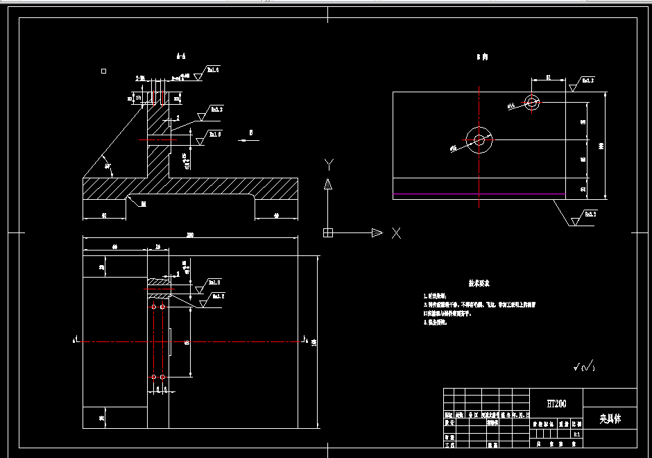
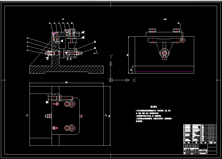
轴承座零件加工工艺及夹具设计是包括零件加工的工艺设计、工序设计以及专用夹具的设计三部分。在工艺设计中要首先对零件进行分析,了解零件的工艺再设计出毛坯的结构,并选择好零件的加工基准,设计出零件的工艺路线;接着对零件各个工步的工序进行尺寸计算,关键是决定出各个工序的工艺装备及切削用量;然后进行专用夹具的设计,选择设计出夹具的各个组成部件,如定位元件、夹紧元件、引导元件、夹具体与机床的连接部件以及其它部件;计算出夹具定位时产生的定位误差,分析夹具结构的合理性与不足之处,并在以后设计中注意改进。

关键词:工艺,工序,切削用量,夹紧,定位,误差

目   录

摘  要 I

Abstract II

1序言 1

2轴承座加工工艺规程设计 2

2.1零件的分析 2

2.1.1零件的作用 2

2.1.2零件的工艺分析 2

2.2确定生产类型 2

2.3确定毛坯 2

2.3.1确定毛坯种类 2

2.3.2确定铸件加工余量及形状 3

2.4工艺规程设计 3

2.4.1选择定位基准 3

2.4.2制定工艺路线 3

2.4.3选择加工设备和工艺设备 3

2.4.4机械加工余量、工序尺寸及公差的确定 4

2.5确定切削用量及基本工时 4

3 钻床夹具的设计 9

3.1 问题的提出 9

3.2定位基准的选择 9

3.3定位元件的设计 9

3.4定位误差分析 9

3.5切削力的计算与夹紧力分析 10

3.5.1切削力计算 10

3.5.2计算螺旋夹紧机构夹紧力 10

结束语 12

参考文献 13

致谢 14

温馨提示:

1、题目前面的备注【字母数字编号】为本站整理分类的编号,与课题内容无关,请选题时忽视;

2、若题目上备注三维,则表示文件里包含三维源文件,由于三维组成零件数量较多,为保证预览截图的简洁性,本站将三维文件夹进行了打包。三维及CAD预览截图,均为本站电脑打开软件进行截图的,保证能够打开,下载原件超高清,下载后解压即可;

3、本站所有资源如无特殊说明,都需要本地电脑安装Office2007。图纸软件为AutoCAD,PROE,UG,SolidWorks,CATIA等;

4、本站所有图文资料仅供用户学习参考,不作为任何商用或其他用途;
5、本站不保证下载资源的准确性、安全性和完整性, 不包修改,不支持退换,同时也不承担用户因使用这些下载资源对自己和他人造成任何形式的伤害或损失;

6、 下载文件中如有侵权或不适当内容,请与我们联系,我们立即纠正。


线