欢迎来到龙图网在线图文分享平台-CAD图纸,设计说明书,工业设计3D模型,三维软件下载!   客服QQ:2363701252
热搜:

工艺夹具 模具设计 数控编程 土木工程 3D模型

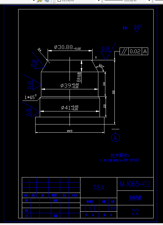
P241-有凸缘底带圆孔锥形件端盖的冲压成形工艺及模具设计-长60 下载积分:50 资料编号: P241

1.打开支付宝或者微信扫描二维码。
2.填写金额:50 
3.添加备注,填写资料编号:
资料编号: P241
4.支付成功后,请发资料编号到邮箱:jxsj168@qq.com
会有专人在15分钟内把资料发到您邮箱
备注:如果付款忘记填写资料编号,则发邮件时附带您的交易明细截图即可。
请耐心等待,如超过30分钟还没收到,请联系客服QQ:2363701252
点击分享:

作品描述

作品包括:

Word版说明书1份,共33页,约11000字

CAD版本图纸,共13张

全套.png

摘要:设计着重介绍了工件的成型工艺,及模具结构设计。通过对工件的工艺分析,确定了工艺方案。并设计了一套正装复合模具。在设计同时利用参考资料,确定了各工作零件的尺寸。并较多的考虑了模具结构的调整性、易更换性及模具成本。同时在模具设计内容中融汇了冲压模具的不同加工方法、加工工艺及装配工艺,对初学冲压模具模设计者有一定的参考价值。本设计从模具设计到零部件的加工工艺以及装配工艺等进行详细的阐述,并应用CAD进行各重要零件的设计。

关键词:   复合模。

目    录

1、绪论……………………………………………………………………………1

 1.1  国内模具的现状和发展趋势………………………………………………1

1.1.1国内模具的现状……………………………………………………………1

1.1.2国内模具的发展趋势………………………………………………………2

1.2   国外模具的现状和发展趋势………………………………………………2

2、冲压工件的工艺分析…………………………………………………………5

2.1   零件工艺性…………………………………………………………………5

2.2   工艺方案的确定……………………………………………………………6

3、工艺性计算……………………………………………………………………7

3.1   计算毛坯尺寸………………………………………………………………7

3.2 排样设计……………………………………………………………………7

3.3  条料宽度、导料板间距离和材料利用率的计算……………………………9

3.4计算凸、凹模刃口尺寸………………………………………………………9

3.41冲孔凸、凹模刃口尺寸的计算………………………………………………9

3.42 落料凸、凹模刃口尺寸的计算…………………………………………… 10  

3..43拉深凸、凹模尺寸的计算……………………………………………………11

3.44拉伸凸、凹模的圆角半径的计算……………………………………………12

3.5冲压力得计算…………………………………………………………………12

3.51.落料力、冲孔力、卸料力、推件力…………………………………………12

3.52.拉深力…………………………………………………………………………12

3.53.压边力…………………………………………………………………………13

3.54.顶件力…………………………………………………………………………14

4、模具工作部分的设计…………………………………………………………15

4.1落料凸、凹模的结构设计……………………………………………………15

4.2冲孔 6.5的凸模设计………………………………………………………15

4.3模柄……………………………………………………………………………15

4.4垫板……………………………………………………………………………16

4.5凸模固定板……………………………………………………………………16

4.6凸凹模固定板…………………………………………………………………17

4.7落料凹模………………………………………………………………………17

4.8卸料板…………………………………………………………………………18

4.9顶件块 ………………………………………………………………………19

4.10凸凹模…………………………………………………………………………20

4.11模具其它部件的选用…………………………………………………………20

4.12选用模架、确定闭合高度及总体尺寸………………………………………21

4.13.冲压设备的选择………………………………………………………………22

5、模具的装配……………………………………………………………………24

5.1模具总装图……………………………………………………………………25

结束语………………………………………………………………………………26

致谢 ………………………………………………………………………………28

参考文献……………………………………………………………………………29

温馨提示:

1、题目前面的备注【字母数字编号】为本站整理分类的编号,与课题内容无关,请选题时忽视;

2、若题目上备注三维,则表示文件里包含三维源文件,由于三维组成零件数量较多,为保证预览截图的简洁性,本站将三维文件夹进行了打包。三维及CAD预览截图,均为本站电脑打开软件进行截图的,保证能够打开,下载原件超高清,下载后解压即可;

3、本站所有资源如无特殊说明,都需要本地电脑安装Office2007。图纸软件为AutoCAD,PROE,UG,SolidWorks,CATIA等;

4、本站所有图文资料仅供用户学习参考,不作为任何商用或其他用途;
5、本站不保证下载资源的准确性、安全性和完整性, 不包修改,不支持退换,同时也不承担用户因使用这些下载资源对自己和他人造成任何形式的伤害或损失;

6、 下载文件中如有侵权或不适当内容,请与我们联系,我们立即纠正。


线