欢迎来到龙图网在线图文分享平台-CAD图纸,设计说明书,工业设计3D模型,三维软件下载!   客服QQ:2363701252
热搜:

工艺夹具 模具设计 数控编程 土木工程 3D模型

P257-门栓固定夹的冲压成形工艺与模具设计 下载积分:50 资料编号: P257

1.打开支付宝或者微信扫描二维码。
2.填写金额:50 
3.添加备注,填写资料编号:
资料编号: P257
4.支付成功后,请发资料编号到邮箱:jxsj168@qq.com
会有专人在15分钟内把资料发到您邮箱
备注:如果付款忘记填写资料编号,则发邮件时附带您的交易明细截图即可。
请耐心等待,如超过30分钟还没收到,请联系客服QQ:2363701252
点击分享:

作品描述

作品包括:

Word版说明书1份,共33页,约16000字

CAD版本图纸,共16张

全套.png

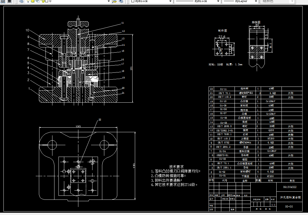
摘  要:本设计题目为复合模具设计,包括落料、冲孔和弯曲等工序的模具设计,体现了典型复合模具设计的要求,内容与方向。通过工艺分析以及工艺方案的确定,确定了模具设计的方向, 对毛坯尺寸的确定,冲裁力以及压力中心的计算,初步选择压力机和压力机的吨位,并对其进行校核。

    本设计运用了冲裁工艺、弯曲工艺及模具设计的基础知识。首先,分析了板材的性能要求,为选去模具的类型做了准备,同时,也为凸,凹模的材料有了依据。后分析冲裁件的特征,确定了模具设计参数,选择其他零件及卸料装置。也为凸、凹模、凸凹模尺寸的计算有了根据,同时也为零件的加工工艺性提供了依据。

关键词:  复合模  凸模  凹模  凸凹模   弯曲模 

目  录

1.绪论…………………………………………………………………….1

1.1国内模具的现状和发展趋势…………………………………………………1

1.1.1国内模具的现状……………………………………………………………1

1.1.2国内模具的发展趋势………………………………………………………1

1.2国外模具的现状和发展趋势……………………………………......................3

1.3冲裁复合模及弯曲模具设计与制造方面……………………………………3

1.3.1冲裁复合模及弯曲模具设计的设计思路 …………………………………3

1.3.2冲裁复合模及弯曲模具设计的进度………………………………………3

2.固定夹冲压工艺的分析……………………………………………………………4

2.1制件的工艺性分析……………………………………………………………4

2.2制件的工艺计算和工艺方案的确定…………………………………………4

2.2.1工艺方案的分析和确定……………………………………………………4

2.2.2 毛坯尺寸的计算……………………………………………………………5

2.2.3排样和裁板方案的选择……………………………………………………6

2.3 冲压力的计算及冲压设备的选择……………………………………………8

2.3.1 落料与冲孔复合工序冲压力的计算………………………………………8

2.3.2 弯曲工序冲压力的计算……………………………………………………8

2.3.3 压力中心的确定……………………………………………………………8

2.3.4落料与冲孔复合工序冲压设备的选择……………………………………9

2.3.5弯曲工序冲压设备的选择…………………………………………………9

3.模具的结构设计………………………………………………………………… 10

3.1模具工作部分计算…………………………………………………………10

3.1.1落料冲孔复合模的尺寸计算……………………………………………10

3.1.2弯曲模具的尺寸计算……………………………………………………11

3.2模具的总体设计……………………………………………………………12

3.2.1落料与冲孔复合工序模具的总体设计…………………………………12

3.2.2半圆形弯曲工序模具的总体设计………………………………………12

3.3模具主要零部件的设计……………………………………………………12

3.3.1落料凹模的结构设计……………………………………………………12

3.3.2冲直径为3.5㎜孔凸模的结构设计……………………………………13

3.3.3冲裁模具中凸凹模的结构设计…………………………………………14

3.3.4冲裁模具中弹性元件的结构设计………………………………………14

3.3.5冲裁模具中定位零件的结构设计………………………………………15

3.3.6冲裁模模架的设计………………………………………………………16

3.3.7半圆形弯曲凸、凹模的设计……………………………………………16

3.3.8弯曲模具中导向零件的结构设计………………………………………17

3.3.9半圆形弯曲模架的设计…………………………………………………17

4.模具的安装与调试………………………………………………………………18

4.1 模具的装配…………………………………………………………………18

4.1.1模具的安装要求…………………………………………………………18

4.1.2冲裁模的安装……………………………………………………………19

4.1.3弯曲模的安装……………………………………………………………20

4.2模具的调试…………………………………………………………………21

4.2.1冲裁模的调试要点………………………………………………………21

4.2.2冲裁模的调试方法………………………………………………………22

4.2.3冲裁模试冲时出现的问题及调试方法…………………………………22

4.2.4弯曲模的调试要点………………………………………………………24

4.2.5弯曲模的调试方法………………………………………………………25

4.2.6弯曲模试冲时初选的问题及调试方法…………………………………25

5.结束语…………………………………………………………………………27

致谢………………………………………………………………………………28

参考文献……………………………………………………………………………29

温馨提示:

1、题目前面的备注【字母数字编号】为本站整理分类的编号,与课题内容无关,请选题时忽视;

2、若题目上备注三维,则表示文件里包含三维源文件,由于三维组成零件数量较多,为保证预览截图的简洁性,本站将三维文件夹进行了打包。三维及CAD预览截图,均为本站电脑打开软件进行截图的,保证能够打开,下载原件超高清,下载后解压即可;

3、本站所有资源如无特殊说明,都需要本地电脑安装Office2007。图纸软件为AutoCAD,PROE,UG,SolidWorks,CATIA等;

4、本站所有图文资料仅供用户学习参考,不作为任何商用或其他用途;
5、本站不保证下载资源的准确性、安全性和完整性, 不包修改,不支持退换,同时也不承担用户因使用这些下载资源对自己和他人造成任何形式的伤害或损失;

6、 下载文件中如有侵权或不适当内容,请与我们联系,我们立即纠正。


线