

作品包括:
Word版说明书1份,共12页,约6400字
PPT答辩一份
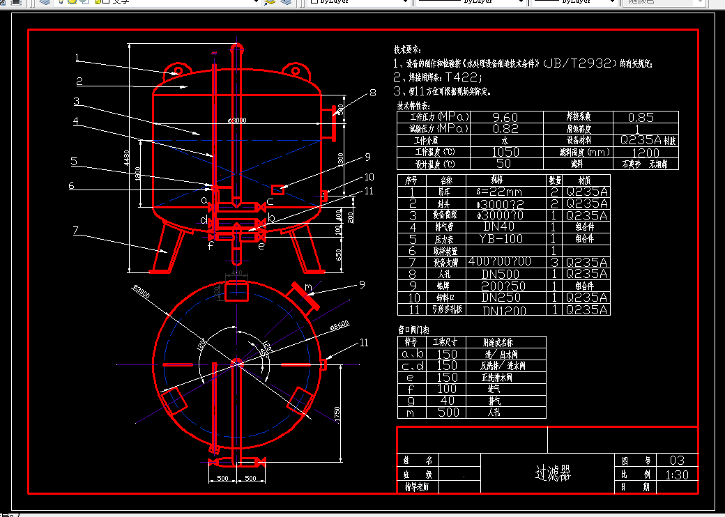
CAD版本图纸,共4张

目录
1前言 3
1.1 设计依据及要求 3
1.2 项目建议及可行性研究 4
1.3 设计原则 4
1.4 设计特点 4
1.5 厂址选择 4
2 工艺设计 4
2.1 生产规模及生产制度 4
2.1.1 日处理量及班产量的确定 4
2.1.2 生产制度 4
2.2 消毒乳工艺流程的确定及其论证 4
2.2.1 工艺流程 5
2.2.2 工艺论证 5
2.2.3 原料乳的检验 6
2.2.4 原料乳的预处理 7
2.2.5 原料乳的标准化 8
2.2.6 均质前的预热杀菌 8
2.2.7 均质 8
2.2.8 巴氏杀菌 8
2.2.9 灌装、封口 8
2.2.10 贮存和分销 9
3物料衡算 9
3.1消毒乳标准计算 9
3.2消毒乳损耗计算 9
4设备选型 10
4.1设备选型的原则 10
4.2设备生产能力计算及设备选型 10
4.2.1原料乳收购过程中的耗冷量 10
4.2.2原料乳标准化阶段 10
4.2.3物料标准化后的冷却阶段 10
4.2.4巴氏杀菌过程 10
4.2.5冷却水的损耗量 11
4.2.6冷库面积计算 11
4.2.7设备一览表 11
5参考文献 11
6结束语 12
温馨提示:
1、题目前面的备注【字母数字编号】为本站整理分类的编号,与课题内容无关,请选题时忽视;
2、若题目上备注三维,则表示文件里包含三维源文件,由于三维组成零件数量较多,为保证预览截图的简洁性,本站将三维文件夹进行了打包。三维及CAD预览截图,均为本站电脑打开软件进行截图的,保证能够打开,下载原件超高清,下载后解压即可;
3、本站所有资源如无特殊说明,都需要本地电脑安装Office2007。图纸软件为AutoCAD,PROE,UG,SolidWorks,CATIA等;
4、本站所有图文资料仅供用户学习参考,不作为任何商用或其他用途;
5、本站不保证下载资源的准确性、安全性和完整性, 不包修改,不支持退换,同时也不承担用户因使用这些下载资源对自己和他人造成任何形式的伤害或损失;
6、 下载文件中如有侵权或不适当内容,请与我们联系,我们立即纠正。