

作品包括:
Word版说明书1份,共34页,约12000字
CAD版本图纸,共9张
Proe 3D工件图1张

摘要:本文是对精度要求相对较高,工艺比较复杂,生产批量大的锁紧片进行设计。在对锁紧片结构工艺性和材料加工工艺性正确分析的基础上,采用叙述与计算相结合的方式,分别对级进模的冲孔、落料等工序进行了从材料的选择到工作零件、定位零件、卸料零件、导向零件和安装固定零件等进行了设计。讨论了思路的可行性,并对其进行了整体和局部的结构设计。此级进模的设计,对以往的学习进行了一次综合性的运用,对今后的工作也有相当大的指导意义。
通过对课题的冲压工艺的分析及模具零件的计算后,首先对主要的工作零件以及非标零件进行二维图的绘制,并且绘制本套模具的装配图;其次对主要工作零件的加工进行工艺卡片的编制。
关键词:工艺分析;零件设计;模具装配
目录
第一章绪论1
第二章冲压件工艺分析2
2.1材料分析2
2.2零件结构2
2.3尺寸精度3
第三章冲裁方案的确定4
3.1冲裁工艺方案的确定4
3.2冲裁工艺方法的选择4
第四章模具总体结构的确定6
4.1模具类型的选择6
4.2送料方式的选择6
4.3定位方式的选择6
4.4卸料、出件方式的选择6
4.5导向方式的选择6
第五章工艺参数计算8
5.1排样方式的选择8
5.1.1排样及搭边值的计算8
5.1.2步距的计算8
5.1.3条料宽度的确定9
5.1.4材料利用率的计算9
5.2冲压力的计算10
5.2.1总冲裁力的计算10
5.2.2卸料力、推件力的计算11
5.2.3弯曲力的计算12
5.2.4总冲压力的计算13
5.2.4初选压力机13
第六章刃口尺寸计算14
6.1冲裁间隙的确定14
6.2刃口尺寸的计算及依据与法则15
6.3弯曲工作部分尺寸计算17
第七章主要零部件设计18
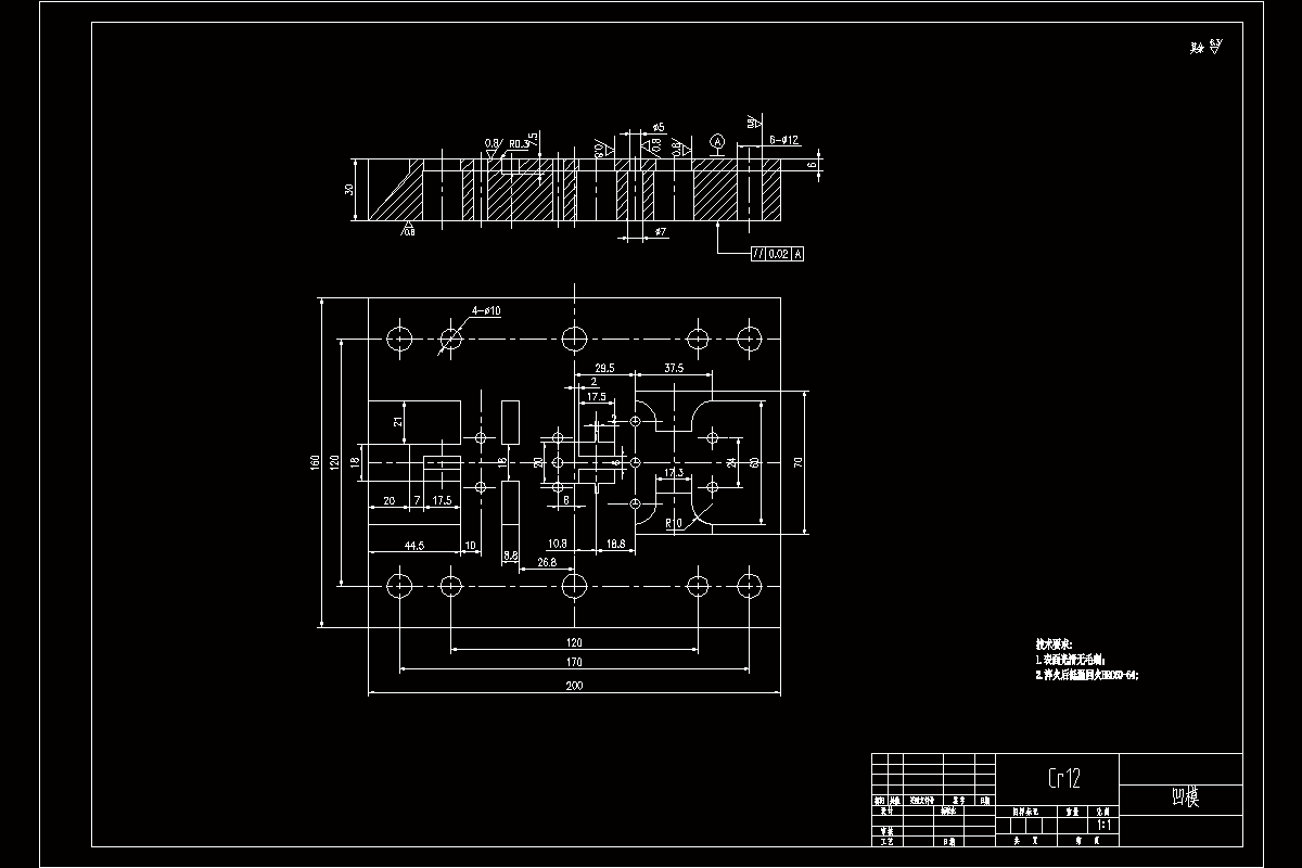
7.1凹模设计18
7.1.1凹模外形的确定18
7.1.2凹模刃口结构形式的选择19
7.1.3凹模精度与材料的确定19
7.2凸模的设计19
7.2.1凸模结构的确定19
7.2.2凸模高度的确定19
7.2.3凸模材料的确定20
7.2.4凸模精度的确定20
7.2.5凸模的强度校核20
7.3卸料板的设计21
7.3.1卸料板外型设计21
7.3.2卸料板材料的选择21
7.3.3卸料板整体精度的确定22
7.4固定板的设计22
7.5垫板的设计22
7.6上下模座、模柄的选用23
7.6.1上下模座的选用23
7.6.2模柄的选用23
7.7螺钉、销钉的选用24
第八章冲压设备的校核与选定25
8.1冲压设备的校核25
8.2冲压设备的选用25
结论26
致谢27
参考文献28
温馨提示:
1、题目前面的备注【字母数字编号】为本站整理分类的编号,与课题内容无关,请选题时忽视;
2、若题目上备注三维,则表示文件里包含三维源文件,由于三维组成零件数量较多,为保证预览截图的简洁性,本站将三维文件夹进行了打包。三维及CAD预览截图,均为本站电脑打开软件进行截图的,保证能够打开,下载原件超高清,下载后解压即可;
3、本站所有资源如无特殊说明,都需要本地电脑安装Office2007。图纸软件为AutoCAD,PROE,UG,SolidWorks,CATIA等;
4、本站所有图文资料仅供用户学习参考,不作为任何商用或其他用途;
5、本站不保证下载资源的准确性、安全性和完整性, 不包修改,不支持退换,同时也不承担用户因使用这些下载资源对自己和他人造成任何形式的伤害或损失;
6、 下载文件中如有侵权或不适当内容,请与我们联系,我们立即纠正。