

作品包括:
Word版说明书1份,共33页,约21000字
PPT答辩一份
CAD版本图纸,共8张

摘要
在国内经济飞快发展的当下,中国市场塑料挂钩行业在过去五年用户消费规模越来越大,同比增长速度越来越快,占整个挂钩制造的30%左右,而且在未来几年,塑料挂钩的生产规模将会越来越大,消费需求也会越来越高。现阶段塑料挂钩都采用注塑的加工方法。
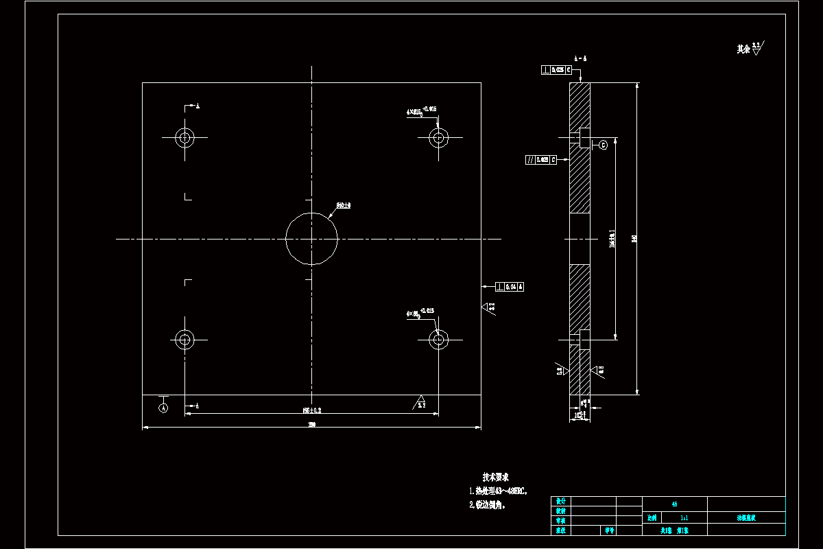
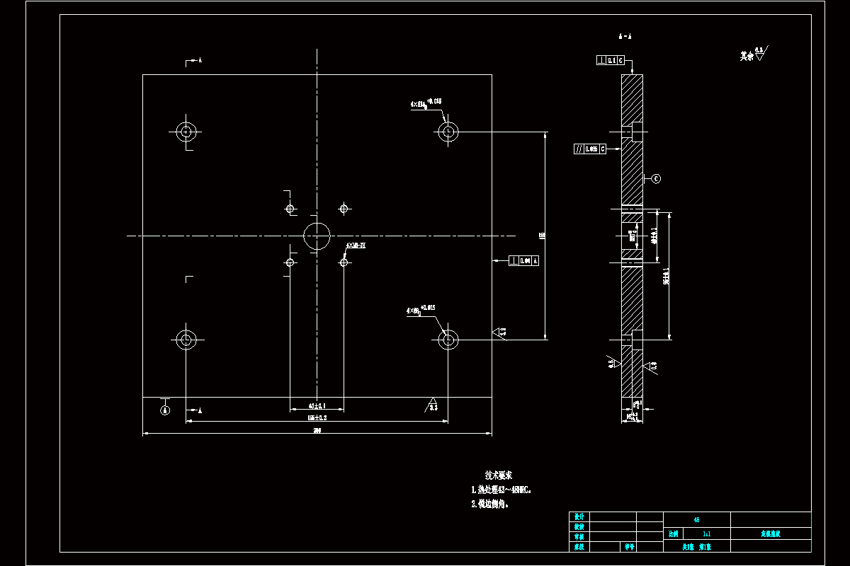
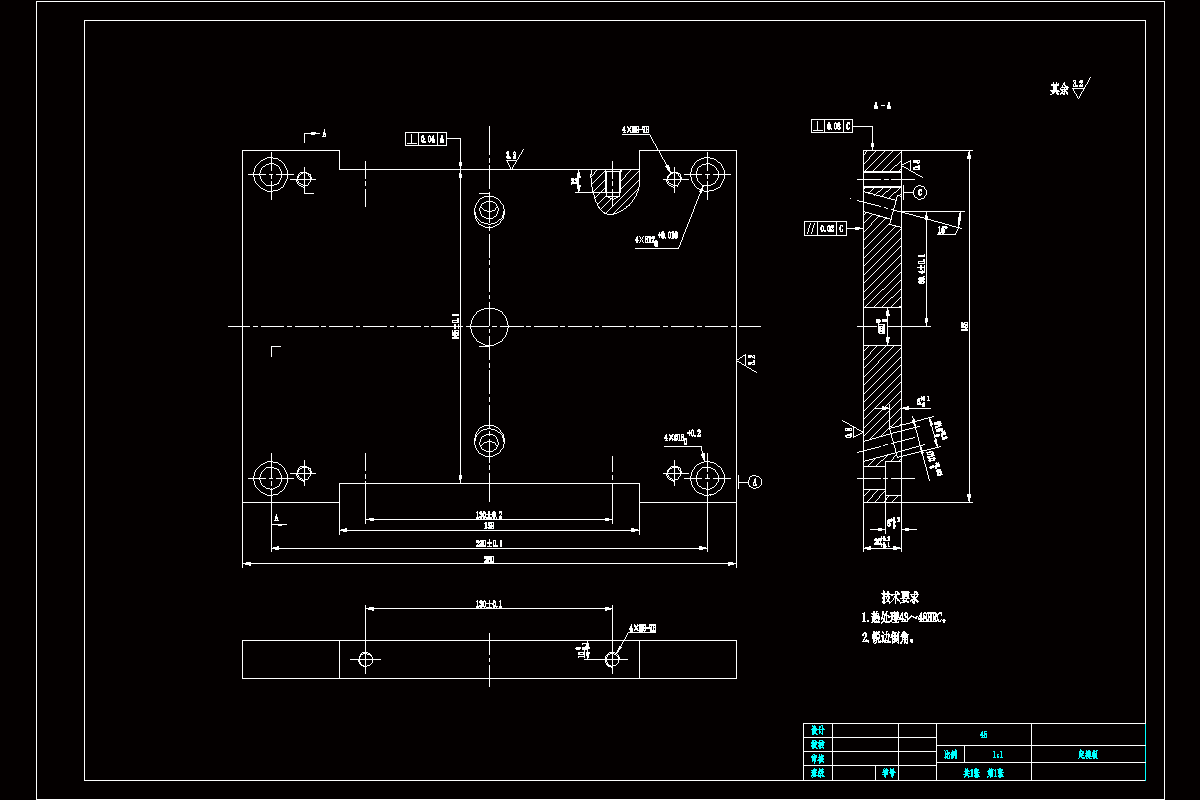
在制作塑料挂钩模具的过程中都是基于UG软件来完成,首先是分型面的设计通过UG软件对塑料挂钩注塑模具进行拔模分析。其次是对于浇注系统的设计,采用一模两腔的设计结构对挂钩进行设计,然后通过UG软件对模具型腔进行设计加工,确定模腔和型芯的尺寸。最后是模架的生成,利用UG软件的注塑模向导功能模块,生成装配体后,加入型腔和型芯,再添加顶杆、拉料杆、浇口套等零件,使用腔体剪切功能,在模板上生成相应的腔体,最终得到一套完整的模具结构图。设计一开始对模具的零件、工艺性能、材料等等进行选择和确定。而后确定了挂钩的注塑机,设计挂钩的浇注系统;为保证挂钩能够顺利脱模,设计脱模机构;设计挂钩的冷却系统等等。通过前面一整套的设计与制作,绘制模具的装配图还有主要零部件图等。
温馨提示:
1、题目前面的备注【字母数字编号】为本站整理分类的编号,与课题内容无关,请选题时忽视;
2、若题目上备注三维,则表示文件里包含三维源文件,由于三维组成零件数量较多,为保证预览截图的简洁性,本站将三维文件夹进行了打包。三维及CAD预览截图,均为本站电脑打开软件进行截图的,保证能够打开,下载原件超高清,下载后解压即可;
3、本站所有资源如无特殊说明,都需要本地电脑安装Office2007。图纸软件为AutoCAD,PROE,UG,SolidWorks,CATIA等;
4、本站所有图文资料仅供用户学习参考,不作为任何商用或其他用途;
5、本站不保证下载资源的准确性、安全性和完整性, 不包修改,不支持退换,同时也不承担用户因使用这些下载资源对自己和他人造成任何形式的伤害或损失;
6、 下载文件中如有侵权或不适当内容,请与我们联系,我们立即纠正。