

作品包括:
Word版说明书1份,共48页
CAD版本图纸,共5张

摘要
塑料工业是一门重要的基础性产业。从塑件产生到现在经过了几十年的发展在人们生活中占有越来越重要的地位。塑料材质来源广泛,制作方便、成本低廉。随着不断的研究塑件的性能越来越好,替代了一些金属的材料,在我国的各行各业中都有大规模的运用,同时在发展的过程中,人们对于塑料制品的数量和质量都有愈来愈高的要求,这就使我们对于注塑模具的研究具有了重要的意义。
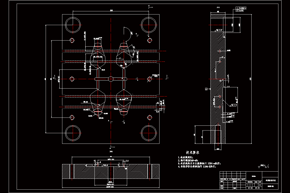
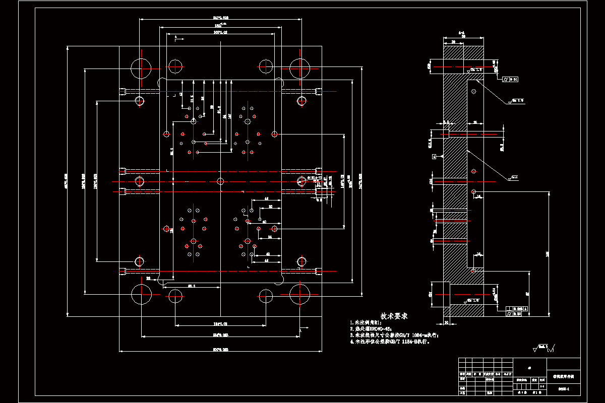
本设计通过对修正带外壳底座注塑模具的设计介绍了塑件成型的过程及设计步骤,经过工艺分析后设计了一模四腔的修正带外壳底座注塑模具,设计了模具的成型系统、推出机构、冷却系统、浇注系统,使用侧浇口两板模结构,采用推管和推杆组合使用的推出机构,优化模具整体结构,将模具变的简单可靠。灵活运用CAD对零件进行CAD建模,绘制各个零件的CAD图。通过绘制凸凹模CAD图,选择模架,设计流道,水道等绘制了完整的模具CAD图,较为立体地表示了模具的装配关系。
温馨提示:
1、题目前面的备注【字母数字编号】为本站整理分类的编号,与课题内容无关,请选题时忽视;
2、若题目上备注三维,则表示文件里包含三维源文件,由于三维组成零件数量较多,为保证预览截图的简洁性,本站将三维文件夹进行了打包。三维及CAD预览截图,均为本站电脑打开软件进行截图的,保证能够打开,下载原件超高清,下载后解压即可;
3、本站所有资源如无特殊说明,都需要本地电脑安装Office2007。图纸软件为AutoCAD,PROE,UG,SolidWorks,CATIA等;
4、本站所有图文资料仅供用户学习参考,不作为任何商用或其他用途;
5、本站不保证下载资源的准确性、安全性和完整性, 不包修改,不支持退换,同时也不承担用户因使用这些下载资源对自己和他人造成任何形式的伤害或损失;
6、 下载文件中如有侵权或不适当内容,请与我们联系,我们立即纠正。