

作品包括:
Word版说明书1份,共36页,约20000字
开题报告一份
PPT答辩一份
外文翻译一份
CAD版本图纸,共13张


摘要
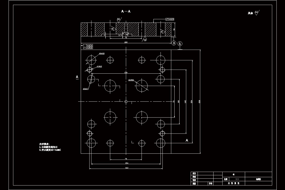
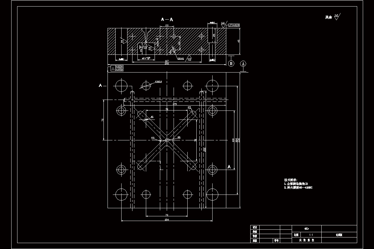
塑料工业是一门重要的基础性产业。从塑件产生到现在经过了几十年的发展在人们生活中占有越来越重模具是一种工业产品,结构是一种特定的形式,再通过一定的方法让注进去的材料成型,它也是一种生产工具,能够大批量的生产出那些工业产品零部件等等,这些零件都有指定的形状和规定的大小尺寸。绝大多数的工业产品都得利用模具来成型,大的有飞机、汽车这些交通工具,小的有茶杯、螺丝钉这些小配件。用模具来生产制造时必须要精度很高、一致性也要高、生产率高效,其它工业上的任何加工方法都比不了。产品的质量好不好、效益高不高以及新产品的开发能力如何很大程度上都是由模具来决定的。所以模具得到一个荣誉称号就是“工业之母”。
本次设计的题目是化妆品瓶盖注塑模设计。在对其进行设计之前我通过资料和查看,对该产品了解深刻。主要设计的内容有:对产品的性能掌握,对塑件的体积进行了估算,选择了较为合适的注塑机,对模具的设计和制造参数进行明确。
本次设计的零件因为有内存有螺纹,设计脱模机构采用旋转脱模。另外本次设计的零件和采用的模具都不大,最后选择手动脱模
温馨提示:
1、题目前面的备注【字母数字编号】为本站整理分类的编号,与课题内容无关,请选题时忽视;
2、若题目上备注三维,则表示文件里包含三维源文件,由于三维组成零件数量较多,为保证预览截图的简洁性,本站将三维文件夹进行了打包。三维及CAD预览截图,均为本站电脑打开软件进行截图的,保证能够打开,下载原件超高清,下载后解压即可;
3、本站所有资源如无特殊说明,都需要本地电脑安装Office2007。图纸软件为AutoCAD,PROE,UG,SolidWorks,CATIA等;
4、本站所有图文资料仅供用户学习参考,不作为任何商用或其他用途;
5、本站不保证下载资源的准确性、安全性和完整性, 不包修改,不支持退换,同时也不承担用户因使用这些下载资源对自己和他人造成任何形式的伤害或损失;
6、 下载文件中如有侵权或不适当内容,请与我们联系,我们立即纠正。