

作品包括:
Word版说明书1份,共40页
任务书一份
开题报告一份
外文翻译一份
CAD版本图纸,共10张
UG三维图一份
仿真动画视频一份


摘要
本文是针对玩具小车上盖的注塑模具设计与工艺分析。首先对玩具小车上盖进行三维设计,并且对其进行结构分析。然后根据玩具车上盖的结构分析其工艺特点,主要包括材料工艺特性、制件的工艺结构特点,然后根据工艺选择注射机,并对注射机的参数进行校核。接着进行注塑模工艺设计,主要包括分型面设计、型腔数量和布局设计、浇注系统设计、模架选择、推出机构设计和冷却系统设计,其中分型面设计和浇注系统设计是重点设计内容,其设计结果需要进行模流分析验证。最后对所设计的零件进行装配并给出最终设计结果。
本文设计过程中主要使用UG NX 8.5/ MOLDWIZARD经行设计,用到的设计内容包括三维造型、模具设计、分型面设计、浇注系统设计和冷却系统设计,最终结果由UG装配完成。
目录
引言1
1产品的工艺分析2
1.1外型设计2
1.2产品材料的确定2
1.2.1 ABS常规性能2
1.2.2 ABS的成型工艺2
1.3产品的工艺分析3
1.3.1产品的尺寸和表面质量3
1.3.2壁厚3
1.3.3脱模斜度设计5
1.3.4加强筋设计5
1.3.5圆角设计6
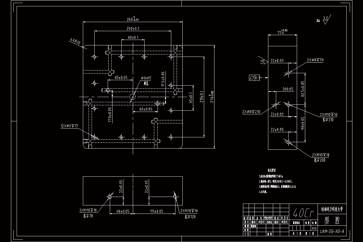
2模具结构的设计7
2.1确定型腔数目7
2.2型腔布局方式7
3注射机型号的确定9
3.1注塑机的结构9
3.2注塑机的类型9
3.3注塑机的选择9
3.3.1所需注射量的计算、塑件质量、体积计算9
3.3.2浇注系统凝料体积的初步估算10
3.3.3注射机型号的确定10
3.4注塑机的校核11
3.4.1注射量的校核11
3.4.2注射压力校核11
3.4.3锁模力校核12
3.4.4开模行程和模板安装尺寸校核12
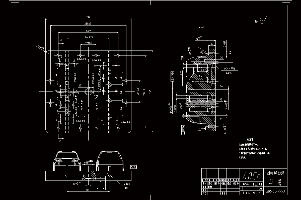
4成型零件设计13
4.1分型面的设计13
4.2成型零部件的结构设计14
4.2.1型芯和型腔的结构设计14
4.2.2型芯和型腔尺寸的确定15
4.2.3型芯和型腔的固定方式15
5浇注系统的设计16
5.1浇注系统的组成16
5.2浇注系统的设计原则16
5.3主流道的设计17
5.4分流道的设计17
5.5浇口的设计18
5.6浇口位置的选择19
5.7冷料穴和拉料杆设计19
5.8浇注系统的设计结果20
6排气系统设计21
7产品填充分析22
7.1产品填充分析的意义22
7.2产品填充分析的结果22
8标准模架的选取23
8.1标准模架的选择23
8.2模架的尺寸计算24
9推出机构设计25
9.1推出机构的设计要求25
9.2推出机构布局的设计25
9.3推杆设计25
10冷却系统设计28
10.1控制模具温度的重要性28
10.2冷却系统设计的原则28
10.3冷却系统的设计28
11其他零件设计31
11.1镶件固定用螺钉的设计31
11.2限位钉和支撑柱的设计32
11.3复位弹簧设计32
11.4侧定位块设计32
11.5模具的总装配32
12设计总结33
谢辞34
参考文献35
温馨提示:
1、题目前面的备注【字母数字编号】为本站整理分类的编号,与课题内容无关,请选题时忽视;
2、若题目上备注三维,则表示文件里包含三维源文件,由于三维组成零件数量较多,为保证预览截图的简洁性,本站将三维文件夹进行了打包。三维及CAD预览截图,均为本站电脑打开软件进行截图的,保证能够打开,下载原件超高清,下载后解压即可;
3、本站所有资源如无特殊说明,都需要本地电脑安装Office2007。图纸软件为AutoCAD,PROE,UG,SolidWorks,CATIA等;
4、本站所有图文资料仅供用户学习参考,不作为任何商用或其他用途;
5、本站不保证下载资源的准确性、安全性和完整性, 不包修改,不支持退换,同时也不承担用户因使用这些下载资源对自己和他人造成任何形式的伤害或损失;
6、 下载文件中如有侵权或不适当内容,请与我们联系,我们立即纠正。