

作品包括:
Word版说明书1份,共39页
CAD版本图纸,共5张
摘要
注塑模具是用来生产塑胶制品的工具;是用来赋予塑胶制品完整的结构的,也是用来赋予塑胶制品精确尺寸的工具。
注塑模具可分为两大类,一种是按成型特性区可分为热固性塑胶模具和热塑性塑胶模具,另外一种是按成型工艺区可分为吹塑模、传塑模、热成型模、铸塑模、注射模、热压模(压塑模)等,其中热压模以溢料方式又可以分为溢式、半溢式、不溢式三种类型,注射模以浇注系统又可以分为冷流道模和热流道模两种类型;以装卸方式可以分为移动式和固定式两种类型。
注塑模具是由两部分组成,分别是动模和定模。注射机的移动模板上安装动模,注射机的固定模板上安装定模。浇注系统和型腔是在注射成型的时候动模与定模闭合构成的,开模时动模和定模分开以便于取出塑料制品。
每个模具的基本结构都是一致的,但是根据塑料的品种和性能、塑料制品的形状及结构以及注射机的种类等不同还是有差别的。模具的构成是由浇注系统、调温系统、成型零件以及结构零件组成的。塑模中最复杂的,变化最大的,要求精度和光洁度最严格的是浇注系统和成型零件。因为他们是直接与塑料接触的,并随塑料和制品的变化而变化。
浇注系统是指塑料从注射机的射嘴进入型腔之前的流道部分,是由主流道、分流道、冷料穴和浇口组成的。成型零件是指组成制品形状的各种零件,是由动模、定模、型腔、型芯、成型杆和排气口等组成的。
本次设计的课题为中号钳柄注塑模具的设计,通过对于塑料制品图的分析,了解塑件的形状大孝尺寸、公差和材料名称、设计基准、牌号、表面要求等要求。对注塑模具的6大基础部分:分型面的设计,浇注系统的设计,冷却系统的设计,排气系统的设计进行设计。正确制定注塑模具的加工工艺路线,合理的去选择各个模板的加工工艺。最后对模具的结构与注射成型机的匹配进行校核。并且绘制了一套模具的装配图以及零件图。
通过这次对钳柄注塑模具的设计过程,我掌握了更多的模具设计和制造过程,为我将来的发展打下了良好的基矗
关键词:钳柄注塑模具;注射成型;模具设计
目录
第一章绪论1
第二章塑料材料分析2
2.1基本特性2
2.2主要用途2
2.3成型特性2
第三章分析塑料制品的工艺性4
3.1塑料制品公差和表面质量粗糙度4
3.2塑件结构工艺性分析4
3.2.1塑件的几何结构主要包括4
3.2.2塑件在模具中成形结束时,可能会出现下列情况4
3.2.3脱模斜度4
第四章注射机的选择5
4.1塑料制品基本参数的计算及注射机选用5
4.1.1制品体积5
4.1.2注射机选择5
4.2浇口种类选择6
4.2.1浇口设计6
4.2.2浇口选择6
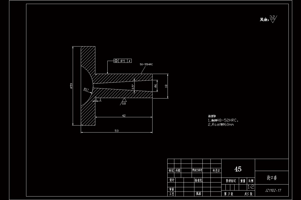
4.2.3浇口套设计7
第五章浇注系统的确定9
5.1分型面的设计9
5.2型腔的数目和布局10
5.2.1确定型腔数目: 10
5.2.2型腔的布局: 10
5.3浇注系统的设计10
5.3.1主流道的设计11
5.3.2分流道的设计12
5.3.3冷料穴的设计12
第六章注射模具结构设计14
6.1型芯尺寸及结构设计14
6.1.1型芯径向尺寸计算15
6.2型腔尺寸及结构设计17
6.3模具结构设计21
6.3.1型腔的设计22
6.4模套的设计23
6.5模具结构图24
6.6模具与成型机械关系的校核25
6.6.1制品体积25
6.6.2流道体积25
6.7注射机的校核27
6.7.1最大注射量的校核27
6.7.2注射压力的校核27
6.7.3锁模力校核27
6.7.4拉杆间距的校核27
6.7.5开模行程的校核27
6.7.6模具厚度的校核28
6.8推出机构28
6.9导向支承紧固复位机构28
6.10冷却系统29
参考文献30
致谢31
温馨提示:
1、题目前面的备注【字母数字编号】为本站整理分类的编号,与课题内容无关,请选题时忽视;
2、若题目上备注三维,则表示文件里包含三维源文件,由于三维组成零件数量较多,为保证预览截图的简洁性,本站将三维文件夹进行了打包。三维及CAD预览截图,均为本站电脑打开软件进行截图的,保证能够打开,下载原件超高清,下载后解压即可;
3、本站所有资源如无特殊说明,都需要本地电脑安装Office2007。图纸软件为AutoCAD,PROE,UG,SolidWorks,CATIA等;
4、本站所有图文资料仅供用户学习参考,不作为任何商用或其他用途;
5、本站不保证下载资源的准确性、安全性和完整性, 不包修改,不支持退换,同时也不承担用户因使用这些下载资源对自己和他人造成任何形式的伤害或损失;
6、 下载文件中如有侵权或不适当内容,请与我们联系,我们立即纠正。