

作品包括:
Word版说明书1份,共33页,约10000字
工序卡11张
工艺过程卡1张
CAD版本图纸,共4张

摘要
本次设计内容涉及了机械制造工艺及机床夹具设计、金属切削机床、公差配合与测量等多方面的知识。
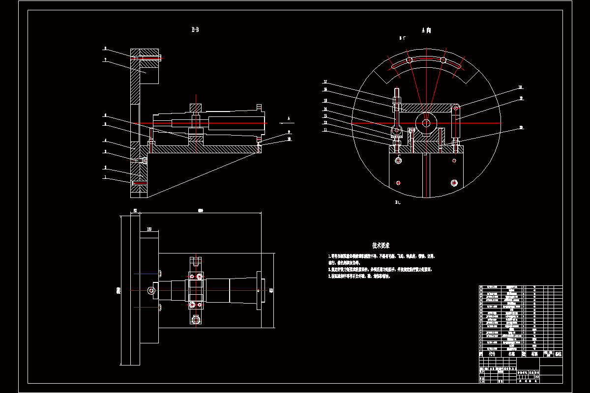
本次设计内容包含了滚齿机主轴的的工艺设计、工序设计以及车右端面;精车Φ204右端面;精车Φ69孔至Φ70H9的车床夹具的设计三部分。在工艺设计中要首先对零件进行分析,了解零件的工艺再设计出毛坯的结构,并选择好零件的加工基准,设计出零件的工艺路线;接着对零件各个工步的工序进行尺寸计算,关键是决定出各个工序的工艺装备及切削用量;然后进行专用夹具的设计,选择设计出夹具的各个组成部件,如定位元件、夹紧元件、引导元件、夹具体与机床的连接部件以及其它部件;计算出夹具定位时产生的定位误差,分析夹具结构的合理性与不足之处,并在以后设计中注意改进。
关键词:滚齿机主轴;工序;夹具设计;切削用量
目录
第1章计算生产纲领、确定生产类型1
1.1生产纲领1
1.2生产类型1
第2章零件分析2
2.1零件图分析2
2.2结构工艺性分析2
2.3零件的技术要求分析3
第3章工艺规程设计4
3.1定位基准的选择4
3.1.1粗基准的选择4
3.1.2精基准的选择4
3.2制定加工工艺路线5
3.3加工工序设计、工序尺寸计算5
3.4选择切削用量、确定时间定额6
第4章车床夹具设计27
4.1问题的提出27
4.2定位分析27
4.3夹紧力计算27
4.4定位误差分析28
致谢30
参考文献31
温馨提示:
1、题目前面的备注【字母数字编号】为本站整理分类的编号,与课题内容无关,请选题时忽视;
2、若题目上备注三维,则表示文件里包含三维源文件,由于三维组成零件数量较多,为保证预览截图的简洁性,本站将三维文件夹进行了打包。三维及CAD预览截图,均为本站电脑打开软件进行截图的,保证能够打开,下载原件超高清,下载后解压即可;
3、本站所有资源如无特殊说明,都需要本地电脑安装Office2007。图纸软件为AutoCAD,PROE,UG,SolidWorks,CATIA等;
4、本站所有图文资料仅供用户学习参考,不作为任何商用或其他用途;
5、本站不保证下载资源的准确性、安全性和完整性, 不包修改,不支持退换,同时也不承担用户因使用这些下载资源对自己和他人造成任何形式的伤害或损失;
6、 下载文件中如有侵权或不适当内容,请与我们联系,我们立即纠正。