

作品包括:
Word版说明书1份,共35页
CAD版本图纸,共5张
UG三维图一份
摘要
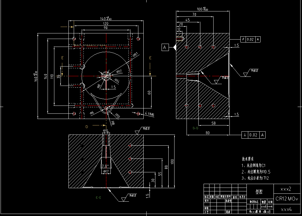
本设计是注塑模具的设计,设计了浇注系统,脱模系统,冷却系统等,在分型面的选择上找了最大的横截面,在塑料产品成型脱出后,使用复位杆复位。计算了塑件的尺寸,确定尺寸精度,选择了注射机的型号并作出了以下的校核:注塑机参数,包括厚度,模具安装尺寸,模具闭模行程,注塑机锁模力等参数。在设计过程中,为了更清晰地表达的模具的内部结构,利用CAD软件绘制了模具装配图和模具的局部图。
1332428
温馨提示:
1、题目前面的备注【字母数字编号】为本站整理分类的编号,与课题内容无关,请选题时忽视;
2、若题目上备注三维,则表示文件里包含三维源文件,由于三维组成零件数量较多,为保证预览截图的简洁性,本站将三维文件夹进行了打包。三维及CAD预览截图,均为本站电脑打开软件进行截图的,保证能够打开,下载原件超高清,下载后解压即可;
3、本站所有资源如无特殊说明,都需要本地电脑安装Office2007。图纸软件为AutoCAD,PROE,UG,SolidWorks,CATIA等;
4、本站所有图文资料仅供用户学习参考,不作为任何商用或其他用途;
5、本站不保证下载资源的准确性、安全性和完整性, 不包修改,不支持退换,同时也不承担用户因使用这些下载资源对自己和他人造成任何形式的伤害或损失;
6、 下载文件中如有侵权或不适当内容,请与我们联系,我们立即纠正。