

作品包括:
Word版说明书1份,共23页
CAD版本图纸,共5张
UG三维图一份
摘要
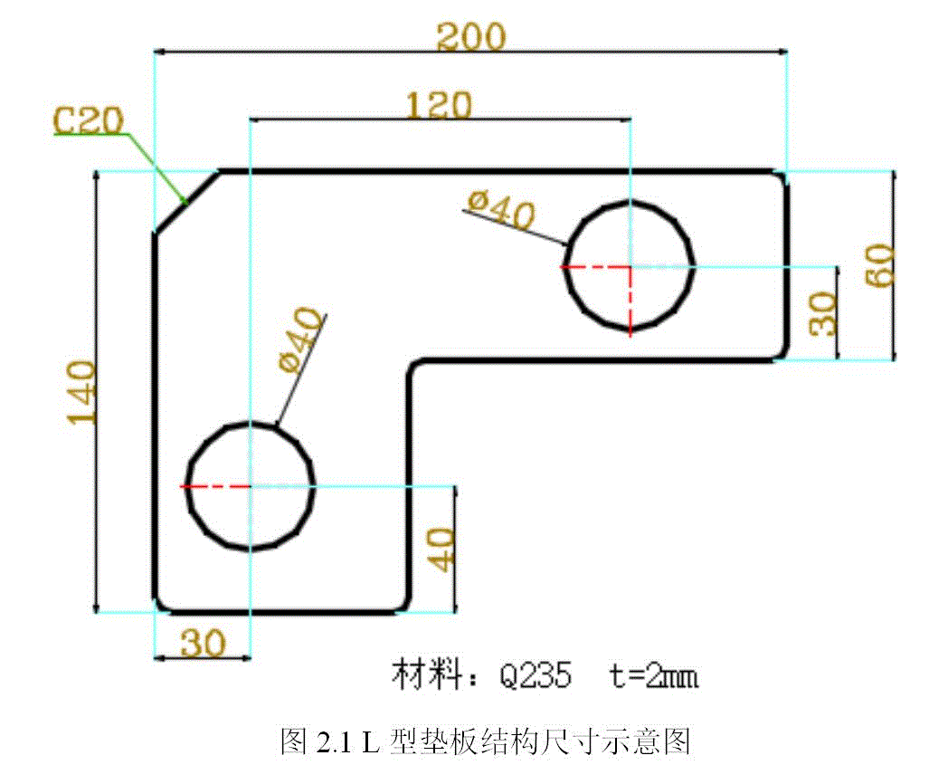
为了实现L型垫板的自动化生产加工,本文设计了一种基于复合模的冲压工艺和模具方案,该复合模实现了对L型垫板的冲孔工序和落料工序,是符合实际生产加工的冲压方法。对于其他同L型垫板的尺寸、材料和形状类似的工件,通过具体分析计算后,也可以将此模具设计方法作为参考,为工厂实际生产工件和现代模具行业的发展作出了应有的贡献。 首先,对L型垫板进行了工艺分析,从垫板的材料和结构方面入手分析确定了复合模冲压方案,复合模结构简单,成本低,寿命长,并且操作方便、安全可靠,能够冲裁出符合质量要求的工件。其次,设计了模具的结构零部件,包括自动送料送料机构、定位方式、弹性卸料板卸料方式、模架以及模具导向结构导柱导套等结构零件。再次,对模具工艺参数做了详细分析与计算,包括工件的排样方式、步距、条料宽度、材料利用率和冲压力,最终确定了冲压机型号和冲压机参数。最后,设计了模具的主要成型零部件,包括冲凸模、凹模和凸凹模的结构,计算了凸凹模刃口尺寸。在此过程中充分考虑到加工精度、加工成本和加工效率,此模具结构不但能省料,材料利用率高,而且导向精度也比较高,容易实现自动化,降低人工生产成本,符合工件实际生产的总体需求。
温馨提示:
1、题目前面的备注【字母数字编号】为本站整理分类的编号,与课题内容无关,请选题时忽视;
2、若题目上备注三维,则表示文件里包含三维源文件,由于三维组成零件数量较多,为保证预览截图的简洁性,本站将三维文件夹进行了打包。三维及CAD预览截图,均为本站电脑打开软件进行截图的,保证能够打开,下载原件超高清,下载后解压即可;
3、本站所有资源如无特殊说明,都需要本地电脑安装Office2007。图纸软件为AutoCAD,PROE,UG,SolidWorks,CATIA等;
4、本站所有图文资料仅供用户学习参考,不作为任何商用或其他用途;
5、本站不保证下载资源的准确性、安全性和完整性, 不包修改,不支持退换,同时也不承担用户因使用这些下载资源对自己和他人造成任何形式的伤害或损失;
6、 下载文件中如有侵权或不适当内容,请与我们联系,我们立即纠正。