

作品包括:
word说明书一份,共19页,约5000字
CAD版本图纸,共4张
工序卡一张
工艺过程卡一张

目 录
1课程设计的任务 1
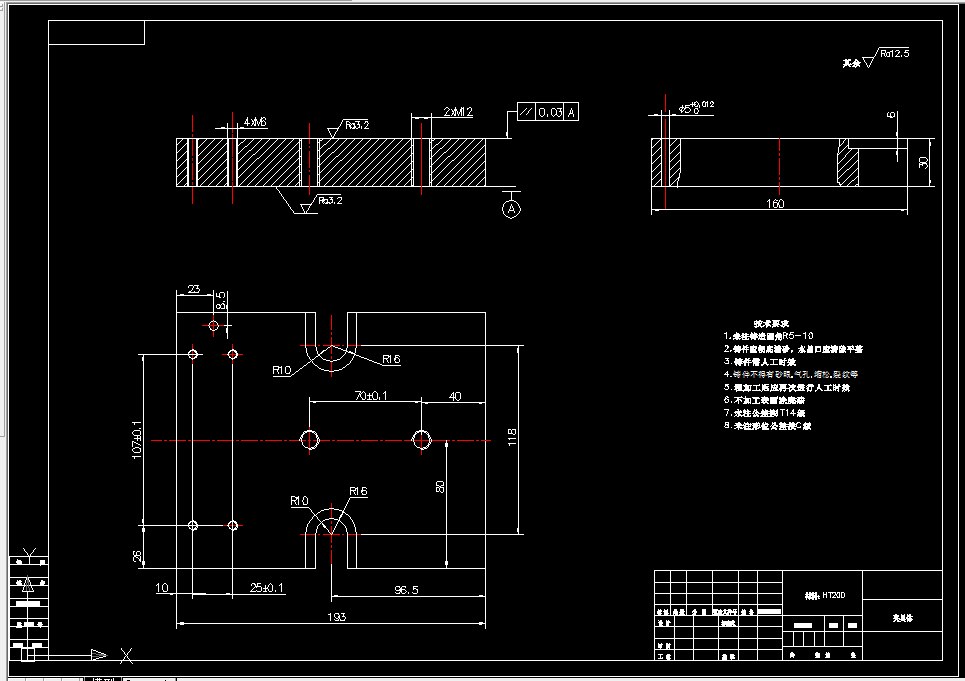
2分析螺母座的零件图 2
2.1螺母座工艺性的分析 2
2.1.1螺母座结构功用分析 2
2.1.2研究螺母座零件的图纸 3
2.1.3主要技术的条件 3
2.2 确定毛坯的结构 3
3螺母座的加工工艺设计 5
3.1 选取加工基面 5
3.2工艺过程当中应该研究的主要的问题 5
3.3 制定工艺路线 5
3.4设备及其工艺装备确定 6
3.5确定切削用量及基本工时 6
4夹具设计 11
4.1 问题的提出 11
4.2定位基准的选择 11
4.3 切削力及夹紧力的计算 11
4.4误差分析与计算 12
4.5设计夹具以及简要说明 13
4.6小结 14
5总结 15
参考书籍 16
致 谢 16
温馨提示:
1、题目前面的备注【字母数字编号】为本站整理分类的编号,与课题内容无关,请选题时忽视;
2、若题目上备注三维,则表示文件里包含三维源文件,由于三维组成零件数量较多,为保证预览截图的简洁性,本站将三维文件夹进行了打包。三维及CAD预览截图,均为本站电脑打开软件进行截图的,保证能够打开,下载原件超高清,下载后解压即可;
3、本站所有资源如无特殊说明,都需要本地电脑安装Office2007。图纸软件为AutoCAD,PROE,UG,SolidWorks,CATIA等;
4、本站所有图文资料仅供用户学习参考,不作为任何商用或其他用途;
5、本站不保证下载资源的准确性、安全性和完整性, 不包修改,不支持退换,同时也不承担用户因使用这些下载资源对自己和他人造成任何形式的伤害或损失;
6、 下载文件中如有侵权或不适当内容,请与我们联系,我们立即纠正。