

作品包括:
Word版说明书1份,共31页
CAD版本图纸,共8张

摘要:本次设计的内容就是为我们经常能见到的电器盖零件设计一副模具。本次电器盖零件注射模设计运用自己所掌握的三维软件和二维绘图软件对电器盖零件及电器盖零件注射模模具进行绘制。从电器盖零件产品的成型结构特征开始、到对分型面分析及位置的选择、模具浇注系统设计、型芯型腔结构设计和尺寸计算,脱模推出机构、冷却系统、与此同时合理地选用了注塑机型号,而且对注塑机压力,锁模力及顶出力等工艺参数进行详细校核,进而保证了设计的合理性及正规性。如此设计出的注射模结构才能确保模具工作运行可靠。
关键字:电器盖零件;注塑模具;分型面;脱模机构
目录
1绪论1
1.1概述1
1.2研究背景1
1.3设计的主要内容2
2电器盖零件的工艺性分析3
2.2电器盖车零件结构分析3
2.3塑件材料的确定3
2.3.1塑件材料的选择3
2.3ABS塑料主要的性能指标4
2.4 ABS的注射成型工艺参数4
2.5确定腔数6
2.5.1塑件大小参数6
2.5.2塑件重量参数6
2.6型腔的布局6
2.7选择注射机7
2.8注塑机参数校核8
2.8.1注射压力8
2.8.2注射机有关工艺校核8
2.8.3模具厚度与注射机闭合高度9
2.8.4模架各尺寸的校核9
2.9模架的选择9
3电器盖零件分型面的设计11
3.1分型面各项参数的确定11
4电器盖零件浇注系统12
4.1主流道的设计12
4.1.1浇口套12
4.2分流道的设计13
4.3浇口的设计14
4.4冷料穴15
5设计电器盖零件模具成型零部件16
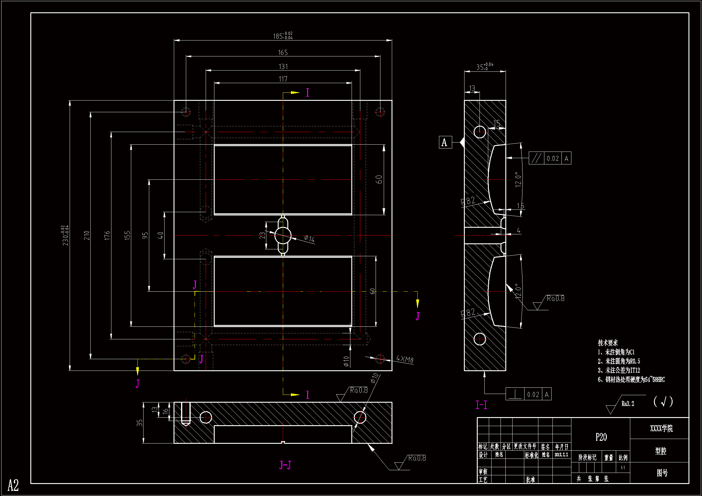
5.1型腔的设计16
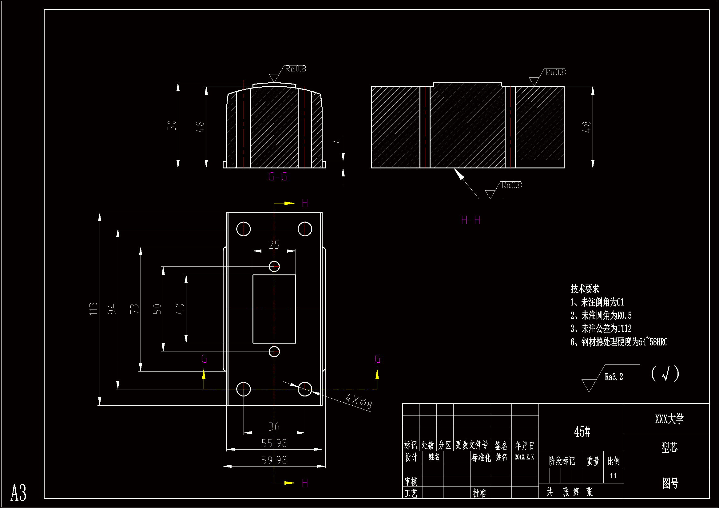
5.2型芯的设计16
5.3尺寸计算17
6脱模机构的设计19
6.1脱模结构的选择19
6.2顶杆的设计19
6.3斜顶的设计20
6.3.1斜推杆的设计20
6.3.2斜推杆倾斜角的确定21
7冷却系统的设计22
7.1冷却时间22
7.2冷却所需表面积23
8导柱导向机构的设计25
8.1导柱导套结构的设计25
9模具零部件材料选择26
9.1模具总装图26
10结论28
参考文献30
致谢31
温馨提示:
1、题目前面的备注【字母数字编号】为本站整理分类的编号,与课题内容无关,请选题时忽视;
2、若题目上备注三维,则表示文件里包含三维源文件,由于三维组成零件数量较多,为保证预览截图的简洁性,本站将三维文件夹进行了打包。三维及CAD预览截图,均为本站电脑打开软件进行截图的,保证能够打开,下载原件超高清,下载后解压即可;
3、本站所有资源如无特殊说明,都需要本地电脑安装Office2007。图纸软件为AutoCAD,PROE,UG,SolidWorks,CATIA等;
4、本站所有图文资料仅供用户学习参考,不作为任何商用或其他用途;
5、本站不保证下载资源的准确性、安全性和完整性, 不包修改,不支持退换,同时也不承担用户因使用这些下载资源对自己和他人造成任何形式的伤害或损失;
6、 下载文件中如有侵权或不适当内容,请与我们联系,我们立即纠正。