欢迎来到龙图网在线图文分享平台-CAD图纸,设计说明书,工业设计3D模型,三维软件下载!   客服QQ:2363701252
热搜:

工艺夹具 模具设计 数控编程 土木工程 3D模型

KS71-CA6140车床拨叉[831007]工艺及钻扩22和55孔夹具设计-气动 下载积分:20 资料编号: KS71

1.打开支付宝或者微信扫描二维码。
2.填写金额:20 
3.添加备注,填写资料编号:
资料编号: KS71
4.支付成功后,请发资料编号到邮箱:jxsj168@qq.com
会有专人在15分钟内把资料发到您邮箱
备注:如果付款忘记填写资料编号,则发邮件时附带您的交易明细截图即可。
请耐心等待,如超过30分钟还没收到,请联系客服QQ:2363701252
点击分享:

作品描述

作品包括:

Word版说明书1份,共31页,约12000字

工序卡一份

过程卡一份

CAD版本图纸,共5张

摘  要


本设计分析研究了CA6140车床变速箱中拔叉零件的夹具设计。由于拔叉零件的工序较多且结构较为复杂,所以为了保证加工精度和提高生产效率,考虑采用数控机床进行加工,以下内容进行了拨叉零件工艺性分析、加工顺序和工艺方案的确定,并通过对拨叉零件数控加工工艺规程设计和钻孔工序的夹具设计,为拨叉零件在数控机床上加工提供了理论依据和有力的硬件保证。

 

关键词:数控加工工艺,定位,夹紧,专用夹具


目  录

摘要 1

Abstract 2

目  录 3

1 绪论 5

2 数控加工工艺概述 5

2.1 数控加工工艺分析的一般步骤与方法 5

2.2 机床的合理选用 5

2.3 数控加工零件工艺性分析 6

2.3.1 零件图样上尺寸数据的给出应符合编程方便的原则 6

2.3.2 零件各加工部位的结构工艺性应符合数控加工的特点 6

2.4 加工方法的选择与加工方案的确定 6

2.4.1 加工方法的选择 6

2.4.2 加工方案确定的原则 7

2.5 工序与工步的划分及加工顺序安排 7

2.5.1 工序的划分 7

2.5.2 工步的划分 7

2.5.3 加工顺序安排 8

2.6 零件的安装与夹具的选择 8

2.6.1 定位安装的基本原则 8

2.6.2 选择夹具的基本原则 8

2.7 刀具的选择与切削用量的确定 8

2.7.1 刀具的选择 8

2.7.2 切削用量的确定 9

2.8 对刀点与换刀点的确定 9

2.9 加工路线的确定 9

3 拨叉零件数控加工工艺分析 10

3.1 拨叉零件的作用 10

3.2 拨叉零件的工艺分析 11

3.3 确定拨叉零件生产类型 11

3.4 确定拨叉零件毛坯类型 11

3.4.1 确定毛坯种类 11

3.4.2 确定铸件加工余量及形状 11

3.4.3 绘制铸件零件图 12

3.5 拨叉零件数控加工工艺规程设计 12

3.5.1 选择定位基准 12

3.5.2 制定数控加工工艺路线 12

3.6 机械加工余量、工序尺寸及公差的确定 13

3.6.1 圆柱表面工序尺寸 13

3.6.2 平面工序尺寸 14

3.6.3 确定切削用量及时间定额 14

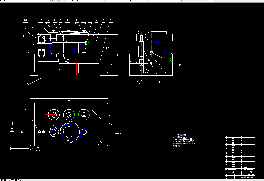
4 夹具设计 23

4.1 问题的提出 23

4.2 夹具设计 23

4.2.1 定位基准选择 23

4.2.2切削力及夹紧力计算 24

4.3定位误差分析 24

4.3.1定位元件尺寸及公差的确定 24

4.3.2计算钻套中心线与工作台的垂直度误差 24

4.3.3计算定位销轴与工作台的平行度误差 25

4.4夹具设计及操作的简要说明 25

5结束语 26

致谢 27

参考文献 28

温馨提示:

1、题目前面的备注【字母数字编号】为本站整理分类的编号,与课题内容无关,请选题时忽视;

2、若题目上备注三维,则表示文件里包含三维源文件,由于三维组成零件数量较多,为保证预览截图的简洁性,本站将三维文件夹进行了打包。三维及CAD预览截图,均为本站电脑打开软件进行截图的,保证能够打开,下载原件超高清,下载后解压即可;

3、本站所有资源如无特殊说明,都需要本地电脑安装Office2007。图纸软件为AutoCAD,PROE,UG,SolidWorks,CATIA等;

4、本站所有图文资料仅供用户学习参考,不作为任何商用或其他用途;
5、本站不保证下载资源的准确性、安全性和完整性, 不包修改,不支持退换,同时也不承担用户因使用这些下载资源对自己和他人造成任何形式的伤害或损失;

6、 下载文件中如有侵权或不适当内容,请与我们联系,我们立即纠正。


线