

作品包括:
Word版说明书1份,共49页,约14000字
任务书一份
开题报告一份
PPT答辩一份
CAD版本图纸,共23张
UG三维图一份
摘要:本设计是在针对国内普通传统的变压器储油柜干燥净化器的发展以及存在的问题进行了简单的分析以及阐述,其中包括变压器储油柜的净化器设计方面的计算分析,构思出合理的设计方案,从而使得干燥净化器可以实现设计前的原理以及方案。本设计共分为三大板块:1:干燥净化设计装置2:实现硅胶的循环利用的自动加热装置;3:检测干燥净化器温湿度的装置。其中以干燥净化设计装置的设计为主,首先在设计干燥器的体形以及粗略的外形尺寸时,我们主要依据干燥剂的重量以及体积大小,推算干燥净化器的外形尺寸参数,依据外形尺寸的标准的选择从而确定干燥净化器的结构。最后,在安装装置的要求下依次对净化器内部主要部件进行设计以及合理的选用。在了解变压器以及干燥净化器的工作原理的同时学会运用所学的知识原理解决实际生产过程中变压器零件以及干燥净化器中所遇到的困难是本设计题目的主旨所在。本设计中的干燥净化器优于传统的呼吸器,无论是在机械性能以及在解决工业而生产中所更能体现它的环保性,安全性,持久耐用性。
关键词:变压器;干燥净化器;法兰;干燥剂硅胶
目录
摘要: I
Abstract II
1绪论1
1.1选题背景1
1.2选题意义1
1.3设计的目的3
2干燥净化器的设计原理5
2.1设计依据5
2.2设计的内容5
2.3工作原理6
3主要零部件的设计11
3.1硅胶干燥室的设计11
3.2过滤杂质的设计13
3.3加热系统装置14
3.4干燥剂材料的选择14
3.5法兰的相关设计以及计算14
3.5.1连接法兰14
3.5.2上法兰19
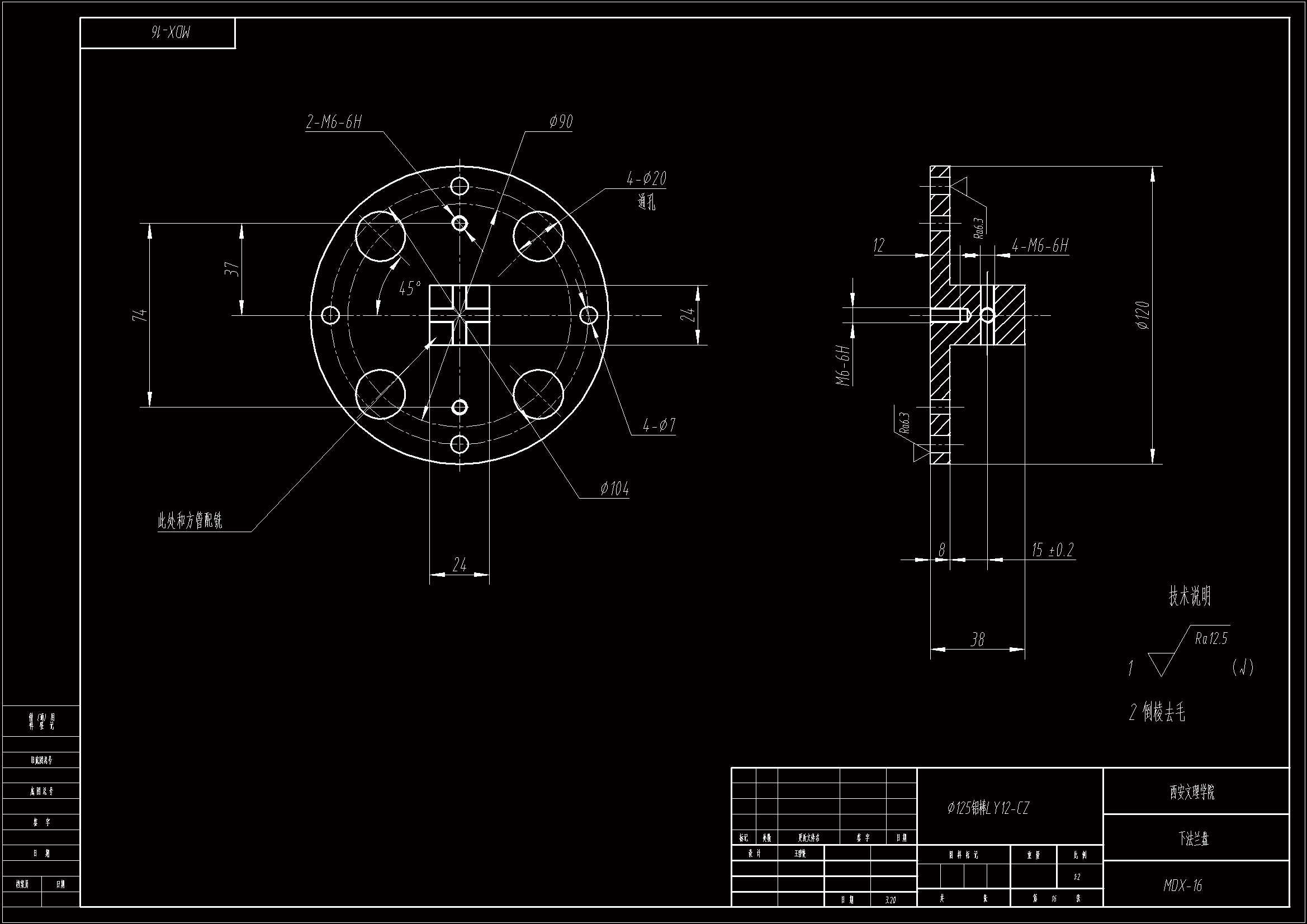
3.5.3下法兰20
3.5.4法兰盘25
3.6方管26
3.7支架27
3.8传感器设计的温度检测装置28
4干燥净化器的安装与调试31
4.1干燥净化器注意事项31
4.2干燥净化器的自检调试32
5总结35
参考文献37
致谢39
附录A装配图明细表41
附录B零件的三维实体图45
附录C外文文献及翻译47
温馨提示:
1、题目前面的备注【字母数字编号】为本站整理分类的编号,与课题内容无关,请选题时忽视;
2、若题目上备注三维,则表示文件里包含三维源文件,由于三维组成零件数量较多,为保证预览截图的简洁性,本站将三维文件夹进行了打包。三维及CAD预览截图,均为本站电脑打开软件进行截图的,保证能够打开,下载原件超高清,下载后解压即可;
3、本站所有资源如无特殊说明,都需要本地电脑安装Office2007。图纸软件为AutoCAD,PROE,UG,SolidWorks,CATIA等;
4、本站所有图文资料仅供用户学习参考,不作为任何商用或其他用途;
5、本站不保证下载资源的准确性、安全性和完整性, 不包修改,不支持退换,同时也不承担用户因使用这些下载资源对自己和他人造成任何形式的伤害或损失;
6、 下载文件中如有侵权或不适当内容,请与我们联系,我们立即纠正。