欢迎来到龙图网在线图文分享平台-CAD图纸,设计说明书,工业设计3D模型,三维软件下载!   客服QQ:2363701252
热搜:

工艺夹具 模具设计 数控编程 土木工程 3D模型

A0045-麦田免耕施肥播种机设计 下载积分:50 资料编号: A0045

1.打开支付宝或者微信扫描二维码。
2.填写金额:50 
3.添加备注,填写资料编号:
资料编号: A0045
4.支付成功后,请发资料编号到邮箱:jxsj168@qq.com
会有专人在15分钟内把资料发到您邮箱
备注:如果付款忘记填写资料编号,则发邮件时附带您的交易明细截图即可。
请耐心等待,如超过30分钟还没收到,请联系客服QQ:2363701252
点击分享:

作品描述

作品包括:

Word版说明书1份,共36页,约14000字

CAD版本图纸,共10张

麦田免耕施肥播种机设计

摘  要:“保护生态环境,实现可持续发展”现在已经成为我们国家在谋求经济快速发展过程中所要遵循的基本方针。

面对土地沙漠化面积的迅速扩大和沙尘暴的肆虐一年更盛一年,国家除了实施大规模的防沙治沙工程和全面退耕还草的

重大举之外,在农业方面则一直在积极倡导和推广应用保护性耕作技术。小麦免耕播种机采用的是“动力圆盘断草、

与动力圆盘贴合的夹持式开沟器同位分层播种” 在已覆有秸杆的地中能一次性完成行方向秸杆切断、同位分层播种和中

后镇压等多项作业的保护性耕作机具。

关键词:保护性耕作机具; 开沟器; 免耕播种机


目    录


摘要 1

关键词 1

1  前言 2

1.1  论文的主要工作和意义 2

1.2  总体方案的确定 3

2  动力性能的设计与校核 4

2.1  丰收180型拖拉机的配套适应性计算 4

2.2  拖拉机液压提升能力计算 6

2.3  机组操向稳定性计算 7

2.4  坡道极限倾翻角计算 8

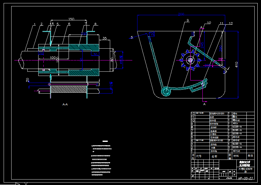
3  主要部件的设计 9

3.1  轴的设计 9

3.1.1  传动轴的设计 9

3.1.2  轴的计算与校核 10

3.1.3  键的选择与校核 13

3.2  链轮的设计 16

3.2.1  链轮的计算 16

3.2.2  链轮的材料 23

3.3  链的选择 23

3.4  侧传动箱的设计 23

3.4.1 链轮材料的选择 25

3.5  播种部分的传动设计 26

3.5.1  传动方式的选择 26

3.5.2  链传动比 26

3.6  播种施肥器总成 26

3.7  外槽轮式排种机设计 26

3.7.1  技术要求 27

3.7.2  性能试验 28

3.7.3  性能计算 28

3.8  开沟器的设计 29

3.8.1  功用及要求 29

3.8.2  类型和特点 30

3.8.3  适用行距与前后列距离 32

3.8.4  开沟深度控制 32

3.8.5  开沟深度及阻力的计算 33

4  结论 34

参考文献 34

致谢 35

温馨提示:

1、题目前面的备注【字母数字编号】为本站整理分类的编号,与课题内容无关,请选题时忽视;

2、若题目上备注三维,则表示文件里包含三维源文件,由于三维组成零件数量较多,为保证预览截图的简洁性,本站将三维文件夹进行了打包。三维及CAD预览截图,均为本站电脑打开软件进行截图的,保证能够打开,下载原件超高清,下载后解压即可;

3、本站所有资源如无特殊说明,都需要本地电脑安装Office2007。图纸软件为AutoCAD,PROE,UG,SolidWorks,CATIA等;

4、本站所有图文资料仅供用户学习参考,不作为任何商用或其他用途;
5、本站不保证下载资源的准确性、安全性和完整性, 不包修改,不支持退换,同时也不承担用户因使用这些下载资源对自己和他人造成任何形式的伤害或损失;

6、 下载文件中如有侵权或不适当内容,请与我们联系,我们立即纠正。


线