

作品包括:
Word版说明书1份,共58页,约16000字
任务书一份
开题报告一份
外文翻译一份
PPT答辩一份
CAD版本图纸,共16张
UG三维图一份

摘 要
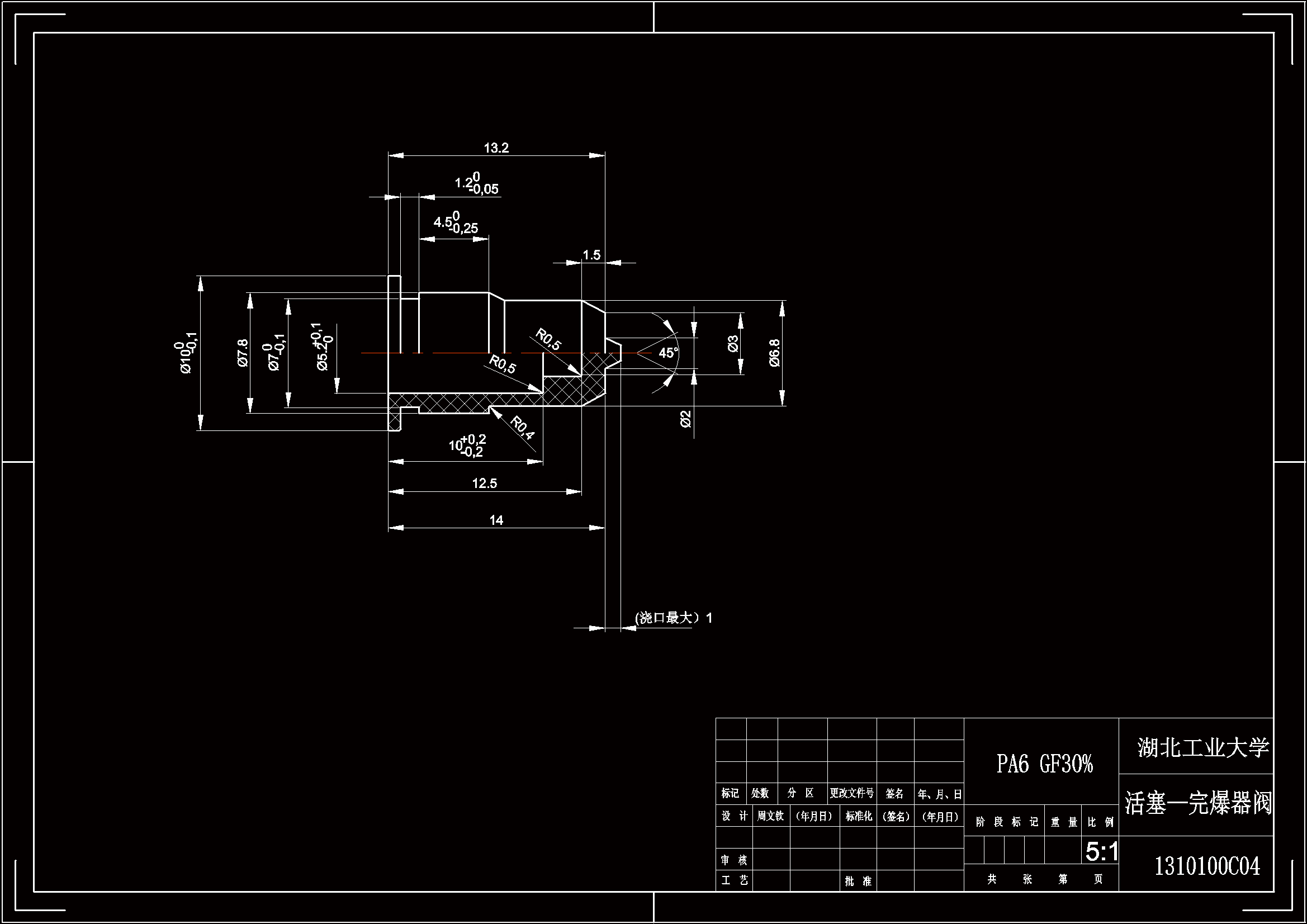
本毕业设计介绍了完爆器阀注塑模设计原理与设计的全过程。用 CAE 软件 Moldflow 进行了完爆器阀注塑模的注塑成型过程的模流分析,选出了合理的浇注系统和冷却系统。因为模具型腔为组合式型腔,塑件较小,此塑件在注塑时采用了一模四腔,矩形排列;采用斜滑块侧向分型抽芯,使脱模更灵活。
根据 CAE的模拟分析,然后采用UG软件完成塑件型腔排布,逐步设计构成模具的各个零部件并编制加工工艺。最后绘制了全套模具装配工程图和零件工程图。
关键字:完爆器阀;注塑模具;斜滑块
目 录
摘要…………………………………………………………………………………………………………..Ⅰ
Abstract..…………………………………………………………………Ⅱ
一 绪论 1
1.1 本课题的研究现状 1
1.2 课题意义及目的 1
1.3 本课题的主要内容 1
二 活塞—完爆器阀注塑成型工艺性分析 2
2.1塑件结构 2
2.2 塑件材料确定 3
2.3 塑件工艺性分析 3
2.3.1 圆角 3
2.3.2 壁厚 4
2.3.3 拔模斜度 4
2.3.4 尺寸精度 5
三 活塞—完爆器阀注塑过程有限元分析 7
3.1 网格划分 7
3.2 模型网格划分 7
3.3 浇口位置的分析与确定 8
3.4 填充分析 9
3.4.1浇口形式的确定 9
3.4.2填充工艺参数设置 10
3.4.3 分析结果 11
3.4.4 气穴位置分析 12
3.4.5 熔接痕位置分析 13
3.5 冷却分析 14
3.5.1 冷却工艺参数的设置 14
3.5.2 冷却管道的设计 14
3.5.3 冷却结果分析 15
3.5.4 顶出时间 17
3.6 翘曲分析 18
3.6.1 翘曲工艺参数设置 18
3.6.2 总变形量及主要因素 18
四 塑件排布 21
4.1 注塑工艺条件 21
4.2 初选注射机 21
4.3 型腔数目的确定及型腔的排列方式 22
五 浇注系统的设计 24
5.1 主流道设计 24
5.2 主流道衬套的设计 24
5.3 定位环的设计 25
5.4 分流道的设计 25
5.5 浇口的设计 26
5.6 料穴设计 26
5.7 排气系统 26
六 成型零部件的设计 27
6.1 分型面的选取 27
6.2 成型零部件的结构形式 27
6.2.1凹模的结构设计 27
6.2.2 凸模结构设计 28
6.3 成型零部件尺寸的影响因素 28
6.3.1 塑件的收缩率 28
6.3.2 模具成型零部件的制造公差 28
6.3.3 成型零部件的磨损 29
6.3.4 尺寸精度的组成及影响因素 29
6.4 型腔和型芯尺寸的计算 29
6.4.1 型腔径向尺寸的计算 29
6.4.2 型芯径向尺寸的计算 30
6.4.3 型腔深度和型芯高度尺寸的计算 30
6.5 型腔侧壁厚度和底板计算 30
6.5.1 下凹模滑块型腔侧壁厚度的计算 30
6.5.2 底板厚度的计算 31
七 侧向抽芯机构 33
7.1 抽芯机构的设计 33
7.2 确定抽芯距 33
7.3 导滑槽设计 33
八 注塑模具的标准件 35
8.1 标准模架的选用 35
8.2 导向机构的设计 35
8.2.1 导柱的设计 35
8.2.2导套设计 36
8.3 顶出系统的设计 36
8.3.1 脱模力的计算 36
8.3.2 推杆直径的确定 37
8.4 复位杆的设计 37
九 冷却系统的设计 39
9.1 冷却系统参数的确定 39
9.1.1 冷却管道直径的确定 39
9.2 冷却回路的排布 40
十 注塑机的校核 42
10.1 注塑机参数校核 42
10.1.1 注射量的校核 42
10.1.2 锁模力的校核 42
10.2 开模行程的校核 42
10.3 闭合模高度的校核 42
十一 制图及加工工艺编制 44
11.1 绘制各非标准零件图纸 44
11.2 加工要求和装配要求 44
11.2.1 加工要求 44
11.2.2 装配精度要求 45
设计总结 46
致谢 47
参考文献 48
附录 49
温馨提示:
1、题目前面的备注【字母数字编号】为本站整理分类的编号,与课题内容无关,请选题时忽视;
2、若题目上备注三维,则表示文件里包含三维源文件,由于三维组成零件数量较多,为保证预览截图的简洁性,本站将三维文件夹进行了打包。三维及CAD预览截图,均为本站电脑打开软件进行截图的,保证能够打开,下载原件超高清,下载后解压即可;
3、本站所有资源如无特殊说明,都需要本地电脑安装Office2007。图纸软件为AutoCAD,PROE,UG,SolidWorks,CATIA等;
4、本站所有图文资料仅供用户学习参考,不作为任何商用或其他用途;
5、本站不保证下载资源的准确性、安全性和完整性, 不包修改,不支持退换,同时也不承担用户因使用这些下载资源对自己和他人造成任何形式的伤害或损失;
6、 下载文件中如有侵权或不适当内容,请与我们联系,我们立即纠正。