

作品包括:
Word版说明书1份,共28页
任务书一份
开题报告一份
外文翻译一份
CAD版本图纸,共7张
摘要
随着物流技术的发展,用于自动分拣系统中自动下料的烟箱拆盘机在国内一直处于空白,其主要原因是一般的拆盘机要求空间较大,提升装置体积和重量缩减比较困难。烟箱拆盘机研究开发不但占用空间小,而且工作效率提高,大大较少了人工劳动。具有广泛地应用前景。
本次设计是烟箱拆盘机两轴手臂设计。在参考常规的机械手臂设计方法的基础上,首先对烟箱拆盘机两轴手臂作了简单的概述;然后根据设计准则与计算选型方法按照给定参数要求进行总体方案选型设计及数据计算;接着对烟箱拆盘机两轴手臂各主要零部件进行了校核,对滚珠丝杠机构做了详细的结构设计及校核计算。烟箱拆盘机两轴手臂主要部件组成:传动装置,滚珠丝杠机构以及蜗轮蜗杆机构。本次设计使用的软件是二维软件CAXA 。
目录
摘要1
ABSTRACT 2
第一章绪论3
第二章机械手设备概论3
2.机械手在生产和生活中的作用和意义3
2.2机械手的分类4
2.3机械手的发展现状和趋势6
2.4机械手的功能特点6
第三章设计任务书8
3.1设计题目: 8
3.2设计背景: 8
3.2.1题目简述: 8
3.2.2使用状况: 8
3.2.3生产状况: 8
3.3设计参数8
3.4设计任务: 8
第四章烟箱拆盘机两轴手臂的总体设计方案9
4.1烟箱拆盘机两轴手臂的工作原理: 9
4.2烟箱拆盘机两轴手臂的各个机构的设计方案9
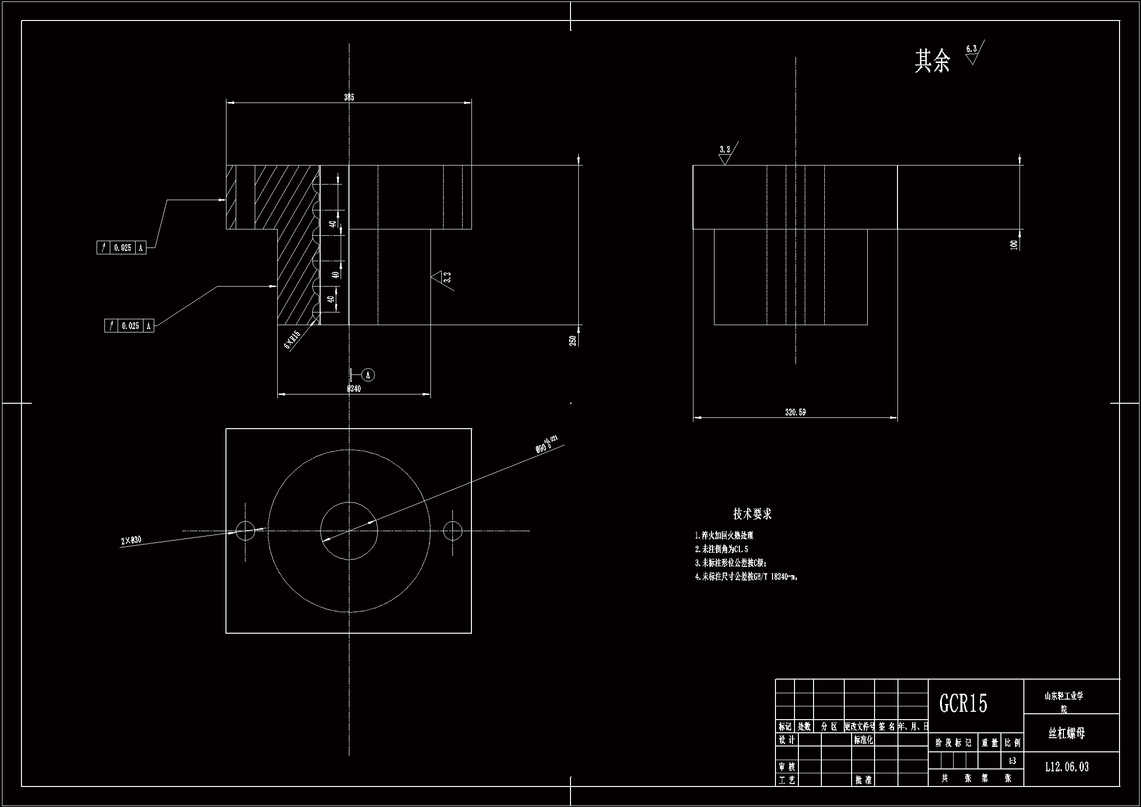
4.2.1滚珠丝杠副的设计方案10
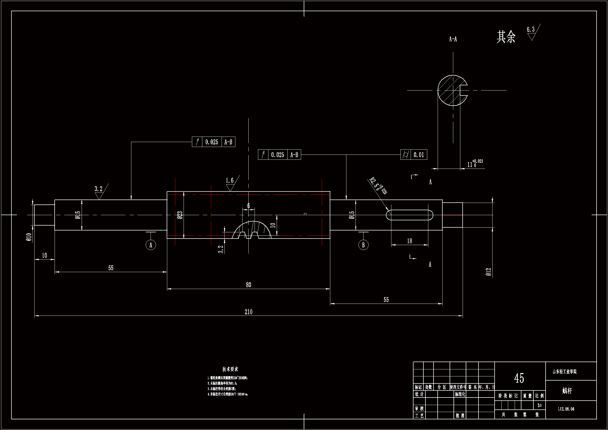
4.2.2蜗轮蜗杆机构的设计方案12
第五章滚珠丝杠副的设计计算13
5.1滚珠丝杠副的设计与计算13
5.1.1滚珠丝杠副的特点13
5.1.2应用范围14
5.1.3设计与计算14
5.1.4润滑16
5.2防尘16
5.3设计时注意事项16
第六章蜗轮蜗杆机构的设计计算17
6.1蜗轮蜗杆机构的设计计算17
6.1.1蜗轮蜗杆机构的特点......................................17
6.1.2选材17
6.1.3按齿面接触疲劳强度计算17
6.1.4按齿根弯曲强度计算19
6.1.5蜗轮蜗杆的主要参数和计算21
6.1.6蜗轮蜗杆实物图参考......................................22
第七章总结23
参考文献24
致谢25
温馨提示:
1、题目前面的备注【字母数字编号】为本站整理分类的编号,与课题内容无关,请选题时忽视;
2、若题目上备注三维,则表示文件里包含三维源文件,由于三维组成零件数量较多,为保证预览截图的简洁性,本站将三维文件夹进行了打包。三维及CAD预览截图,均为本站电脑打开软件进行截图的,保证能够打开,下载原件超高清,下载后解压即可;
3、本站所有资源如无特殊说明,都需要本地电脑安装Office2007。图纸软件为AutoCAD,PROE,UG,SolidWorks,CATIA等;
4、本站所有图文资料仅供用户学习参考,不作为任何商用或其他用途;
5、本站不保证下载资源的准确性、安全性和完整性, 不包修改,不支持退换,同时也不承担用户因使用这些下载资源对自己和他人造成任何形式的伤害或损失;
6、 下载文件中如有侵权或不适当内容,请与我们联系,我们立即纠正。