欢迎来到龙图网在线图文分享平台-CAD图纸,设计说明书,工业设计3D模型,三维软件下载!   客服QQ:2363701252
热搜:

工艺夹具 模具设计 数控编程 土木工程 3D模型

A0187-滤清器底座扩孔、攻丝专机与液压设计 下载积分:50 资料编号: A0187

1.打开支付宝或者微信扫描二维码。
2.填写金额:50 
3.添加备注,填写资料编号:
资料编号: A0187
4.支付成功后,请发资料编号到邮箱:jxsj168@qq.com
会有专人在15分钟内把资料发到您邮箱
备注:如果付款忘记填写资料编号,则发邮件时附带您的交易明细截图即可。
请耐心等待,如超过30分钟还没收到,请联系客服QQ:2363701252
点击分享:

作品描述

作品包括:

说明书一份,41页,15000字左右. 

开题报告一份

外文翻译一份

CAD版本图纸共10张:


目   次

中文摘要: 2

英文摘要 错误!未定义书签。

1  引  言 3

1.1 机床设计目的、要求 3

1.2 专用机床国内外发展概况 3

1.3 题目内容及要求 3

2  专用机床的整体设计 3

2.1 零件分析 3

2.2 加工方案确定 3

2.3 机床布局 3

2.4 确定切削用量 3

2.4.1 选择切削用量 3

2.4.2 确定机床切削扭矩T. 切削力F.切削功率P 3

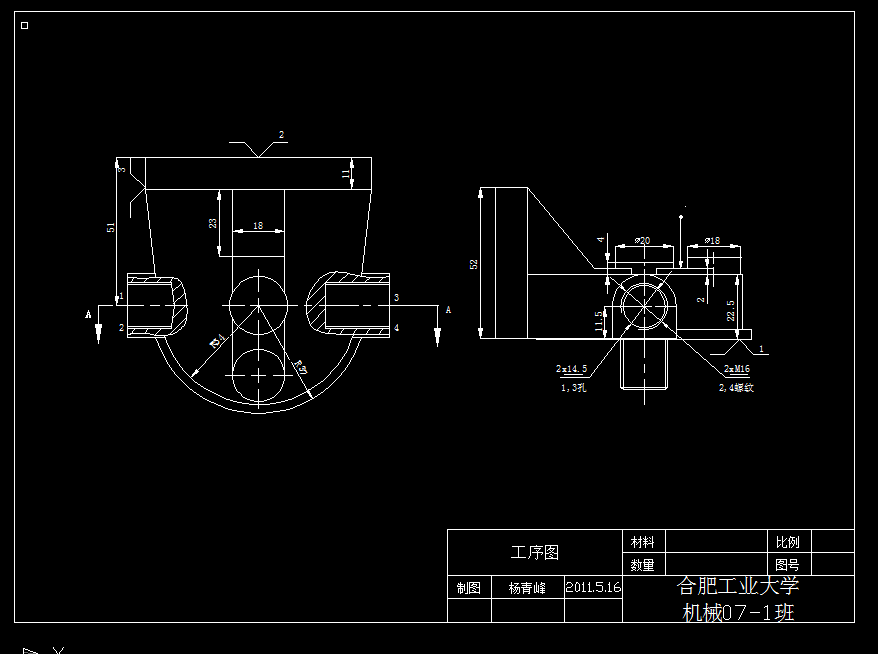
3  确定机床三图一卡 3

3.1 被加工零件工序图 3

3.2 加工示意图 3

3.2.1刀具选择 3

3.2.2 选择攻丝卡头 3

3.3 机床联系尺寸图的确定 3

3.4 机床生产率计算卡 3

4  液压控制系统设计 3

4.1 液压传动的工作原理和组成 3

4.1.1 工作原理: 3

4.1.2 液压系统的基本组成 3

4.2 液压传动的优缺点 3

4.3 扩孔运动分析 3

4.3.1 扩孔所用动力滑台的工作循环图 3

4.3.2 扩孔所用动力滑台的工况分析 3

4.4 扩孔液压系统的计算: 3

4.4.1 初选液压缸工作压力 3

4.4.2 液压缸主要尺寸的确定 3

4.4.3 计算在个工作阶段液压缸所需的流量 3

4.5 攻丝的运动分析: 3

4.5.1 运动分析 3

4.5.2 工况分析 3

4.6 攻丝液压系统的计算 3

4.6.1 初选液压缸工作压力 3

4.6.2 计算在个工作阶段液压缸所需的流量 3

4.6.3 计算液压泵的最大工作压力 3

4.7 拟定液压系统原理图 3

4.7.1 确定供油方式的选择 3

4.7.2 调速方式的选择 3

4.7.3 速度换接方式的选择 3

4.7.4 夹紧回路的选择 3

4.7.5 回转台液压系统 3

4.8 液压元件的选择: 3

4.8.1 确定液压泵和电机规格 3

4.8.2 阀类元件和辅助元件的选择 3

4.8.3 油管确定 3

4.8.4 油箱的确定 3

结论 3

谢辞 3

[参考文献] 3


滤清器底座扩孔、攻丝专机与液压设计

摘要:本论文是扩孔攻丝专用机床及其液压系统的设计,被加工零件是滤清器底座,专机对零件进行扩孔和攻丝,机床的结构轮廓是用两个扩孔动力头和两个攻丝动力头及中间的液压旋转台组成,其中动力头前进后退使用液压滑台在动的。滑台循环是:快速前进→ 工作进给 →快速退回 →原位停止。液压控制系统在机床中有着重要的作用,对液压控制系统的设计也是进行专机设计的重要组成部分。

本文对该专用机床液压控制系统的设计主要有以下几点内容:

对液压系统工况分析

拟定液压原理图

选择液压元件

编辑专用机床液压系统的相关技术文件

关键词: 专用机床、液压系统、液压元件

温馨提示:

1、题目前面的备注【字母数字编号】为本站整理分类的编号,与课题内容无关,请选题时忽视;

2、若题目上备注三维,则表示文件里包含三维源文件,由于三维组成零件数量较多,为保证预览截图的简洁性,本站将三维文件夹进行了打包。三维及CAD预览截图,均为本站电脑打开软件进行截图的,保证能够打开,下载原件超高清,下载后解压即可;

3、本站所有资源如无特殊说明,都需要本地电脑安装Office2007。图纸软件为AutoCAD,PROE,UG,SolidWorks,CATIA等;

4、本站所有图文资料仅供用户学习参考,不作为任何商用或其他用途;
5、本站不保证下载资源的准确性、安全性和完整性, 不包修改,不支持退换,同时也不承担用户因使用这些下载资源对自己和他人造成任何形式的伤害或损失;

6、 下载文件中如有侵权或不适当内容,请与我们联系,我们立即纠正。


线