

作品包括:
Word版说明书1份,共33页,约10000字
任务书一份
开题报告一份
外文翻译一份
文献综述一份
CAD版本图纸,共7张

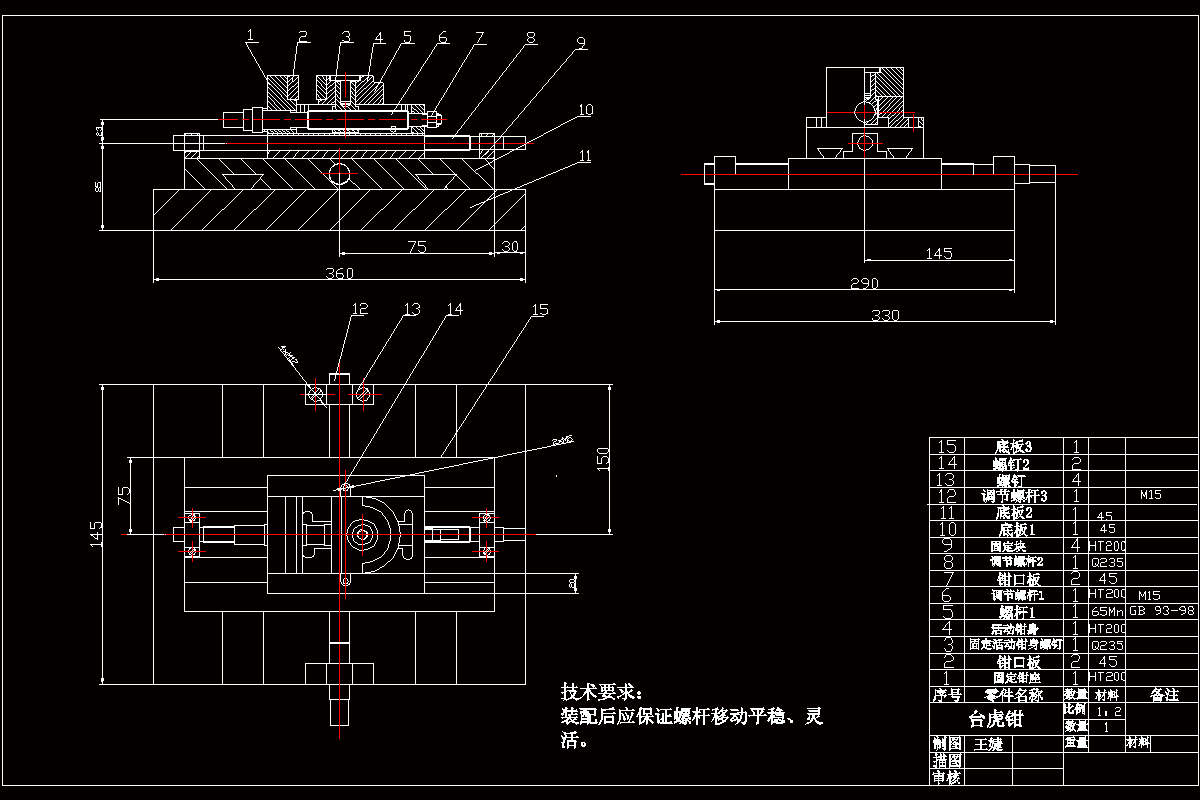
摘要:虎钳在机械加工中有着很重要的作用。随着计算机应用的发展和机械加工技术的提高,CAD/CAE/CAPP/CAM技术的发展推动了几乎一切领域的设计、制造技术革命,从根本上改变了传统的设计、生产、管理模式。CAD/CAE/CAPP/CAM应用也用于机械设计中,台虎钳的设计也从过去一直沿用的二维设计方法开始发展为三维设计。在国内的一个小行业的业余爱好者进入一个小行业,取决于独立的夹具或。现代生产要求企业所制造的台虎钳经常更新换代,以适应市场的需求与竞争。然而,一般企业仍然使用传统的台式副,传统的副不好的加载剪辑形状更复杂的工件,夹紧力不强,夹紧速度慢。从而在影响加工效率的同时也造成了一定的经济损失。为了保证正常的生产,减少夹紧速度太慢,导致损失的人必须高度重视的问题,夹紧速度的板凳。设计了一种在生产加工中方便快捷地安装工件的夹紧,强大的夹紧力能较好的保证工件的快速夹紧工件的加工精度是必要的!本文从普通台虎钳入手,结合车床的结构特点,运用丝杠螺母结构,将普通的台虎钳设计成双自由度的台虎钳,满足更多情况下的机械加工的夹紧需要。
温馨提示:
1、题目前面的备注【字母数字编号】为本站整理分类的编号,与课题内容无关,请选题时忽视;
2、若题目上备注三维,则表示文件里包含三维源文件,由于三维组成零件数量较多,为保证预览截图的简洁性,本站将三维文件夹进行了打包。三维及CAD预览截图,均为本站电脑打开软件进行截图的,保证能够打开,下载原件超高清,下载后解压即可;
3、本站所有资源如无特殊说明,都需要本地电脑安装Office2007。图纸软件为AutoCAD,PROE,UG,SolidWorks,CATIA等;
4、本站所有图文资料仅供用户学习参考,不作为任何商用或其他用途;
5、本站不保证下载资源的准确性、安全性和完整性, 不包修改,不支持退换,同时也不承担用户因使用这些下载资源对自己和他人造成任何形式的伤害或损失;
6、 下载文件中如有侵权或不适当内容,请与我们联系,我们立即纠正。