欢迎来到龙图网在线图文分享平台-CAD图纸,设计说明书,工业设计3D模型,三维软件下载!   客服QQ:2363701252
热搜:

工艺夹具 模具设计 数控编程 土木工程 3D模型

K1228-CA6140车床后托架[831001]工艺及钻Ф6孔夹具设计[含Proe三维图] 下载积分:100 资料编号: K1228

1.打开支付宝或者微信扫描二维码。
2.填写金额:100 
3.添加备注,填写资料编号:
资料编号: K1228
4.支付成功后,请发资料编号到邮箱:jxsj168@qq.com
会有专人在15分钟内把资料发到您邮箱
备注:如果付款忘记填写资料编号,则发邮件时附带您的交易明细截图即可。
请耐心等待,如超过30分钟还没收到,请联系客服QQ:2363701252
点击分享:

作品描述

作品包括:

Word版说明书1份,共44页,约13000字

工序卡11张

工艺过程卡1张

CAD版本图纸,共10张

Proe三维图一套

)RY$JUB5NWXXA{[ZU4IS%DU.png

摘  要

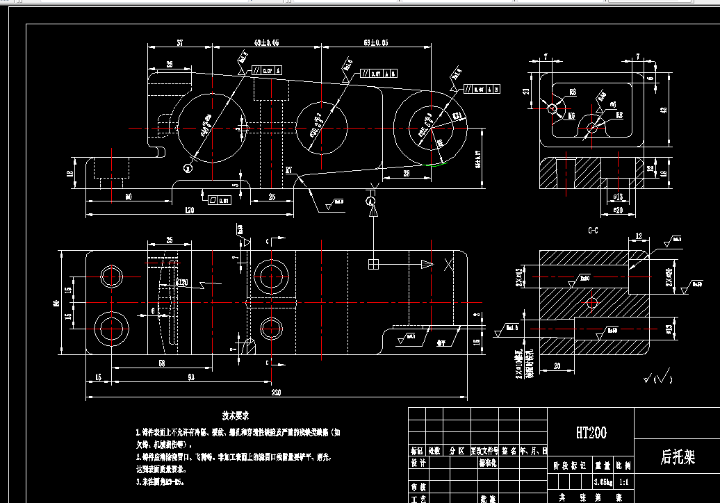
 CA6140车床后托架的加工工艺与钻床夹具设计,首先依据CA6140车床后托架文档绘制出二维CAD图,接着对产品结构和工艺性进行分析,编写工艺(参考《典型零件工艺分析与加工》、《机械切削工人实用手册》),然后在工艺内选择一道工序设计专用夹具,并拆画非标零件图(参考《机床夹具设计与使用一本通》),最后绘制core绘制各零件图并装配在一起。

CA6140车床后托架材料为HT200,形状复杂程度一般。采用铸造毛坯,人工时效处理,再由《机械切削工人实用手册》查出CA6140车床后托架各加工表面的毛坯余量,绘制出毛坯图,选择刀具、机床和量具等,并计算出各加工表面的工时。再以六点定位原理,选择夹具定位机构,计算分析定位误差,接着再参考常用夹紧机构和CA6140车床后托架形状结构,选择合适的夹紧机构夹紧工件,计算出切削力和夹紧力,并校核,最后一步设计引导装置。

关键词 :CA6140车床后托架;夹具设计;工艺分析;定位机构 

目  录

1绪论 1

2 零件分析 1

2.1 CA6140车床后托架的作用 1

2.2 CA6140车床后托架毛坯制造形式 2

2.3 CA6140车床后托架机械加工余量 2

3工艺规程设计 4

3.1 定位基准的选择 4

3.1.1精基准的选择 4

3.1.2精基准的选择 4

3.2 制定加工工艺路线 4

3.3 选择切削用量、确定时间定额 5

4钻床夹具设计 32

4.1 问题的提出 32

4.2夹具定位分析 32

4.3 定位误差分析 33

4.3.2 转角误差 34

4.4 钻削力和夹紧力计算 34

4.4.1计算钻削力 35

4.4.2 计算移动压板夹紧力 35

4.5 引导装置 35

致 谢 38

参考文献39

温馨提示:

1、题目前面的备注【字母数字编号】为本站整理分类的编号,与课题内容无关,请选题时忽视;

2、若题目上备注三维,则表示文件里包含三维源文件,由于三维组成零件数量较多,为保证预览截图的简洁性,本站将三维文件夹进行了打包。三维及CAD预览截图,均为本站电脑打开软件进行截图的,保证能够打开,下载原件超高清,下载后解压即可;

3、本站所有资源如无特殊说明,都需要本地电脑安装Office2007。图纸软件为AutoCAD,PROE,UG,SolidWorks,CATIA等;

4、本站所有图文资料仅供用户学习参考,不作为任何商用或其他用途;
5、本站不保证下载资源的准确性、安全性和完整性, 不包修改,不支持退换,同时也不承担用户因使用这些下载资源对自己和他人造成任何形式的伤害或损失;

6、 下载文件中如有侵权或不适当内容,请与我们联系,我们立即纠正。


线