欢迎来到龙图网在线图文分享平台-CAD图纸,设计说明书,工业设计3D模型,三维软件下载!   客服QQ:2363701252
热搜:

工艺夹具 模具设计 数控编程 土木工程 3D模型

K1245-柴油机连杆加工工艺及镗φ70孔夹具设计【含UG三维动画】 下载积分:150 资料编号: K1245

1.打开支付宝或者微信扫描二维码。
2.填写金额:150 
3.添加备注,填写资料编号:
资料编号: K1245
4.支付成功后,请发资料编号到邮箱:jxsj168@qq.com
会有专人在15分钟内把资料发到您邮箱
备注:如果付款忘记填写资料编号,则发邮件时附带您的交易明细截图即可。
请耐心等待,如超过30分钟还没收到,请联系客服QQ:2363701252
点击分享:

作品描述

作品包括:

Word版说明书1份,共37页,约13000字

工序卡片11张

工艺过程卡1张

CAD版本图纸,共7张

UG三维图一套

仿真动画视频一份

O[953~QH%F%$]Y9`NTZO_(2.png

摘 要

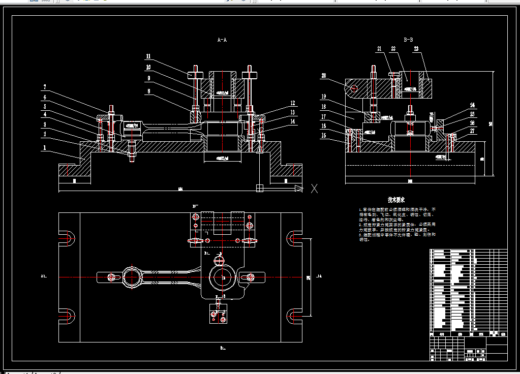
我所设计的要求:零件名称:柴油机连杆,材料45钢,在坐标镗床T4163上镗Φ70孔的夹具,大批量生产。由所给的资料知,首先查找柴油机连杆相关资料,模锻件的形状要求,对柴油机连杆结构形状进行分析, 接着对产品结构和工艺性进行分析,编写工艺(参考《典型零件工艺分析与加工》、《机械切削工人实用手册》),然后在工艺内选择加工Φ70孔工序设计专用夹具,并拆画非标零件图(参考《机床夹具设计与使用一本通》)。

柴油机连杆材料45钢,属于模锻件,再由《机械切削工人实用手册》查出柴油机连杆各加工表面的毛坯余量,绘制出毛坯图,选择刀具、机床和量具等,并计算出各加工表面的工时。再以六点定位原理,选择夹具定位机构,计算分析定位误差,接着再参考常用夹紧机构和柴油机连杆形状结构,选择合适的夹紧机构夹紧工件,计算出切削力和夹紧力,并校核,最后一步设计引导装置。

关键词:柴油机连杆;夹具设计;工艺分析;定位机构

目录

摘 要 1

Abstract 2

目录 1

1 零件分析 3

1.1 柴油机连杆的功用和性能要求 3

1.2柴油机连杆的技术分析 4

1.2.1 大、小头孔的尺寸精度、形状精度 5

1.2.2 大、小头孔轴心线在两个互相垂直方向的平行度 5

1.2.3 大、小头孔中心距 5

1.3 柴油机连杆材料及毛坯设计 5

2工艺规程设计 6

2.1零件结构工艺性分析 6

2.2 定位基准的选择 6

2.3 确定加工方案 6

2.4制订工艺路线,选择刀具 8

2.5机械加工余量,工序尺寸及毛坯尺寸 10

2.6确定切削用量 11

2.6.1柴油机连杆 11

2.6.2柴油机连杆体 20

2.6.3柴油机连杆盖 26

2.6.4连杆体和连杆盖组装在一起 28

4镗床夹具设计 30

4.1指定工序的工艺分析 30

4.2定位方案及定位元件选择,定位误差分析 30

4.2.1 定位方案及定位元件选择 30

4.2.2定位误差分析 31

4.3夹紧误差分析 32

4.4 切削力及夹紧力计算 32

4.5夹紧方案设计及夹紧机构设计 33

4.6夹紧强度校核 33

4.7夹具体与机床的连接设计 34

4.8夹紧结构及操作说明 34

结 论 35

参考文献 36

温馨提示:

1、题目前面的备注【字母数字编号】为本站整理分类的编号,与课题内容无关,请选题时忽视;

2、若题目上备注三维,则表示文件里包含三维源文件,由于三维组成零件数量较多,为保证预览截图的简洁性,本站将三维文件夹进行了打包。三维及CAD预览截图,均为本站电脑打开软件进行截图的,保证能够打开,下载原件超高清,下载后解压即可;

3、本站所有资源如无特殊说明,都需要本地电脑安装Office2007。图纸软件为AutoCAD,PROE,UG,SolidWorks,CATIA等;

4、本站所有图文资料仅供用户学习参考,不作为任何商用或其他用途;
5、本站不保证下载资源的准确性、安全性和完整性, 不包修改,不支持退换,同时也不承担用户因使用这些下载资源对自己和他人造成任何形式的伤害或损失;

6、 下载文件中如有侵权或不适当内容,请与我们联系,我们立即纠正。


线