

作品包括:
Word版说明书1份,共33页,约14000字
CAD版本图纸,共5张

摘要
首先调查了模具行业的现状,同时对修正带市场的现状进行了调研,了解了修正带在市场上的需求。然后对设计方案的经济性及制造性进行了分析比较,选择了合理的方案。在模具的设计过程中,绘制出塑件的二维模型;根据所得的塑件体积及投影面积,对所需注射量和锁模力进行计算,初选合适的注射机;并且对模具的各个组成部分进行了详细的设计计算及校核,利用二维软件绘制装配图和零件图,完成对修正带大齿轮注塑模具的设计。
关键词:修正带大齿轮;注射量;锁模力;注塑模具
目录
摘要I
Abstract II
第1章绪论1
1.1课题所涉及技术领域现状1
1.1.1注塑模具行业现状1
1.2课题所涉及领域发展趋势1
1.2.1注塑模具行业发展趋势1
第2章修正带大齿轮方案设计及可行性论证3
2.1工艺分析3
2.2修正带大齿轮方案设计3
2.2.1方案1 4
2.2.2方案2 6
2.2.3方案3 8
2.3方案评价9
2.3.1方案1评价9
2.3.2方案2评价10
2.3.3方案3评价10
2.4方案确定11
第3章注塑模具设计计算12
3.1计算塑件的体积和质量12
3.1.1塑件的体积和质量12
3.2注塑机选择12
3.2.1成型腔数的确定12
3.2.2注射量的计算12
3.2.3锁模力的计算12
3.2.4注射机技术参数确定13
3.3分型面选择及浇注系统设计13
3.3.1分型面的选择13
3.3.2浇注系统的设计14
3.4推出机构设计16
3.4.1推杆的设计16
3.5调温系统设计计算17
3.5.1注射模冷却系统冷却参数的计算17
3.6主要成型零件结构设计及工作尺寸计算19
3.6.1型腔的结构设计及工作尺寸的计算19
3.6.2型芯的结构设计及工作尺寸的计算21
3.7注塑机有关参数校核23
3.7.1注射装置参数校核23
3.7.1合模装置参数校核23
3.8环境保护和可持续发展方面的思考24
3.8.1模具垃圾处理24
第4章产品使用与维护25
4.1注塑模具的安装步骤25
4.2注塑模具的维护25
4.2.1模具维护的目的25
4.2.2模具维护的基本内容25
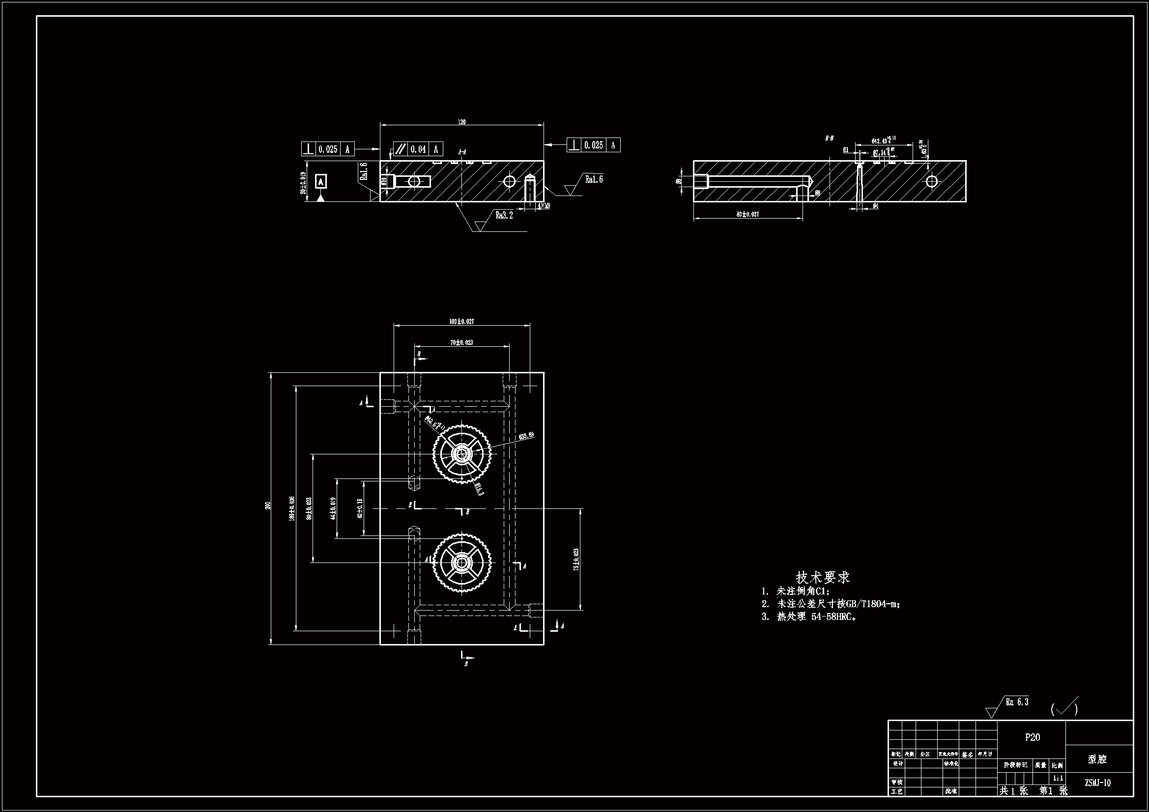
第5章模具结构27
结论31
参考文献32
致谢34
温馨提示:
1、题目前面的备注【字母数字编号】为本站整理分类的编号,与课题内容无关,请选题时忽视;
2、若题目上备注三维,则表示文件里包含三维源文件,由于三维组成零件数量较多,为保证预览截图的简洁性,本站将三维文件夹进行了打包。三维及CAD预览截图,均为本站电脑打开软件进行截图的,保证能够打开,下载原件超高清,下载后解压即可;
3、本站所有资源如无特殊说明,都需要本地电脑安装Office2007。图纸软件为AutoCAD,PROE,UG,SolidWorks,CATIA等;
4、本站所有图文资料仅供用户学习参考,不作为任何商用或其他用途;
5、本站不保证下载资源的准确性、安全性和完整性, 不包修改,不支持退换,同时也不承担用户因使用这些下载资源对自己和他人造成任何形式的伤害或损失;
6、 下载文件中如有侵权或不适当内容,请与我们联系,我们立即纠正。