欢迎来到龙图网在线图文分享平台-CAD图纸,设计说明书,工业设计3D模型,三维软件下载!   客服QQ:2363701252
热搜:

工艺夹具 模具设计 数控编程 土木工程 3D模型

A296-支板的冲压模具设计 下载积分:50 资料编号: A296

1.打开支付宝或者微信扫描二维码。
2.填写金额:50 
3.添加备注,填写资料编号:
资料编号: A296
4.支付成功后,请发资料编号到邮箱:jxsj168@qq.com
会有专人在15分钟内把资料发到您邮箱
备注:如果付款忘记填写资料编号,则发邮件时附带您的交易明细截图即可。
请耐心等待,如超过30分钟还没收到,请联系客服QQ:2363701252
点击分享:

作品描述

作品包括:

说明书1份,共33页,约7000字左右

CAD版本本图纸,共15张


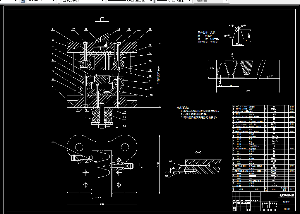
支板冲压成形工艺及模具设计

摘要:本设计题目为复合模具设计,体现了典型复合模具设计的要求,内容与方向。通过对该零件的模具设计,进一步加强了我对冲裁模的基础知识,为以后接触更复杂的模具奠定了一定的基础。

本设计运用了冲裁工艺与模具结构设计基础知识,首先了解了支件所用的材料及生产批量;再次分析支件的形状及所要达到的精度要求,确定生产工艺方案及模具的结构类型;计算确定模具设计参数,及卸料与推荐装置的设置;最终制定模具的加工工艺规程及模具的装配、调试过程。


关键词:  冲裁复合模  推荐块  卸料板   


目    录

1  绪论………………………………………………………………………………………1

1.1 国内模具的现状和发展趋势……………………………………………………………1

1.1.1 国内模具的现状………………………………………………………………………1

1.1.2 国内模具的发展趋势…………………………………………………………2

1.2 国外模具的现状和发展趋势……………………………………………………3

1.3 冲裁模具设计与制造方面………………………………………………………………3

1.3.1支板冲裁模具设计的思路……………………………………………3

1.3.2 支板冲裁模具设计的进度…………………………………………………4

2  冲裁件的工艺分析………………………………………………………………………5

2.1 结构尺寸…………………………………………………………………………………5

2.2 精度………………………………………………………………………………………5

2.3 材料………………………………………………………………………………………5

3  确定工艺方案及模具的结构形式………………………………………………………7

4  模具的设计计算…………………………………………………………………………8

4.1排样、计算条料的宽度……………………………………………………………8

4.2冲裁力的计算………………………………………………………………9

4.3 确定压力中心……………………………………………………………………………10

4.4 冲模刃口尺寸的计算……………………………………………………………………10

4.5 凸、凹模的结构设计……………………………………………………………………11

4.5.1 凹模的设计……………………………………………………………………………11

4.5.2 凸凹模的设计…………………………………………………………………………12

4.5.3 冲孔凸模的设计………………………………………………………………………13

4.6 绘制模具总装图及非标准模具零件图………………………………………………14

4.7卸料装置中橡胶块的设计………………………………………………………………21

4.8模架的设计………………………………………………………………………………22

4.9校核冲压设备基本参数…………………………………………………………………22

5  编制工作零件的加工工艺过程…………………………………………………………24

5.1 落料凹模、冲孔凸模、凸凹模的加工原则…………………………………………24

5.2 锻件毛坯下料尺寸的确定……………………………………………………………24

5.3 加工工艺过程的确定…………………………………………………………………25

6 结束语……………………………………………………………………………29

致谢 …………………………………………………………………………………30

参考文献………………………………………………………………………………31

温馨提示:

1、题目前面的备注【字母数字编号】为本站整理分类的编号,与课题内容无关,请选题时忽视;

2、若题目上备注三维,则表示文件里包含三维源文件,由于三维组成零件数量较多,为保证预览截图的简洁性,本站将三维文件夹进行了打包。三维及CAD预览截图,均为本站电脑打开软件进行截图的,保证能够打开,下载原件超高清,下载后解压即可;

3、本站所有资源如无特殊说明,都需要本地电脑安装Office2007。图纸软件为AutoCAD,PROE,UG,SolidWorks,CATIA等;

4、本站所有图文资料仅供用户学习参考,不作为任何商用或其他用途;
5、本站不保证下载资源的准确性、安全性和完整性, 不包修改,不支持退换,同时也不承担用户因使用这些下载资源对自己和他人造成任何形式的伤害或损失;

6、 下载文件中如有侵权或不适当内容,请与我们联系,我们立即纠正。


线