

作品包括:
说明书1份,共29页,约9900字左右
CAD版本本图纸,共9张
仪表指针冲压工艺及模具设计
摘要
本设计的题目为仪表指针冲压工艺及模具设计,体现了薄板类冲裁零件的要求、内容及方向,有一定的设计意义。通过对该零件模具的设计,进一步加强了本人冲压模设计的基础知识,为设计更复杂的冲压模具做好了铺垫和吸取更深刻的经验。
本设计运用冲压成型工艺及模具设计的基础知识,首先分析了冲裁件的冲压工艺性,为确定冲裁工艺方案做好了准备;然后计算冲裁力和模具刃口尺寸,便于选取压力机及确定工作零件的尺寸和结构;最后分析了制件的特征,确定模具的设计参数、设计要点及推件装置的选取。
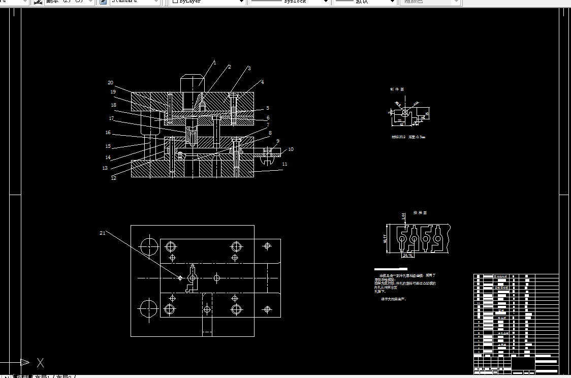
本冲裁件上孔为非规则形状的孔,为了便于冲孔凸模的加工,所以在设计时把冲孔凸模设计成直通式,然后,将其铆接在凸模固定板上。此外,该制件的尺寸较大,为保证凹模的加工精度,在设计时应将其设计成凹模组件。为了方便制件的取出,本副模具采用倒装结构形式,同时,为了简化模具结构采用弹性推件装置。
关键词 冲压模 倒装复合 凹模组件 弹性推件
目录
1.绪论 1
1.1 国内模具的现状和发展趋势 1
1.1.1 国内模具的现状 1
1.1.2 国内模具的发展趋势 5
1.2 国外模具的现状和发展趋势 7
1.3 仪表指针模具设计的设计思路 7
1.4 仪表指针模具设计的进度 8
2、 任务与分析 9
2.1 设计任务书 9
2.2 冲裁件工艺分析 9
2,2.1 冲裁件的结构工艺性 9
2,2.2 尺寸精度与断面粗糙度 10
2.3 冲压工艺方案的确定 10
2.4 冲压工艺计算 11
2.4.1排样设计与计算 11
2.4.2凹、凸模刃口尺寸计算 12
2.4.3冲孔凹模刃口尺寸计算 13
2.5计算冲压力、压力中心,初选压力机 13
2.6 模具结构的确定,画出模具结构简图 14
2.6.1模具类型 14
2.6.2操作与定位方式 14
2.6.3卸料与出件方式 14
2.6.4模架类型及精度 15
2.7模具零部件设计 15
2.7.1凹模设计 15
2.7.2冲孔凸模设计 16
2.7.3落料凸模 16
2.8定位零件的选择 16
2.9导料板的设计 18
3.卸料部件的设计 20
3.1卸料板的设计 20
3.2卸料螺钉的选用 20
3.3模架及其他零部件设计 20
4. 其他标准件的选择 22
4.1 卸料螺钉: 22
4.2 连接上模座与凸模固定板的螺钉,销钉: 22
4.3模柄的紧固螺钉: 23
4.4 连接凹模与下模座的螺钉,销钉: 23
5.总结 24
6. 参考文献 25
7.致 谢 26
温馨提示:
1、题目前面的备注【字母数字编号】为本站整理分类的编号,与课题内容无关,请选题时忽视;
2、若题目上备注三维,则表示文件里包含三维源文件,由于三维组成零件数量较多,为保证预览截图的简洁性,本站将三维文件夹进行了打包。三维及CAD预览截图,均为本站电脑打开软件进行截图的,保证能够打开,下载原件超高清,下载后解压即可;
3、本站所有资源如无特殊说明,都需要本地电脑安装Office2007。图纸软件为AutoCAD,PROE,UG,SolidWorks,CATIA等;
4、本站所有图文资料仅供用户学习参考,不作为任何商用或其他用途;
5、本站不保证下载资源的准确性、安全性和完整性, 不包修改,不支持退换,同时也不承担用户因使用这些下载资源对自己和他人造成任何形式的伤害或损失;
6、 下载文件中如有侵权或不适当内容,请与我们联系,我们立即纠正。