

作品包括:
Word版说明书1份,共34页,约11000字
工序卡10张
工艺过程卡1张
CAD版本图纸,共4张

摘 要
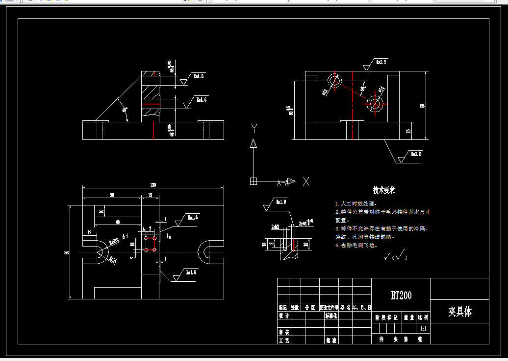
连杆件的课程设计难点在于零件工艺分析及夹具设计。工艺分析:连杆材料HT200,依据《机械制造工艺与夹具课程设计指导》、《典型零件工艺分析与加工》,首先选择连杆的毛坯,再确定粗、精基准、各加工表面的加工方法及加工余量,接着制订出合理工艺路线,计算各工序的工时。连杆件的夹具设计,依据《机床夹具设计》和专业方面的教材,六点定位原理确定合理的定位方式,然后根据常用定位元件,选择合理的定位元件,再依据夹紧装置、常用夹紧机构,选择合理的夹紧方式,接着根据对刀及引导装置,选择满足要求的引导元件,最后合理的把这些定位元件、夹紧元件和引导元件排布在夹具体上,绘制出装配图。通过这次连杆的课程设计,不但使我对这几年所学进行了一次复习、巩固,更是通过查阅相关资料,丰富了所学,对以往的不足进行补充。
关键词:连杆、工艺分析、夹具设计
目 录
目 录 1
摘 要 1
abstract 2
第1章 引言 3
第2章 连杆的工艺分析 4
2.1 连杆的作用 4
2.2 连杆工艺分析 4
第3章 连杆的工艺 5
3.1连杆毛坯 5
3.2连杆的加工余量 5
3.3 连杆工艺路线 6
3.4 连杆工时计算 6
第4章 连杆钻床夹具设计 28
4.1夹具的组成 28
4.2 夹具定位元件选择 29
4.3夹紧机构设计与夹紧力计算 29
4.4定位误差的计算 30
4.5夹具整体方案 31
4.6夹具整体定型 31
致 谢 32
参考文献 33
温馨提示:
1、题目前面的备注【字母数字编号】为本站整理分类的编号,与课题内容无关,请选题时忽视;
2、若题目上备注三维,则表示文件里包含三维源文件,由于三维组成零件数量较多,为保证预览截图的简洁性,本站将三维文件夹进行了打包。三维及CAD预览截图,均为本站电脑打开软件进行截图的,保证能够打开,下载原件超高清,下载后解压即可;
3、本站所有资源如无特殊说明,都需要本地电脑安装Office2007。图纸软件为AutoCAD,PROE,UG,SolidWorks,CATIA等;
4、本站所有图文资料仅供用户学习参考,不作为任何商用或其他用途;
5、本站不保证下载资源的准确性、安全性和完整性, 不包修改,不支持退换,同时也不承担用户因使用这些下载资源对自己和他人造成任何形式的伤害或损失;
6、 下载文件中如有侵权或不适当内容,请与我们联系,我们立即纠正。