

作品包括:
Word版说明书1份,共41页,约12000字
工序卡7张
工艺过程卡1张
CAD版本图纸,共6张
UG三维图一套

摘 要
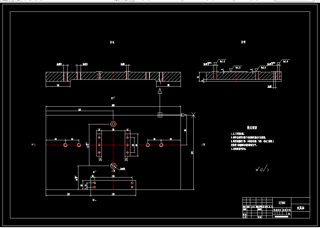
轴承泵盖加工工艺规程及其钻攻4 M5-7H螺纹的夹具设计,依据所给任务书和轴承泵盖的零件图,利用UG绘制出轴承泵盖三维图,CAXA绘制出轴承泵盖二维图,对轴承泵盖产品结构和工艺进行分析,编写轴承泵盖工艺规程,确定轴承泵盖各加工表面毛坯余量,并计算机械工时(参考《典型零件工艺分析与加工》、《机械切削工人实用手册》),最后在工艺内选择4 M5-7H螺纹工序,并设计专用夹具,并拆画非标零件图,绘制三维夹具总装图(参考《机床夹具设计与使用一本通》、《零件三维建模与制造——UG NX三维造型》)。
轴承泵盖HT200,采用铸造毛坯,调质处理。4 M5-7H螺纹的夹具设计,以《简明机床夹具设计手册》中六点定位原理,选择夹具定位元件:支承板、A型固定式定位销和B型固定式定位销;接着再参考常用夹紧机构,选择移动压板夹紧机构夹紧工件;最后以钻套的选择和设计,选择快换钻套引导结构,引导钻头对中。
关键词 :轴承泵盖;工艺分析;夹具总装图
目 录
第1章 绪 论 1
第2章 轴承泵盖零件分析 2
2.1 轴承泵盖的作用 2
2.2 轴承泵盖毛坯制造形式 3
2.3 轴承泵盖机械加工余量 3
第3章 工艺规程设计 5
3.1 定位基准的选择 5
3.1.1精基准的选择 5
3.1.2粗基准的选择 5
3.2 制定加工工艺路线 5
3.3 选择切削用量、确定时间定额 5
第4章 钻床夹具设计 31
4.1 问题的提出 31
4.2夹具定位分析 31
4.3 定位误差分析 32
4.3.2 转角误差 32
4.4 钻削力和夹紧力计算 33
4.4.1计算钻削力 33
4.4.2 计算移动压板夹紧力 33
4.5 引导装置 34
致 谢 37
参考文献 38
温馨提示:
1、题目前面的备注【字母数字编号】为本站整理分类的编号,与课题内容无关,请选题时忽视;
2、若题目上备注三维,则表示文件里包含三维源文件,由于三维组成零件数量较多,为保证预览截图的简洁性,本站将三维文件夹进行了打包。三维及CAD预览截图,均为本站电脑打开软件进行截图的,保证能够打开,下载原件超高清,下载后解压即可;
3、本站所有资源如无特殊说明,都需要本地电脑安装Office2007。图纸软件为AutoCAD,PROE,UG,SolidWorks,CATIA等;
4、本站所有图文资料仅供用户学习参考,不作为任何商用或其他用途;
5、本站不保证下载资源的准确性、安全性和完整性, 不包修改,不支持退换,同时也不承担用户因使用这些下载资源对自己和他人造成任何形式的伤害或损失;
6、 下载文件中如有侵权或不适当内容,请与我们联系,我们立即纠正。