

作品包括:
说明书1份,共32页,约10000字左右
CAD版本本图纸,共14张
SW三维图一份
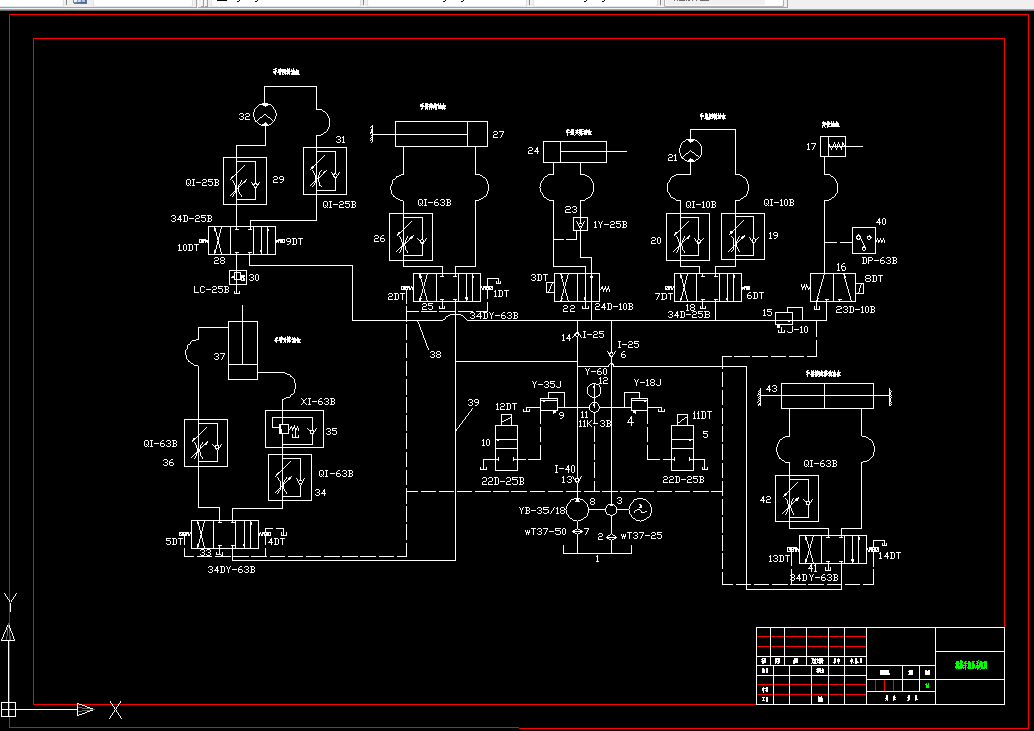
摘 要:本次毕业设计的题目是高炉上料机械手液压系统的设计,首先对高炉上料机械手的工况进行分析,此上料机械手完成小臂上下俯仰、大臂正反向回转、行走装置进退三个自由度,以及手爪的开启和闭合等动作,然后给出该高炉上料机械手的液压系统的电磁元件动作循序表和液压系统原理图。
本械手由大臂结构,小臂、旋转结构和驱动机构组成。该设计能实现三个自由度,分别为手爪的开合,旋转,小臂的上下摆动以及大臂的旋转等等功能。
关键词:高炉上料机械手,液压系统,自由度,功能
目录
摘要 I
Abstract II
第一章 绪论 1
1.1本课题研究的内容 1
1.2国内外发展状况 2
1.3机械手的组成和分类 4
1.4液压传动的基础知识 6
第二章 高炉上料机械手的设计方案 8
2.1 高炉上料机械手的总体方案图 9
2.2 高炉上料机械手的工作原理 10
第三章 高炉上料机械手结构的设计 11
3.1夹持式手部结构 12
3.1.1手指的形状和分类 13
3.1.2设计时考虑的几个问题 14
3.1.3手部夹紧液压缸的设计 14
3.2液压缸驱动力矩的计算 16
3.3液压缸驱动力矩的计算校核 17
3.4 电机的选型计算 18
3.5 直线导杆的选型计算 20
第四章 高炉上料机械手中关键零部件的强度计算与校核 23
4.1齿轮的强度计算与校核 24
4.2轴的强度计算与校核 25
高炉上料机械手液压系统的设计 26
5.1液压系统原理图的确定 27
5.2电磁元件动作循序表的确定 29
总结 30
致谢 31
参考文献 32
温馨提示:
1、题目前面的备注【字母数字编号】为本站整理分类的编号,与课题内容无关,请选题时忽视;
2、若题目上备注三维,则表示文件里包含三维源文件,由于三维组成零件数量较多,为保证预览截图的简洁性,本站将三维文件夹进行了打包。三维及CAD预览截图,均为本站电脑打开软件进行截图的,保证能够打开,下载原件超高清,下载后解压即可;
3、本站所有资源如无特殊说明,都需要本地电脑安装Office2007。图纸软件为AutoCAD,PROE,UG,SolidWorks,CATIA等;
4、本站所有图文资料仅供用户学习参考,不作为任何商用或其他用途;
5、本站不保证下载资源的准确性、安全性和完整性, 不包修改,不支持退换,同时也不承担用户因使用这些下载资源对自己和他人造成任何形式的伤害或损失;
6、 下载文件中如有侵权或不适当内容,请与我们联系,我们立即纠正。