

作品包括:
Word版说明书1份,共20页,约7400字
工序卡10张
工艺过程卡1张
CAD版本图纸,共4张
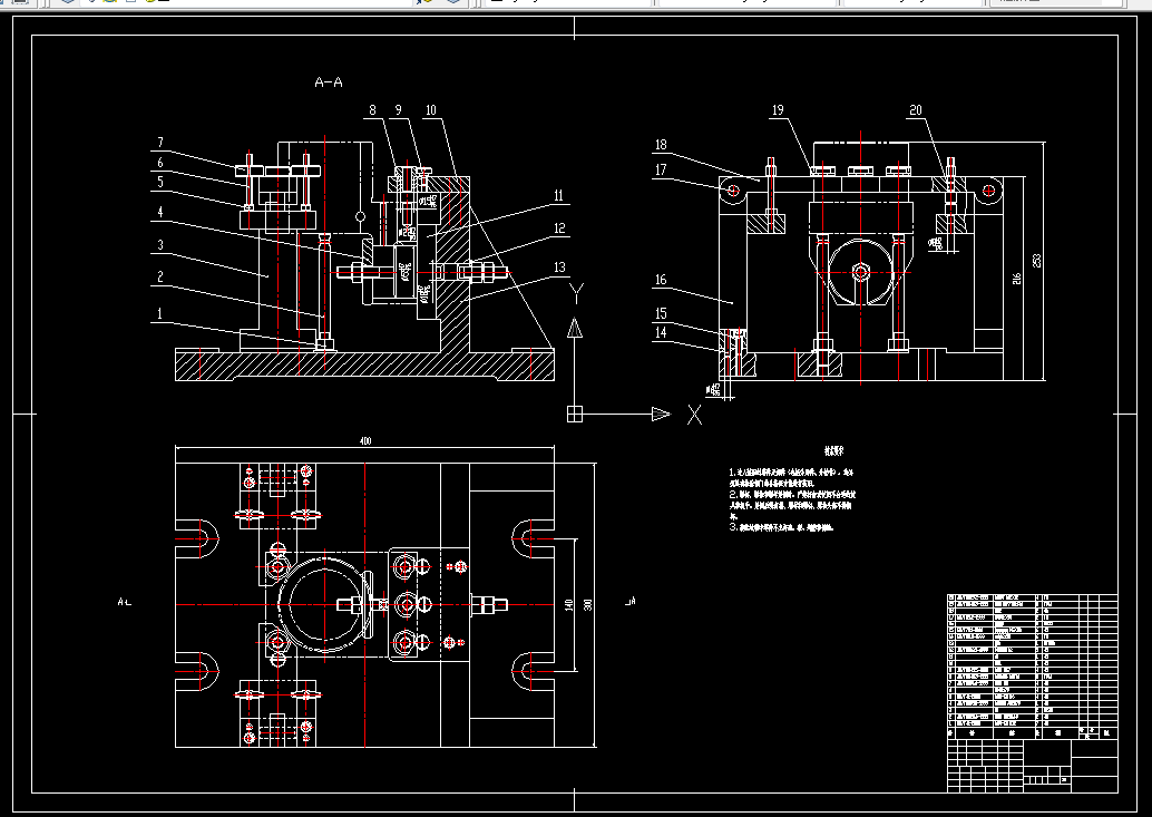
![1701326461380321.png FIW~_}0]Z[JQ$CA52PZ[B@F.png](/uploadfiles/20231130/1701326461380321.png)
目 录
第1章 绪 论 1
第2章 工艺设计 2
2.1 零件的分析 2
2.1.1零件的作用 2
2.1.2零件的工艺分析 3
2.2 毛坯选择 3
2.2.1 确定毛坯的制造形式 3
2.2.2 基面的选择 3
2.3毛坯的种类 5
2.3.1毛坯尺寸公差与机械加工余量的确定 5
2.3.1设计毛坯图 5
2.4 零件表面加工方法和工艺路线的确定 6
2.4.1确定各表面的加工方法 6
2.4.2加工顺序的安排 6
2.4.3工艺路线分析比较 6
2.5 工艺设计 8
2.5.1选择加工设备与工艺设备 8
2.5.2选择夹具 8
2.5.3选择刀具 8
2.5.4选择量具 8
2.6 确定各工序切削用量 8
工序 镗φ75孔成型 8
工序:镗φ55孔孔切削用量 10
工序 钻攻5-M12孔 11
工序 钻φ6孔 12
工序 钻端面φ10孔 12
第三章 夹具设计 14
3.1 问题的提出 14
3.2 定位基准的选择 14
3.3 确定夹具的结构以及夹紧机构的方案 14
3.4 设计整体夹具装配图 14
3.5计算钻削力 15
3.6计算夹紧力 15
3.7分析与计算误差 15
3.8夹具设计简要操作说明 16
总结 17
致 谢 18
参考文献 19
温馨提示:
1、题目前面的备注【字母数字编号】为本站整理分类的编号,与课题内容无关,请选题时忽视;
2、若题目上备注三维,则表示文件里包含三维源文件,由于三维组成零件数量较多,为保证预览截图的简洁性,本站将三维文件夹进行了打包。三维及CAD预览截图,均为本站电脑打开软件进行截图的,保证能够打开,下载原件超高清,下载后解压即可;
3、本站所有资源如无特殊说明,都需要本地电脑安装Office2007。图纸软件为AutoCAD,PROE,UG,SolidWorks,CATIA等;
4、本站所有图文资料仅供用户学习参考,不作为任何商用或其他用途;
5、本站不保证下载资源的准确性、安全性和完整性, 不包修改,不支持退换,同时也不承担用户因使用这些下载资源对自己和他人造成任何形式的伤害或损失;
6、 下载文件中如有侵权或不适当内容,请与我们联系,我们立即纠正。