

作品包括:
Word版说明书1份,共30页,约7000字
工序卡7张
工艺过程卡1张
CAD版本图纸,共4张
SW三维图一套
![1704434931168129.png S]E`J_0[%$1WL]0B0Q1AZTK.png](/uploadfiles/20240105/1704434931168129.png)
目 录
摘 要 1
ABSTRCT 2
引 言 5
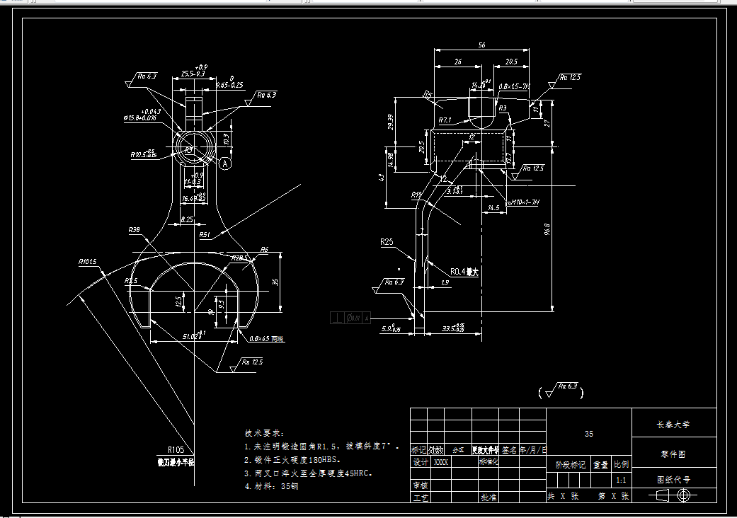
第一章 零件的分析 6
第二章 工艺规程的设计 7
2.1 、确定毛坯的的制造形式 7
2.2 、基准的选择 7
2.3 、制订工艺路线 8
2.4 、机械加工余量、工序尺寸及毛坯尺寸的确定 10
第三章 切削用量计算 12
3.1 工序30:铣Φ20.5左端面 12
3.2 工序40:铣Φ20.5右端面及宽11的面 13
3.3 工序50:钻,扩,铰Φ15.81F8孔 14
3.4 工序60:铣宽16.5的面 16
3.5 工序70:钻宽16.5的面上M10的螺纹底孔Φ8.5,攻丝M10 17
3.6 工序80:铣叉口的左右端面 18
3.7 工序90:铣叉口宽51的面 19
3.8 工序100:铣宽9.65的左右端面 20
3.9 工序110:铣宽14.2的槽 21
第四章 专用夹具的设计 23
4.1、铣拨叉宽51面的夹具设计 23
4.1.1 问题的提出 23
4.1.2 定位基准的选择 23
4.1.3 定位元件的设计 23
4.1.4 切削力及夹紧力计算 23
4.1.5定向键与对刀装置设计 25
4.1.6 夹具设计及操作简要说明 26
总 结 28
致 谢29
温馨提示:
1、题目前面的备注【字母数字编号】为本站整理分类的编号,与课题内容无关,请选题时忽视;
2、若题目上备注三维,则表示文件里包含三维源文件,由于三维组成零件数量较多,为保证预览截图的简洁性,本站将三维文件夹进行了打包。三维及CAD预览截图,均为本站电脑打开软件进行截图的,保证能够打开,下载原件超高清,下载后解压即可;
3、本站所有资源如无特殊说明,都需要本地电脑安装Office2007。图纸软件为AutoCAD,PROE,UG,SolidWorks,CATIA等;
4、本站所有图文资料仅供用户学习参考,不作为任何商用或其他用途;
5、本站不保证下载资源的准确性、安全性和完整性, 不包修改,不支持退换,同时也不承担用户因使用这些下载资源对自己和他人造成任何形式的伤害或损失;
6、 下载文件中如有侵权或不适当内容,请与我们联系,我们立即纠正。