

作品包括:
Word版说明书1份,共39页,约21000字
CAD版本图纸,共6张
![1750563887407644.png `32J0BOZ77(M@10SR)[]HKQ.png](/uploadfiles/20250622/1750563887407644.png)
摘要
现在我们国家的经济发展迅速,随着工业化程度加深,之前使用的人工检测,效率很 低,对于现在的生产速度实现不了,还有人工成本现在提高了,这些问题都需要及时解决。 电脑对生产过程进行管理和控制,使得生产效率提升很多,以致如今很多人都开始研究这 个问题。
本课题主要设计光学检测平台,利用光电检测技术对铁轨进行检测。其主要设计内容 有对铁轨列车的发展,光电检测技术的发展等内容的研究;对检测平台的结构进行设计、 计算与确定,对驱动部分的零件进行校核。还对平台的控制部分进行设计。
最后,绘制检测平台装配图及主要零部件图,对设计的零件进行二次优化,编写本设 计说明书等。
关键词 光学检测;平台;铁轨;设计;控制
目 录
摘要 I
Abstract II
1 绪论 1
1.1 本课题选题的背景及意义 1
1.2 铁轨的概述 1
1.3 国内外铁轨列车的发展 1
1.4 光电检测技术的概述 3
1.5 光电检测技术的发展现状 3
1.6 光电检测技术的发展趋势 4
1.7 本课题研究的内容及技术路线 5
2 总体方案的选择与确定 7
2.1 设计任务的确定 7
2.2 铁轨光学检测平台参数要求 8
2.3 传动方案的选择、比较与确定 8
2.4 三相异步电动机的选择 11
3 主要零部件的设计与计算 14
3.1 联轴器的设计 14
3.2 蜗杆传动设计 15
3.2.1 选择蜗杆的传动类型 15
3.2.2 选择材料 15
3.2.3 蜗杆传动的受力分析 16
3.2.4 按齿根弯曲疲劳强度设计 16
3.2.5 蜗杆与蜗轮的主要参数与几何尺寸 17
3.2.6 精度等级公差和表面粗糙度的确定 17
3.2.7 热平衡核算 18
3.3 轴的设计与计算 18
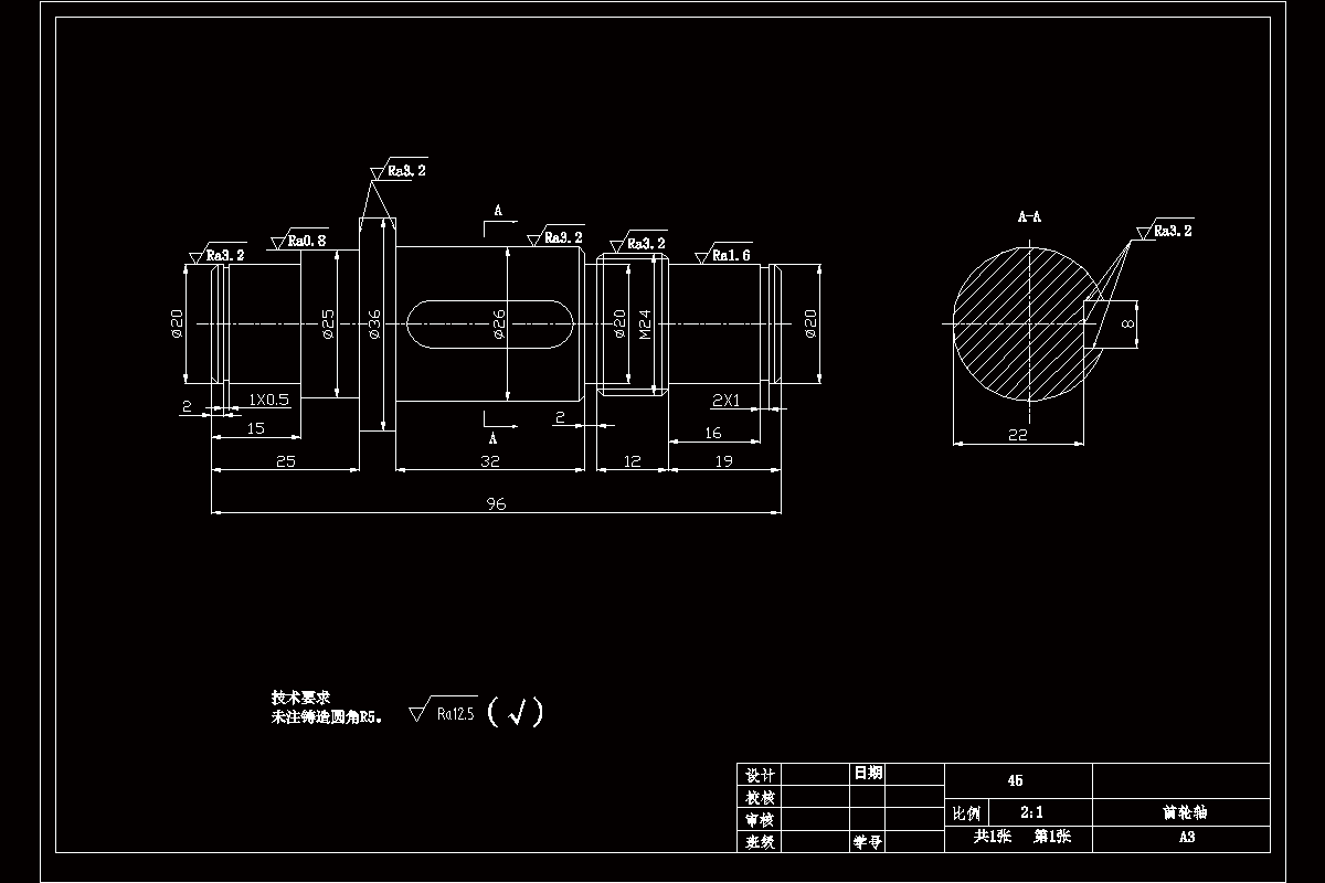
3.3.1 前轮轴的设计与计算 18
3.3.2 后轮轴的设计与计算 20
3.4 滚动轴承的选择、计算与确定 23
3.4.1 前轮轴轴承选择、计算与确定 24
3.4.2 蜗杆轴轴承的选择、计算与确定 25
3.4.3 后轮轴轴承选择、计算与确定 26
4 其他零部件的设计与确定 28
4.1 车体的设计与确定 28
4.2 车轮的设计与确定 29
4.3 摄像头的选择 29
5 电气控制部分的设计 31
5.1 设计控制电路应遵循的原则 31
5.2 控制电路的设计步骤 31
5.3 控制电路原理的确定 32
结论 33
致谢 34
参考文献 35
温馨提示:
1、题目前面的备注【字母数字编号】为本站整理分类的编号,与课题内容无关,请选题时忽视;
2、若题目上备注三维,则表示文件里包含三维源文件,由于三维组成零件数量较多,为保证预览截图的简洁性,本站将三维文件夹进行了打包。三维及CAD预览截图,均为本站电脑打开软件进行截图的,保证能够打开,下载原件超高清,下载后解压即可;
3、本站所有资源如无特殊说明,都需要本地电脑安装Office2007。图纸软件为AutoCAD,PROE,UG,SolidWorks,CATIA等;
4、本站所有图文资料仅供用户学习参考,不作为任何商用或其他用途;
5、本站不保证下载资源的准确性、安全性和完整性, 不包修改,不支持退换,同时也不承担用户因使用这些下载资源对自己和他人造成任何形式的伤害或损失;
6、 下载文件中如有侵权或不适当内容,请与我们联系,我们立即纠正。