

作品包括:
Word版说明书1份,共39页,约17000字
PPT答辩一份
CAD版本图纸,共4张
![1749902613269864.png ELYL{_8]V%BN`[MRP]NBV}F.png](/uploadfiles/20250614/1749902613269864.png)
摘要
近年来海内外提升设备的发展异常迅猛,目的是让设备更加智能化和更具安全性。对目前的提升设备坚持实行技术创新和改进,把陈旧的单一锁链式改进为多根锁链式,提升效率明显增强,单次重量也逐渐增加。为了节省大量电能,减轻运行资本负担和减去厂房面积,多根锁链式在某些层面上改善了单一锁链式在井深较深情况下所发现的缺陷,选用尾部锁链均衡,其两头的张力差得到了有效削减,运转也更加可靠稳固。因此我选择了多绳摩擦式提升机。机械产业的日益更新,都选择了最先进的技术、最超前的工艺、最适合的材料,能使提升设备向安全稳固、运转良好和高效自动化方向发展。
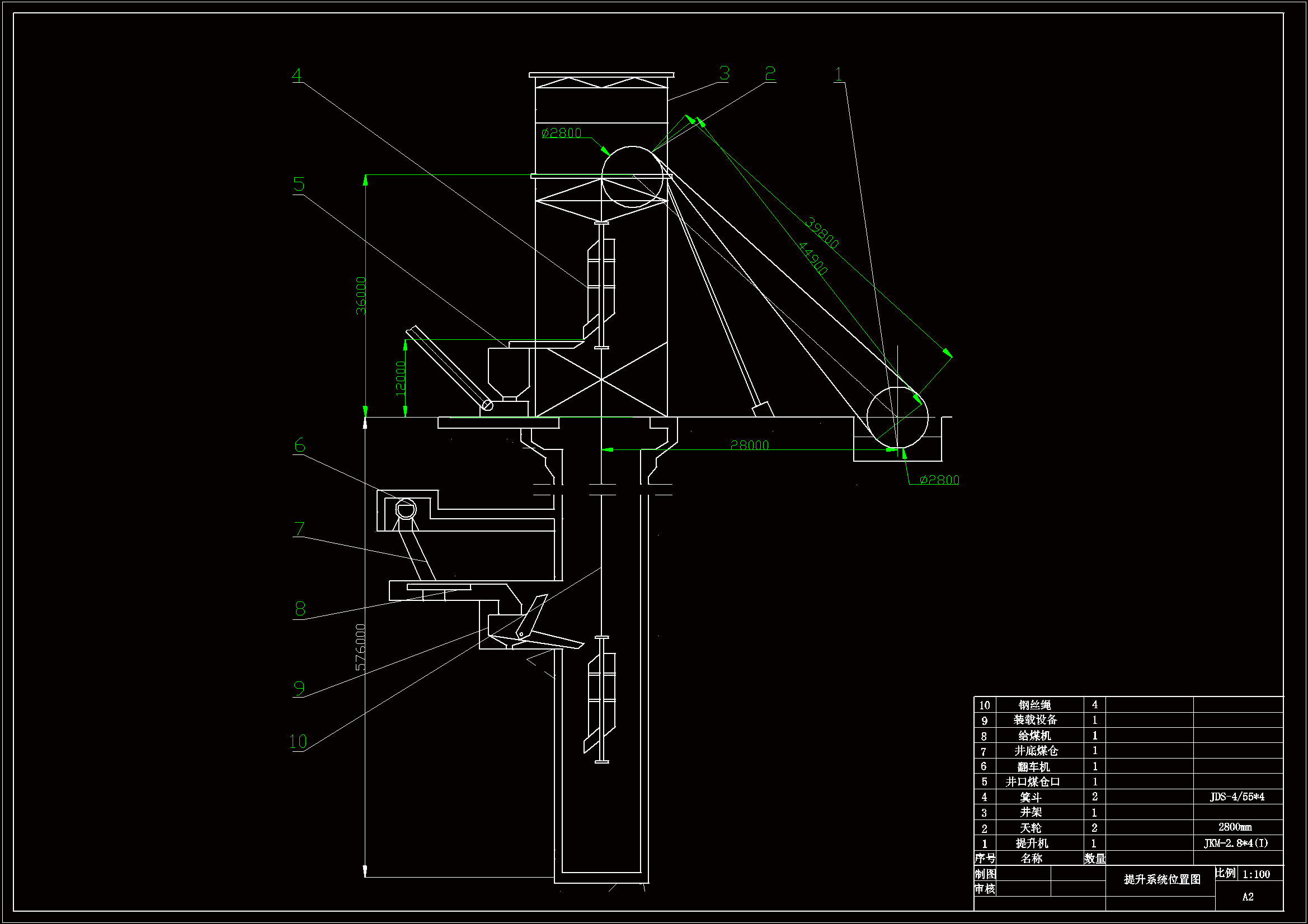
本次选型设计主要针对天轮、电动机、矿井提升机、钢丝绳、提升容器等开始了选型和计算,并且针对提升运动学和动力学开始了全方位的运算。
关键词:提升机;安全;可靠;选型
1绪论1
1.1矿井提升的地位与作用1
1.2矿井提升的任务2
1.3矿井提升的特点2
1.4矿井提升设备与提升系统2
2主井提升设备选型3
2.1提升容器选择(一期) 3
2.2钢丝绳选择4
2.2.1钢丝绳最大静载荷5
2.2.2首绳单位长度重量计算5
2.2.3尾绳单位长度重量计算6
2.2.4钢丝绳的使用与保护6
2.3提升容器的选择(二期) 7
2.4提升机的选择7
2.4.1多绳摩擦提升机的结构特点8
2.4.2提升机滚筒直径的确定10
2.4.3最大静张力和最大静张力差10
2.5矿井提升机与井筒相对位置的计算11
2.5.1井架高度12
2.5.2钢丝绳弦长13
2.5.3钢丝绳的出绳角13
2.5.4提升容器的最小自重14
2.5.5钢丝绳和提升机的校验14
2.6提升电动机的初选计算14
2.7提升设备的运动学计算16
2.7.1提升加速度的确定17
2.7.2主加速度a1的确定18
2.7.3提升减速度的确定18
2.7.4提升速度图参数设计18
2.8提升设备动力学计算20
2.9提升电动机容量的计算21
2.10电动机容量的验算22
2.11提升设备的电耗及效率计算23
3副井提升设备选型设计24
3.1提升容器选择24
3.2钢丝绳及提升机选择24
3.2.1绳端载荷计算24
3.2.2首绳单位长度重量24
3.2.3尾绳单位长度质量25
3.3提升机选择25
3.3.1摩擦轮直径25
3.4提升系统的确定25
3.4.1井架高度25
3.4.2主导轮和导向轮水平中心距离26
3.4.3围抱的确定26
3.5提升容器最小自重校核26
3.6钢丝绳和提升机校验26
3.7提升电动机的初选计算27
3.8提升速度图参数设计27
3.9提升设备的动力学计算29
小结32
参考文献33
致谢34
温馨提示:
1、题目前面的备注【字母数字编号】为本站整理分类的编号,与课题内容无关,请选题时忽视;
2、若题目上备注三维,则表示文件里包含三维源文件,由于三维组成零件数量较多,为保证预览截图的简洁性,本站将三维文件夹进行了打包。三维及CAD预览截图,均为本站电脑打开软件进行截图的,保证能够打开,下载原件超高清,下载后解压即可;
3、本站所有资源如无特殊说明,都需要本地电脑安装Office2007。图纸软件为AutoCAD,PROE,UG,SolidWorks,CATIA等;
4、本站所有图文资料仅供用户学习参考,不作为任何商用或其他用途;
5、本站不保证下载资源的准确性、安全性和完整性, 不包修改,不支持退换,同时也不承担用户因使用这些下载资源对自己和他人造成任何形式的伤害或损失;
6、 下载文件中如有侵权或不适当内容,请与我们联系,我们立即纠正。