

作品包括:
Word版说明书1份,共26页,约5000字
综合工艺卡1套
CAD版本图纸,共2张
![1706424482518427.png 9E`9MQDQ@`UNAVOL]CUY4XA.png](/uploadfiles/20240128/1706424482518427.png)
目 录
第1章 零件分析和毛坯设计 1
1.1零件工艺分析及生产类型确定 1
1.2毛坯类型及毛坯图设计 2
第2章 机械加工工艺规程设计 3
2.1基准选择 3
2.2 工艺方案拟定 3
2.2.1 零件表面加工方法选择 3
2.2.2 机械加工工艺路线拟定 3
2.3 机械加工余量、工序尺寸及公差的确定 4
2.4 主要工序切削用量及时间定额计算 4
2.4.1 基本计算方法 5
2.4.2工序计算 6
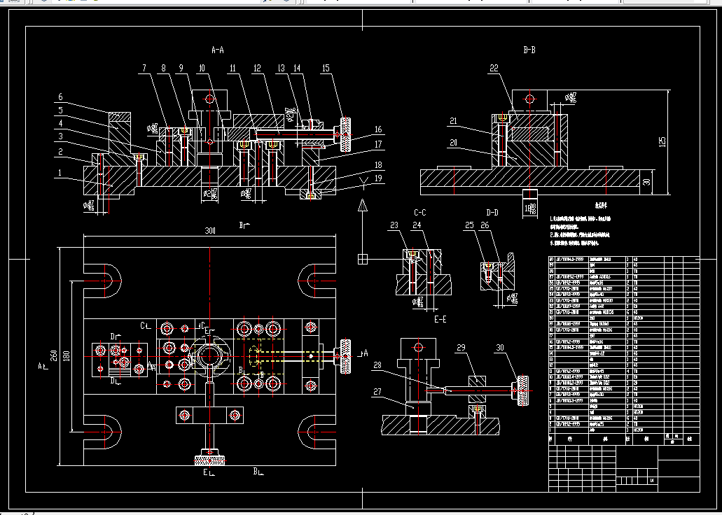
第3章 铣夹具设计 15
3.1 工序内容及加工要求 18
3.2 定位方案及定位误差计算 18
3.2.1 定位方案 18
3.2.2 定位误差计算 19
3.3 夹具结构设计及工作流程 20
第4章 经济技术分析 22
4.1 工艺成本 22
4.2 改进分析 22
第5章 结论 23
参考文献 24
温馨提示:
1、题目前面的备注【字母数字编号】为本站整理分类的编号,与课题内容无关,请选题时忽视;
2、若题目上备注三维,则表示文件里包含三维源文件,由于三维组成零件数量较多,为保证预览截图的简洁性,本站将三维文件夹进行了打包。三维及CAD预览截图,均为本站电脑打开软件进行截图的,保证能够打开,下载原件超高清,下载后解压即可;
3、本站所有资源如无特殊说明,都需要本地电脑安装Office2007。图纸软件为AutoCAD,PROE,UG,SolidWorks,CATIA等;
4、本站所有图文资料仅供用户学习参考,不作为任何商用或其他用途;
5、本站不保证下载资源的准确性、安全性和完整性, 不包修改,不支持退换,同时也不承担用户因使用这些下载资源对自己和他人造成任何形式的伤害或损失;
6、 下载文件中如有侵权或不适当内容,请与我们联系,我们立即纠正。