

作品包括:
word说明书一份,共37页,约12000字
CAD版本图纸,共4张
UG三维图一份
工序卡一份
工艺过程卡一张

摘 要 I
ABSTRACT II
1 绪论 1
1.1课题背景及发展趋势 1
1.2 夹具的基本结构及夹具设计的内容 1
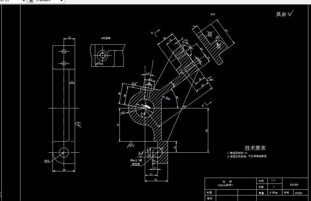
2 杠杆加工工艺规程设计 3
2.1零件的分析 3
2.1.1零件的作用 3
2.1.2零件的工艺分析 3
2.2杠杆加工的主要问题和工艺过程设计所应采取的相应措施 4
2.2.1确定毛坯的制造形式 4
2.2.2基面的选择 4
2.2.3确定工艺路线 4
2.2.4机械加工余量、工序尺寸及毛坯尺寸的确定 6
2.2.5确定切削用量 6
2.2.6确定基本工时 18
2.3小结 23
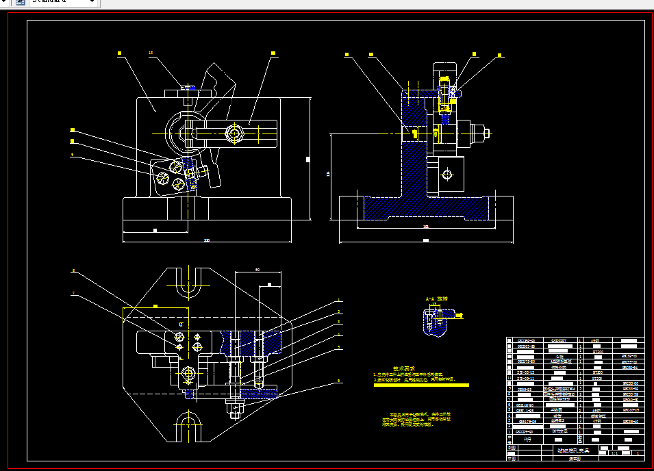
3 钻M8螺纹孔专用夹具设计 24
3.1定位基准的选择 24
3.2定位元件的设计 24
3.3定位误差分析 25
3.4钻削力与夹紧力的计算 26
3.5钻套、衬套、钻模板及夹具体设计 26
3.6夹紧装置的设计 28
3.7夹具设计及操作的简要说明 29
3.8小结 29
4 总结 30
参考文献 31
致 谢 32
温馨提示:
1、题目前面的备注【字母数字编号】为本站整理分类的编号,与课题内容无关,请选题时忽视;
2、若题目上备注三维,则表示文件里包含三维源文件,由于三维组成零件数量较多,为保证预览截图的简洁性,本站将三维文件夹进行了打包。三维及CAD预览截图,均为本站电脑打开软件进行截图的,保证能够打开,下载原件超高清,下载后解压即可;
3、本站所有资源如无特殊说明,都需要本地电脑安装Office2007。图纸软件为AutoCAD,PROE,UG,SolidWorks,CATIA等;
4、本站所有图文资料仅供用户学习参考,不作为任何商用或其他用途;
5、本站不保证下载资源的准确性、安全性和完整性, 不包修改,不支持退换,同时也不承担用户因使用这些下载资源对自己和他人造成任何形式的伤害或损失;
6、 下载文件中如有侵权或不适当内容,请与我们联系,我们立即纠正。