

作品包括:
Word版说明书1份
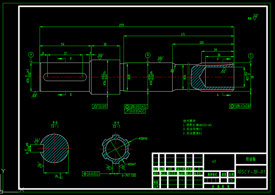
CAD版本图纸,共8张
SW三维图一套
摘要
包含二维CAD(柱塞泵装配图,传动轴二维图,配流盘二维图,缸体二维图,柱塞二维图,斜盘二维图,泵体二维图,柱塞泵测试液压系统原理图),包含全部三维SW2016所有零部件以及装配体。本文设计的是10SCY14-1B轴向柱塞泵的公称排量为10mL/r,压力等级为31.5MPa。设计参数:最大工作压力:Pmax=31.5MPa 公 称 排 量 : Q=10mL/r ,额 定 流 量 : Q=15L/min ,最 大 流 量 : Qmax=21L/min ,额 定 转 速 : n=1500r/min ,泄 漏 量:Qb=0.5ml/min 。
温馨提示:
1、题目前面的备注【字母数字编号】为本站整理分类的编号,与课题内容无关,请选题时忽视;
2、若题目上备注三维,则表示文件里包含三维源文件,由于三维组成零件数量较多,为保证预览截图的简洁性,本站将三维文件夹进行了打包。三维及CAD预览截图,均为本站电脑打开软件进行截图的,保证能够打开,下载原件超高清,下载后解压即可;
3、本站所有资源如无特殊说明,都需要本地电脑安装Office2007。图纸软件为AutoCAD,PROE,UG,SolidWorks,CATIA等;
4、本站所有图文资料仅供用户学习参考,不作为任何商用或其他用途;
5、本站不保证下载资源的准确性、安全性和完整性, 不包修改,不支持退换,同时也不承担用户因使用这些下载资源对自己和他人造成任何形式的伤害或损失;
6、 下载文件中如有侵权或不适当内容,请与我们联系,我们立即纠正。