

作品包括:
Word版说明书1份,共41页
中期报告一份
开题报告一份
CAD版本图纸,共8张
摘要
我国的车辆工业相对于世界其他先进国家相当落后,虽然从国外引进了许多新产品、新技术,但是离全面掌握核心技术还有很长的差距。本设计最典型的中型载货汽车技术参数为依据,对其进行膜片弹簧离合器设计。希望能使我国离合器的自主开发能力及产品设计水平得到一定的提高。
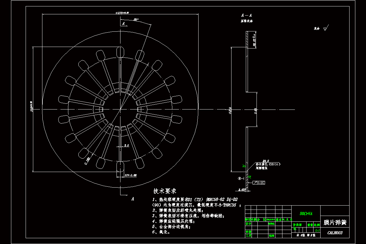
现代汽车摩擦离合器在设计中根据车型的类别,使用要求,与发动机的匹配要求,制造条件以及标准化、通用化、系列化要求等,合理地设计离合器总成的结构显的尤为重要。本文研究了离合器及其操纵机构系统的结构知识、设计理念及方法等。并且对离合器及其操纵机构的主要零件进行了详细的设计计算,其中重点研究了膜片弹簧、扭转减振器、操纵机构和摩擦片的设计方法、思路、理论。对结构元件分析、主要参数及零件载荷的确定、强度计算方法都有详细的介绍。
本设计得到了以粉末冶金材料作为离合器摩擦片摩擦材料的单片推式膜片弹簧离合器,满足了较高性能的标准,取代了对环境有污染的石棉基摩擦材料。
关键词:离合器;膜片弹簧;摩擦片;操纵机构;设计
温馨提示:
1、题目前面的备注【字母数字编号】为本站整理分类的编号,与课题内容无关,请选题时忽视;
2、若题目上备注三维,则表示文件里包含三维源文件,由于三维组成零件数量较多,为保证预览截图的简洁性,本站将三维文件夹进行了打包。三维及CAD预览截图,均为本站电脑打开软件进行截图的,保证能够打开,下载原件超高清,下载后解压即可;
3、本站所有资源如无特殊说明,都需要本地电脑安装Office2007。图纸软件为AutoCAD,PROE,UG,SolidWorks,CATIA等;
4、本站所有图文资料仅供用户学习参考,不作为任何商用或其他用途;
5、本站不保证下载资源的准确性、安全性和完整性, 不包修改,不支持退换,同时也不承担用户因使用这些下载资源对自己和他人造成任何形式的伤害或损失;
6、 下载文件中如有侵权或不适当内容,请与我们联系,我们立即纠正。