

作品包括:
Word版说明书1份,共17页,约6300字
外文翻译一份
CAD版本图纸,共8张

摘要
常用室内鞋底清洗设备——门垫。为保证室内地面的干净,一般都是换用拖鞋,缺点是:互穿不卫生、不礼貌、空气污浊。本设计的成品能自动清洗鞋底污物,有较好的发展前景。
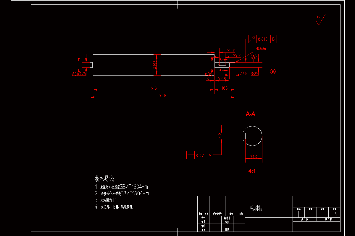
本发明脚踩清洗机踏板,踏板下安装的开关闭合,风机、电动机、电磁阀同时工作,电动机带动皮带轮转动,皮带轮带动毛刷辊转动清刷鞋底,同时喷水管向毛刷辊喷水,保持毛刷辊清洁,风机通过出风管对湿鞋底干燥,污水从出水口排出,这样就达到了鞋底清洗和干燥的目的。
关键词,电机风机皮带轮电磁阀
目录
摘要2
第一章概述(引言) 3
第二章鞋底自动清洗机的设计方案6
第三章鞋底自动清洗机的动力设计8
第四章鞋底自动清洗机的主要零部件设计9
第五章鞋底自动清洗机内部分布设计13
第六章鞋底自动清洗机的电路设计13
设计总结15
致谢16
参考文献17
温馨提示:
1、题目前面的备注【字母数字编号】为本站整理分类的编号,与课题内容无关,请选题时忽视;
2、若题目上备注三维,则表示文件里包含三维源文件,由于三维组成零件数量较多,为保证预览截图的简洁性,本站将三维文件夹进行了打包。三维及CAD预览截图,均为本站电脑打开软件进行截图的,保证能够打开,下载原件超高清,下载后解压即可;
3、本站所有资源如无特殊说明,都需要本地电脑安装Office2007。图纸软件为AutoCAD,PROE,UG,SolidWorks,CATIA等;
4、本站所有图文资料仅供用户学习参考,不作为任何商用或其他用途;
5、本站不保证下载资源的准确性、安全性和完整性, 不包修改,不支持退换,同时也不承担用户因使用这些下载资源对自己和他人造成任何形式的伤害或损失;
6、 下载文件中如有侵权或不适当内容,请与我们联系,我们立即纠正。